☰
Login
Join
×
Home
Answered Questions
Repair Topics
Repair & Service Guides
Popular Questions
Warning Lights
Trouble Codes
How It Works
Testing / Diagnostics
Symptoms
Videos
Login
Become a Member
Home
Toyota
Sienna
Electrical
Fuse Panel
Location
Relay fuse pump location needed
2002 TOYOTA SIENNA
178,000 MILES • 6 CYL
JRHOBB
MEMBER
3 POSTS
FOLLOW
Where is the location and how to replace relay fuse?
Jan 15, 2017 at 1:28 PM
Advertisement
STRAILER
CERTIFIED EXPERT
53,854 POSTS
Hey JRHOBB,
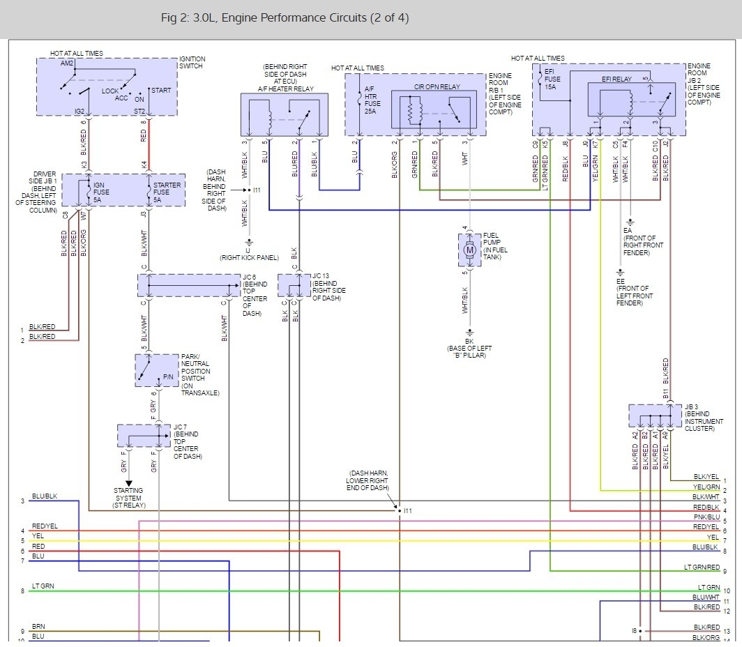
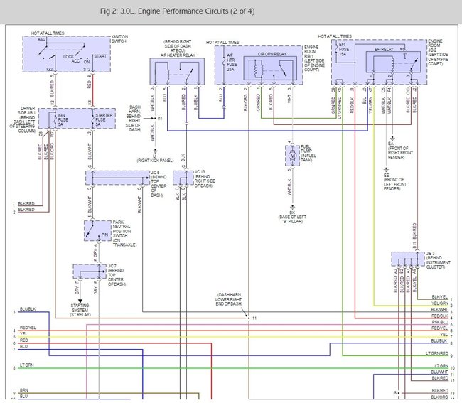
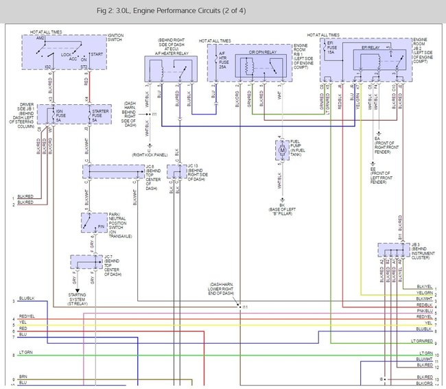
it is called a circuit open relay, here is a wiring diagram to show you where it is so you can fix the problem.
Here is a guide on how to check the relay.
https://www.2carpros.com/articles/how-to-check-an-electrical-relay-and-wiring-control-circuit
Please let me know what happens so it will help others.
Best, Ken
Image (Click to enlarge)
Jan 19, 2017 at 1:43 AM