I have also attached the relay diagram for your reference.
Please let me know if you have any questions.
Thank you.
Image (Click to enlarge)
Aug 3, 2021 at 9:53 AM
DARRELL ANDREWS
MEMBER
23 POSTS
Yes, my cooling fans and dash lights stay on and my power windows still have power until I disconnect the battery. I wanted to check the fan relays but they are stuck in the box, any suggestions will be welcomed.
Aug 3, 2021 at 10:26 AM
Advertisement
SQM
CERTIFIED EXPERT
6,383 POSTS
Those relays come straight out of the socket. They are probably just seized on there, or something could have melted and made it to be stuck.
Try using a needle nose plier to pull them out. You can try wiggling them back and forth. But there are no special trick to it.
If you use the pliers careful not to crush the relay.
Aug 3, 2021 at 11:08 AM
DARRELL ANDREWS
MEMBER
23 POSTS
Thanks. Do you know what would keep my dash lights on even with the key out? I've changed the ignition switch but now I'm just scratching my head.
Aug 3, 2021 at 2:30 PM
SQM
CERTIFIED EXPERT
6,383 POSTS
It sounds like you have a short somewhere in the wiring harness. Which keeping the circuit complete without your key in the ignition.
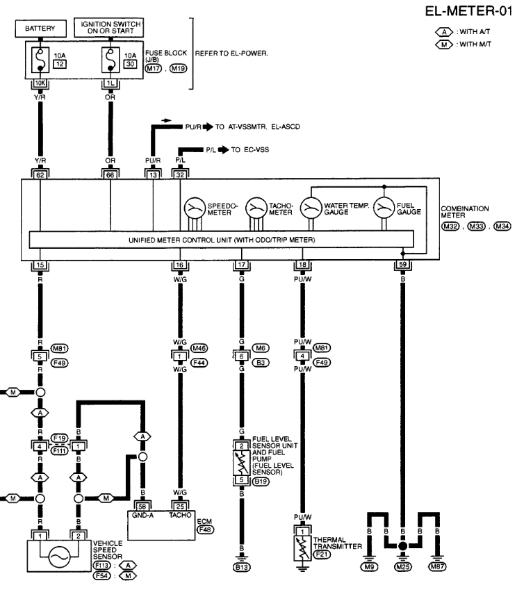
You might have to trace the wirings to find the short. Look below for the wiring diagram.
Were you able to pull the relay out?
Images (Click to enlarge)
Aug 4, 2021 at 11:23 AM
DARRELL ANDREWS
MEMBER
23 POSTS
Yes, I finally got the relay out, it took some patience wiggling back and forth. I guess it should be expected for 20 year old relays. Thank you. now it's time to tackle these wires.
Aug 4, 2021 at 3:55 PM
SQM
CERTIFIED EXPERT
6,383 POSTS
That's good that you got it out.
Keep me posted.
Aug 4, 2021 at 6:47 PM
DARRELL ANDREWS
MEMBER
23 POSTS
Now when I find which wire still has power, what do I do then? I'm off the rest of the weekend so I'm going to tackle it starting today.
Aug 6, 2021 at 11:36 AM
SQM
CERTIFIED EXPERT
6,383 POSTS
Well, if the relay is shorted out then it will be hot all the time. So test the relay and see if it is shorted.
The purpose of finding power to the fuse/relay block is to make sure you don't have a issue with the block or a short in the wire from the switch to the block.