Auto shut down relay location needed

2018 JEEP COMPASS
37,000 MILES • 2.4L • 4 CYL • 4WD • AUTOMATIC
Avatar
JESTEP1966
  • MEMBER
  • 9 POSTS
does anybody know where auto shut down relay is located? is it inside the driver side fender weld?
Nov 4, 2020 at 4:34 PM
Advertisement
Avatar
STEVE W.
  • CERTIFIED EXPERT
  • 15,113 POSTS
It is inside the power center (under the hood fuse panel) mounted on the circuit board if the information is correct. Not a replaceable part without taking the power center apart. However there is also the power relay that does a similar job and it is a replaceable item inside the relay box.
Nov 4, 2020 at 5:15 PM
Avatar
ASEMASTER6371
  • CERTIFIED EXPERT
  • 52,796 POSTS
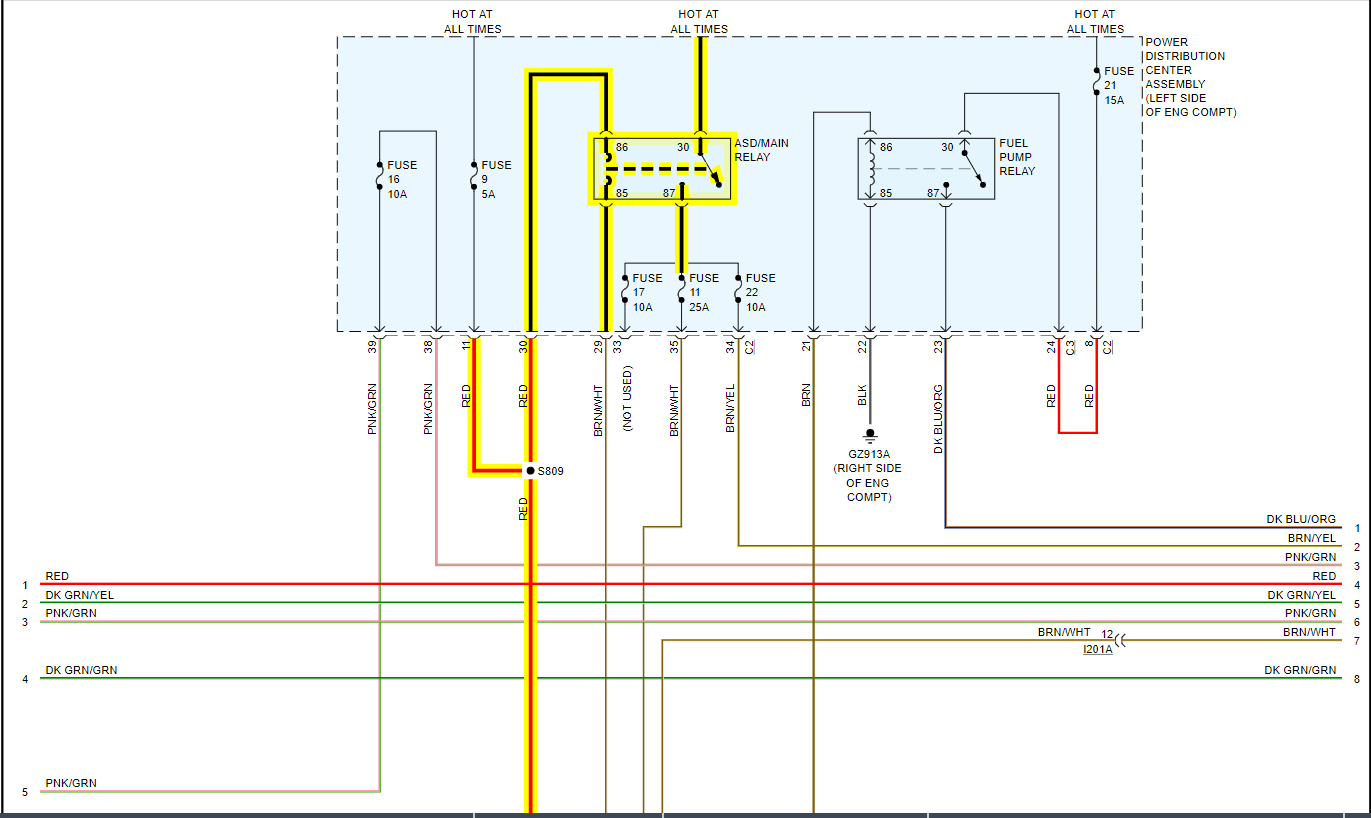
Good evening,

I attached the location for you to view.

It is in the power distribution center under the hood.

https://www.2carpros.com/articles/how-to-check-an-electrical-relay-and-wiring-control-circuit

https://www.2carpros.com/articles/how-to-check-wiring

Roy
Nov 4, 2020 at 5:17 PM
Advertisement