ECU or immobilizer relay location

2005 VOLKSWAGEN JETTA
170 MILES • 2.5L • 5 CYL • 2WD • AUTOMATIC
Avatar
SDPNOY45
  • MEMBER
  • 2 POSTS
Is there a relay under the dash for the ECU or immobilizer?
Aug 27, 2018 at 3:50 AM
Advertisement
Avatar
AL514
  • CERTIFIED EXPERT
  • 5,465 POSTS
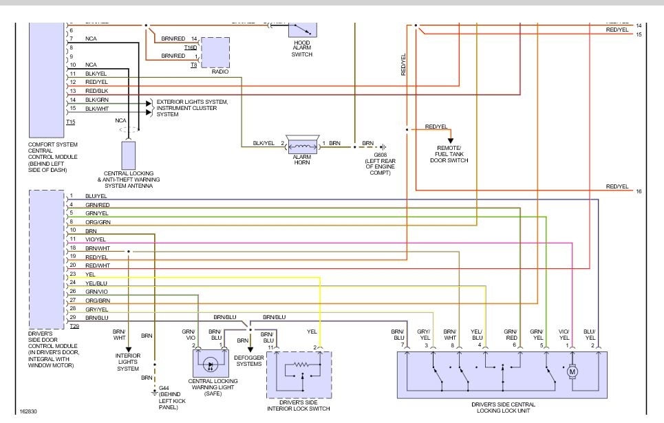
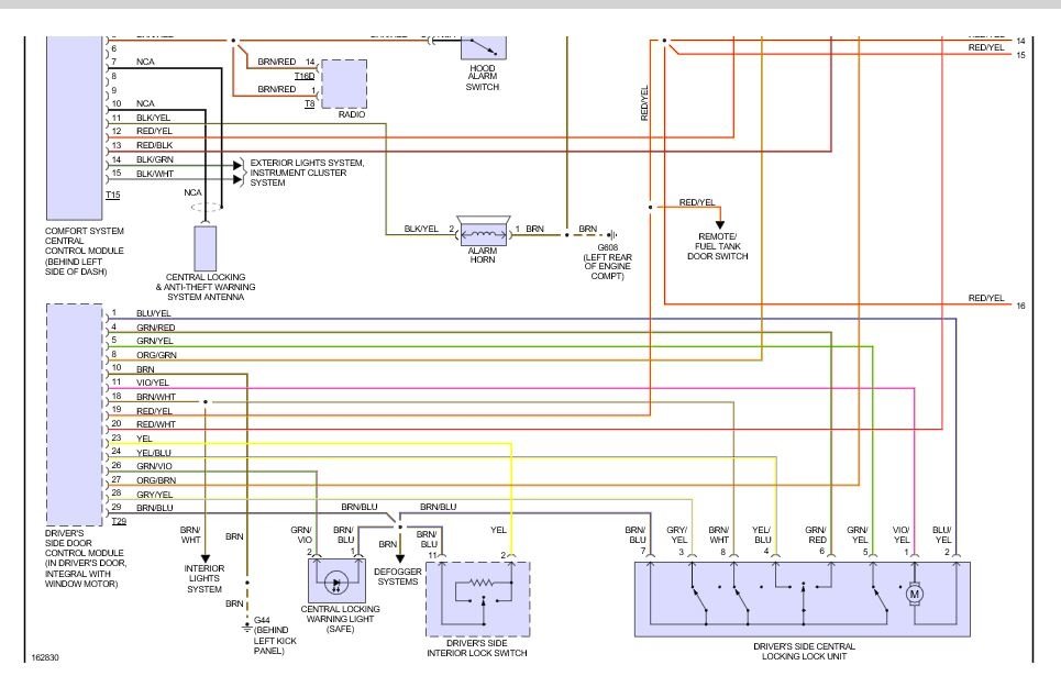
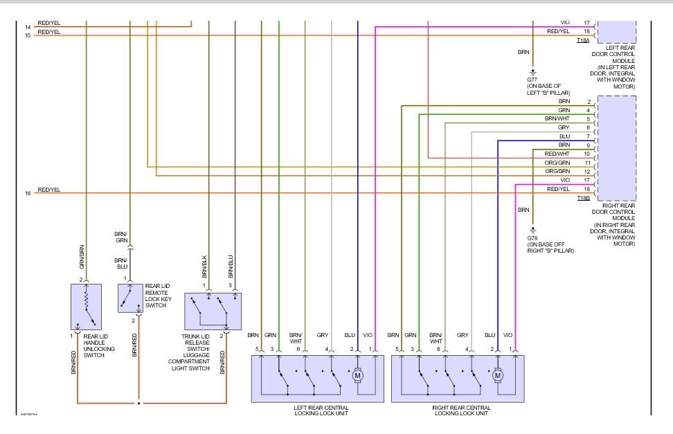
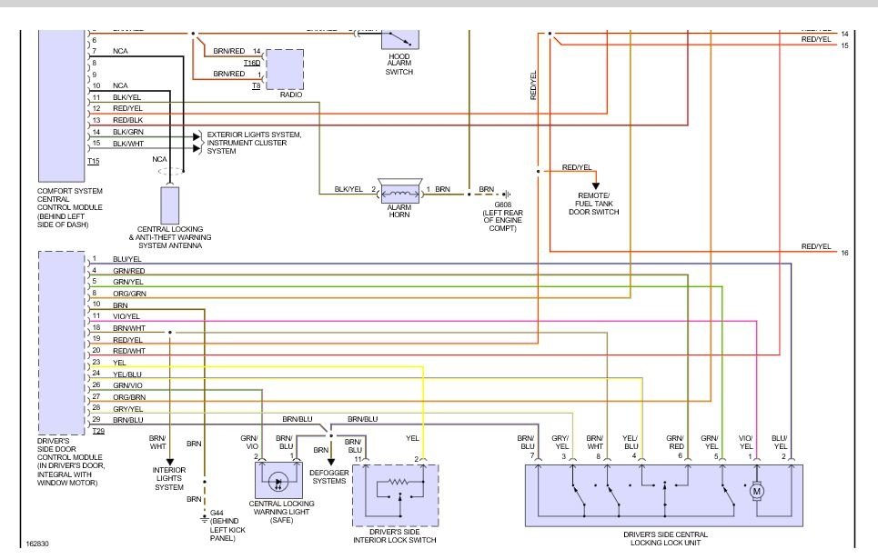
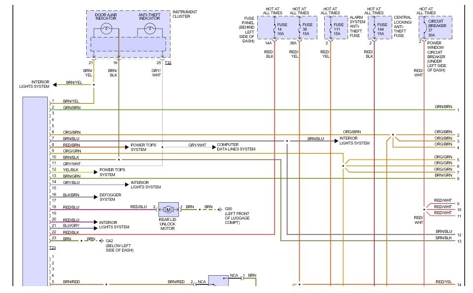
Hello there, here are the diagrams for the entire (anti-theft) security system. There are a number of modules, switches, motors and relays. Hopefully this will help.
Aug 27, 2018 at 12:47 PM
Avatar
SDPNOY45
  • MEMBER
  • 2 POSTS
Lost my key , bought a new one. But still trying to figure out a way to somehow reprogram the immobilizer with out spending any money that I really cannot afford.
Sep 3, 2018 at 10:05 PM
Advertisement
Avatar
STRAILER
  • CERTIFIED EXPERT
  • 53,854 POSTS
As you can see by the wiring diagrams there is no relay if you have a new key it must be programmed most shops will do it for about $130.00. Sorry, it cannot be done any other way.
Sep 6, 2018 at 11:22 AM