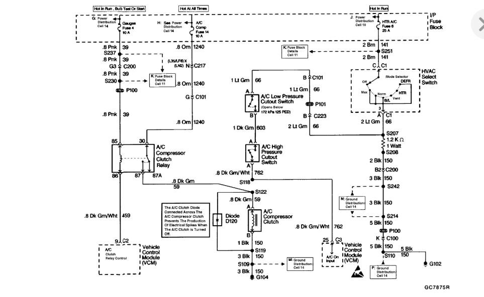
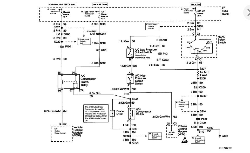
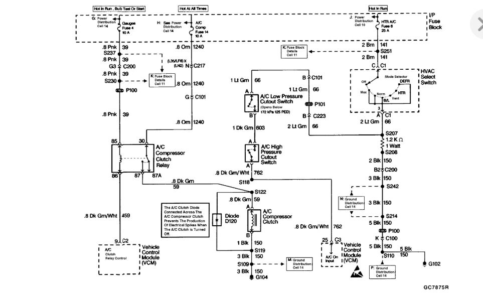
I cannot find a diagram or any information to tell me which of the three relays on the passenger side under the hood is the one to the A/C compressor.
May 4, 2018 at 2:24 PM

