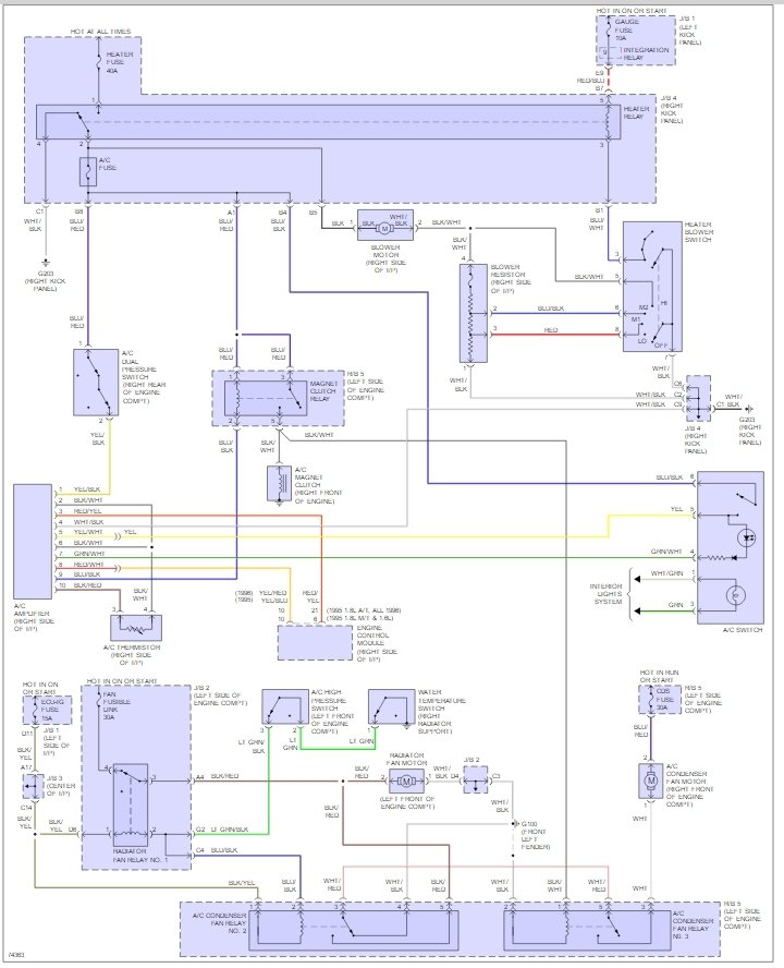
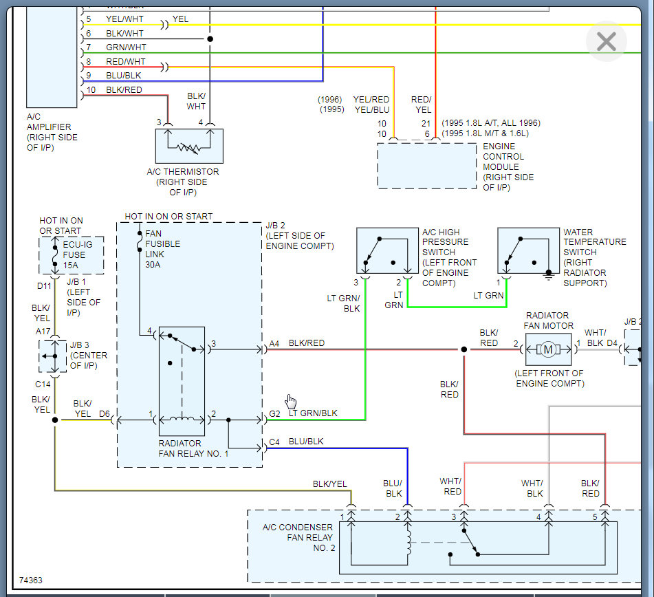
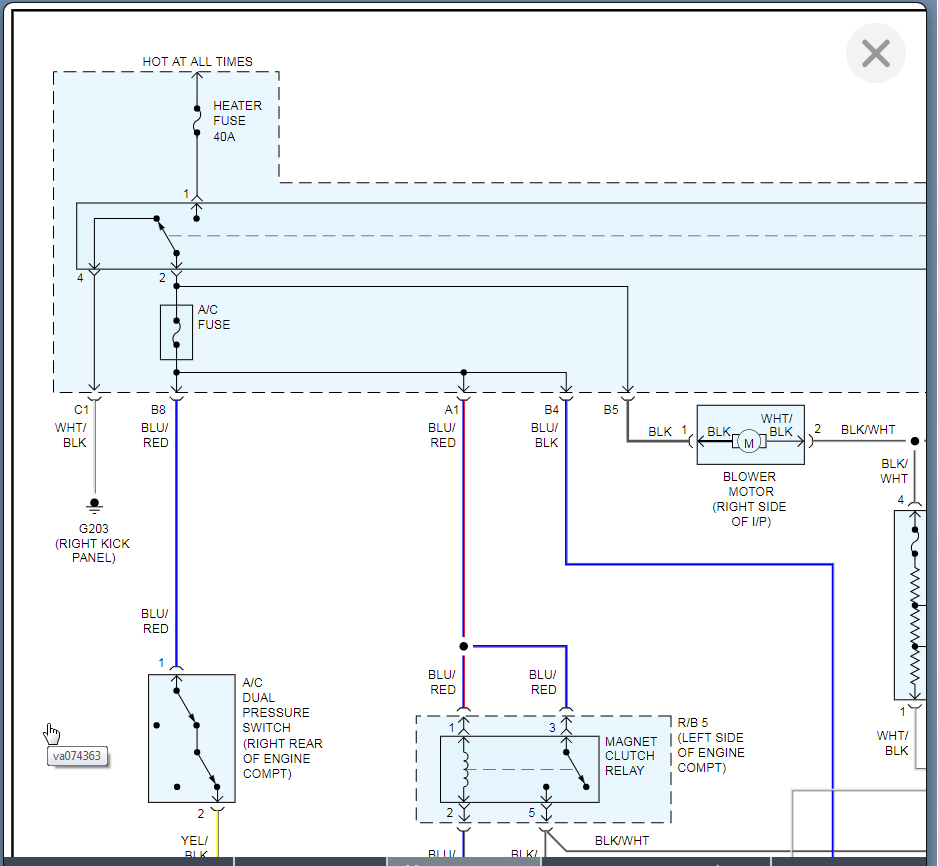
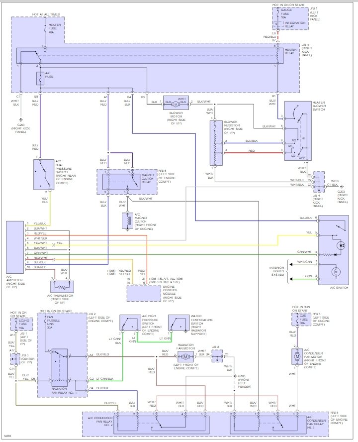
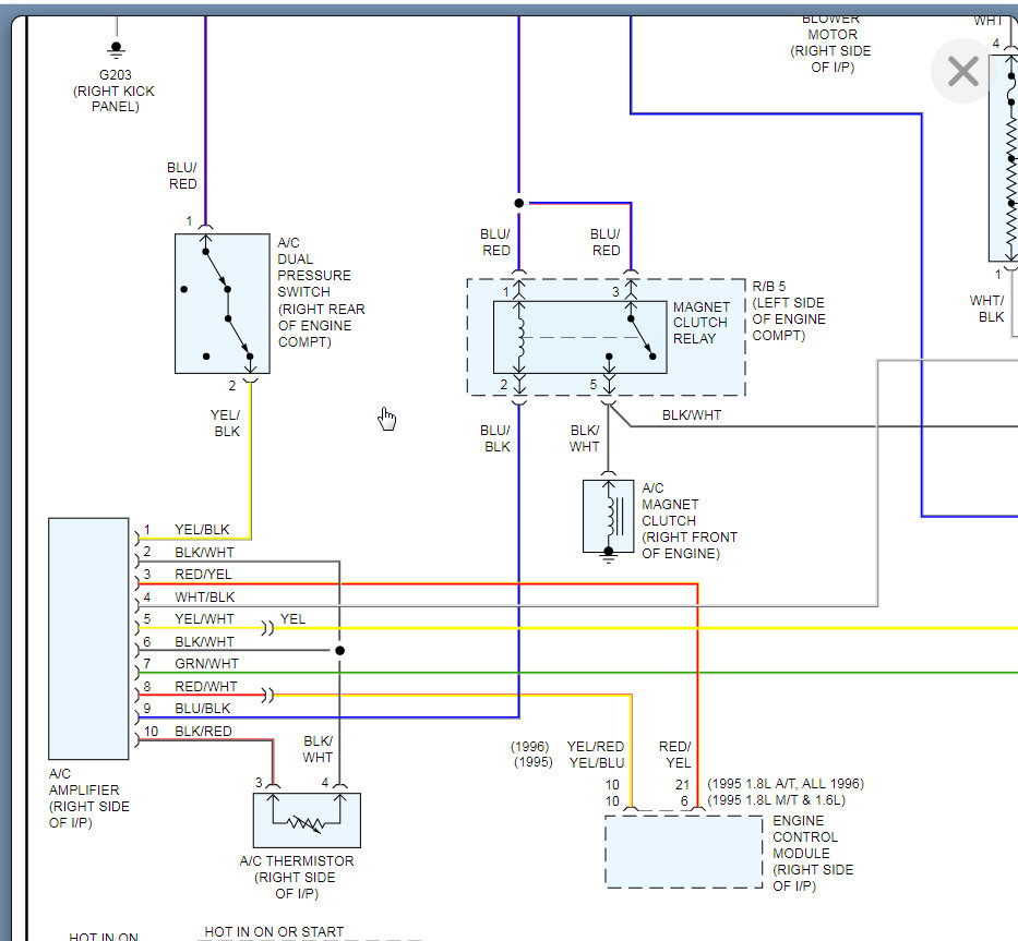
wiring diagram of ac amplifier

1995 TOYOTA COROLLA
160,000 MILES • 1.6L • 4 CYL • FWD • MANUAL
Avatar
BONZKIE28
  • MEMBER
  • 13 POSTS
Do the 1.6L and 1.8L have the same wiring diagram in a/c amplifier?
Apr 27, 2016 at 2:27 AM
Advertisement
Avatar
HMAC300
  • CERTIFIED EXPERT
  • 48,601 POSTS
yes they do
Apr 27, 2016 at 7:20 AM
Avatar
BONZKIE28
  • MEMBER
  • 13 POSTS
Thanks sir, by the way sir I will ask another question. Is the cause of getting low idle when air conditioner is that there is no air conditioner amplifier? The air conditioner amplifier was not replace, instead they modified the the thermostat into a manual thermostat instead of electronic thermostat.
Apr 27, 2016 at 4:25 PM
Advertisement
Avatar
STRAILER
  • CERTIFIED EXPERT
  • 53,855 POSTS
This could cause a problem because the system is designed to work one way and if they change it anything can happen.
Apr 27, 2016 at 4:59 PM
Avatar
STRAILER
  • CERTIFIED EXPERT
  • 53,855 POSTS
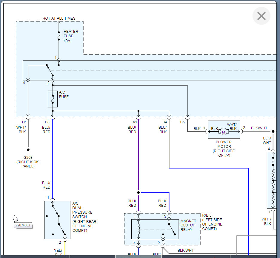
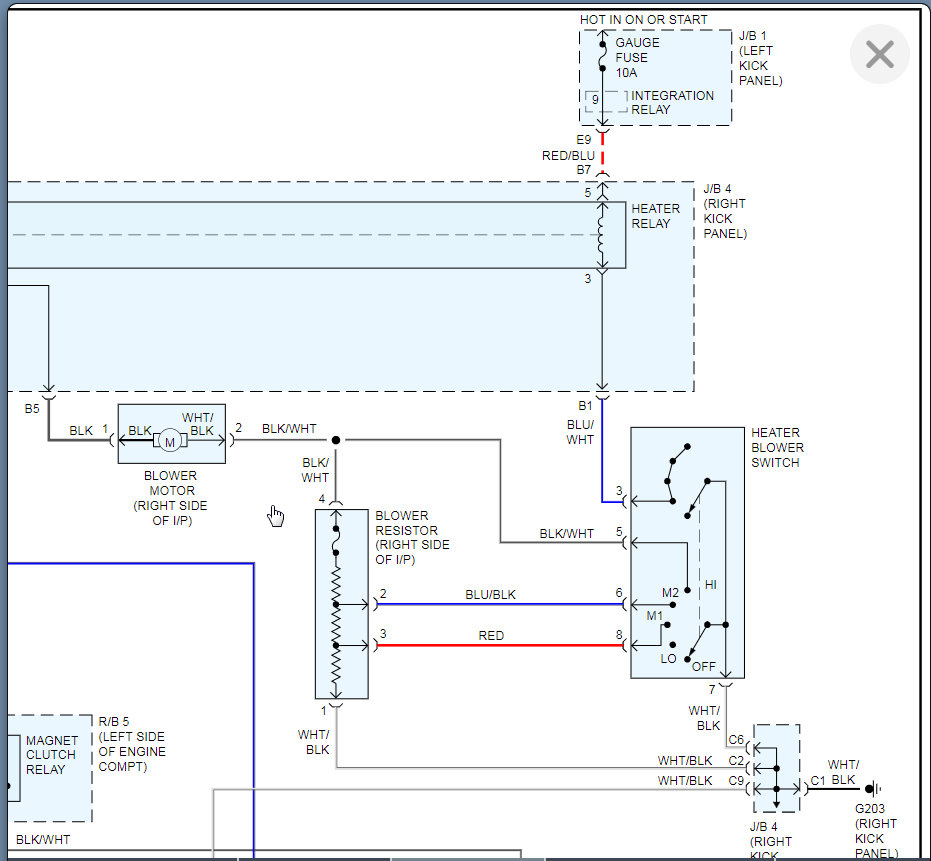
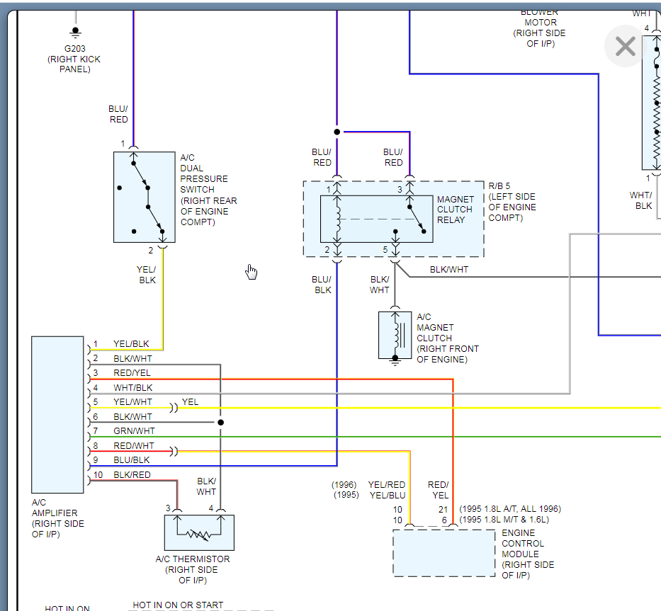
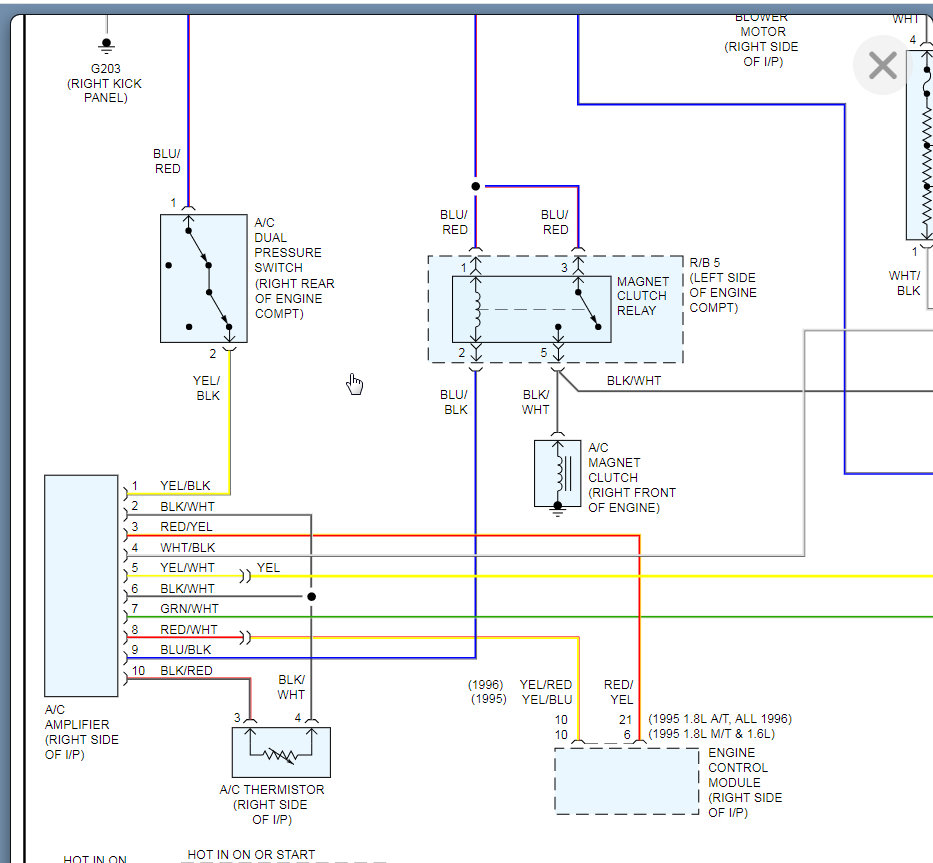
Here is the diagram for it though
Apr 27, 2016 at 5:02 PM
Avatar
HMAC300
  • CERTIFIED EXPERT
  • 48,601 POSTS
actually try cleaning throttle plate on both sides and iac hole with choke cleaner that may fix the idle but the low idle may be just the extra load that it places on the engine due to being a small engine.
Apr 27, 2016 at 5:19 PM
Avatar
BONZKIE28
  • MEMBER
  • 13 POSTS
i already clean the throttle body sir, already check the vsv and iac valve and all the hoses, its all okay. the mechanic also advice me that to put it back the air conditioner amp. because he said there is no signal came from the air conditioner amp to the ecm. To make the idle up when ac is on.,may hes right sir? On my day off i will do may best to connect the air conditioner amp. and i will massage you sir right away if may works will be okay. Thanks very much for the diagram.
Apr 28, 2016 at 1:49 AM
Avatar
MIKI#
  • MEMBER
  • 10 POSTS
Thank you Ken for the wiring diagram.
Could you kindly share a higher resolution of the same?
Oct 6, 2020 at 5:14 AM
Avatar
KASEKENNY
  • CERTIFIED EXPERT
  • 18,907 POSTS
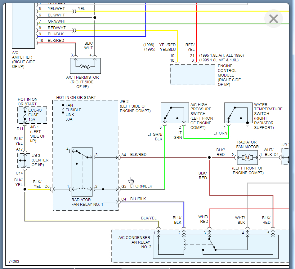
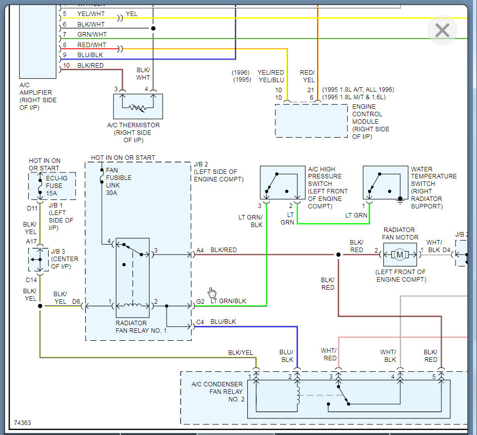
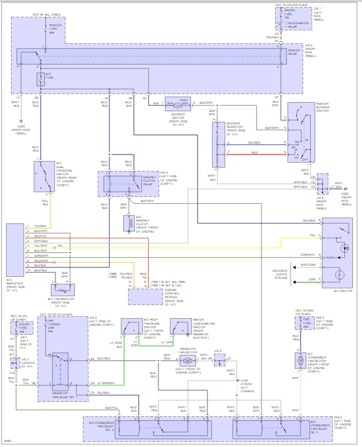
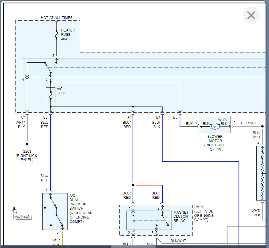
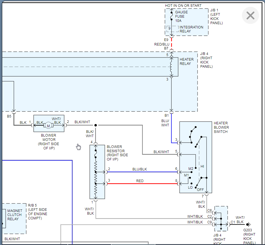
Based on the formatting requirements of the website, I had to break this up into parts. I am attaching 6 closer views of the same diagram from above. Let us know if you need more info. Thanks.
Oct 6, 2020 at 12:30 PM
Avatar
MIKI#
  • MEMBER
  • 10 POSTS
Thank you Kenny!
May I ask, what's the part number for the above 10-pin AC amplifier?
Apr 1, 2022 at 1:45 AM
Avatar
KASEKENNY
  • CERTIFIED EXPERT
  • 18,907 POSTS
Unfortunately, the manual does not give me the part number for this model year.

The best bet is to access the part and it should have a part number on it. Or you would have to call the dealer and they can check the VIN and pull the part number.
Apr 2, 2022 at 8:21 AM