Reduced air through defrost vents

1993 FORD CROWN VICTORIA
247,500 MILES • 4.6L • V8 • 2WD • AUTOMATIC
Avatar
EPA223
  • MEMBER
  • 15 POSTS
Early this spring my car's floor/defrost and defrost suddenly reduced air flow by about 90%. In any control position, the air is always coming out the front vents. I have found three vacuum solenoids that appear to have full function. My guess is that although the solenoids are working, the actual vent door inside the housing is not closing and allowing the air to be re-directed to the defrost vents. I am hoping for an easier fix other than tearing into the black HVAC housing under the dash. I am not even sure how it comes apart. Any clues or suggestions would be greatly appreciated. Thanks, Eric.
Aug 19, 2018 at 6:39 PM
Advertisement
Avatar
STRAILER
  • CERTIFIED EXPERT
  • 53,854 POSTS
Hello,

It sounds like you have a broken vacuum line under the hood. Here is a guide to help show you what to looks for:

https://www.2carpros.com/articles/air-vents-stay-in-the-defrost-position

Please run down this guide and report back.

Cheers, Ken
Aug 21, 2018 at 2:38 PM
Avatar
EPA223
  • MEMBER
  • 15 POSTS
Hi Ken,
Thanks for the reply. I actually read this article prior to contacting you. I traced as much of the vacuum lines as I could see but did not find anything clearly broken. I will check again and get back to you ASAP.

Thanks again,
Eric
Aug 27, 2018 at 5:36 PM
Advertisement
Avatar
STRAILER
  • CERTIFIED EXPERT
  • 53,854 POSTS
Check to see if you have vacuum at any of the HVAC lines this will help us find the issue. Please let us know. Cheers, Ken
Aug 28, 2018 at 10:16 AM
Avatar
EPA223
  • MEMBER
  • 15 POSTS
Hi Ken,
I double checked everything under the hood. I did not see anything obviously broken or cracked. Here is what I found under the hood as best I can tell. There is a main tube that goes from the engine (near the PCV or EGR valve at the back of the engine) that goes into what I believe is a check valve. Off the top of the valve is a small hard black plastic line. Below that is a larger (3/8" - 1/2") rubber line that goes to a black box on the driver's side just ahead of the cruise control. Below that line is a round disk shaped part of the valve. Below that is a port with a rubber cap on it. This is directly across from the tube coming from the back of the engine. The next line below the capped one is a larger rubber line (3/4"?0 that runs to the brake booster. Below that line at the bottom of the valve is a yellow line that meets up with the thin black line from the top of the valve. These two lines make their way into the driver's compartment near the accelerator pedal. The lines then split, the yellow line goes up into the steering column then returns as a white line to the actuator for the parking brake. The small black plastic line continues under the dash/ashtray/cup holder and into a white plastic disk-like device that has all the vacuum lines going to the two actuators (what I call the left and right) as well as the actuator on the passenger side for what I believe is for the defrost. Then the small black line goes with all the vacuum lines on the other side of the white disk into the control panel. I bought another of these a while back but haven't yet replaced it. It is a Motorcraft YH-380 (E1AZ-19B888-B) A/C Valve. That is what I can tell you regarding vacuum lines. All seem in good shape and securely connected. Okay, now this is what happens with actuators left and right when the car is running and I switch the lever from off through defrost. Note the lines going into left are red and yellow and the line going into right is blue. First in the off mode, left is fully in and right is fully out. Next, Max A/C, left is in and right is in. Next, norm A/C left is in and right is in. Next, vent, left is in and right is in. Next, floor, left is in and right is out. Next, defrost/floor, left is out one notch and right is out. Lastly defrost, left is out two notches and right is out.

Thanks again Ken. I hope this helps and I appreciate yours,
Eric
Sep 2, 2018 at 3:48 PM
Avatar
STRAILER
  • CERTIFIED EXPERT
  • 53,854 POSTS
At the rear of the vacuum valve is there vacuum present at the valve and do you hear the blower motor running at high speed? Here is a diagram that show the vacuum line routing so we can see how the system works. Check out the diagrams (below). Please run this test and get back to us.

Cheers, Ken
Sep 3, 2018 at 1:30 PM
Avatar
EPA223
  • MEMBER
  • 15 POSTS
Hi Ken,
I need some clarification on your request. When you say "at the rear of the vacuum valve" do you mean the check valve under the hood at the firewall? If so, do you want me to disconnect the tube at the check valve (to the engine) and check for vacuum at the tube while the engine is running? As for the blower motor, it works at all speeds (unless you want me to disconnect the tube and see if the blower speed changes)? Also, I am not sure what I am looking for on the illustration but I see it is for an ATC. My car has a Manual HVAC system as far as I can tell. One more thing, I see illustrations mentioning a cable that goes from the HVAC Control panel to a Temperature Blend Door but my system has no cable. Mine must be electronic like this illustration shows at the lower right. The illustration appears to be similar to what I have. The part number on my Control Panel is F3AZ-19980-A.

Thanks for your help Ken,
Eric
Sep 3, 2018 at 2:41 PM
Avatar
STRAILER
  • CERTIFIED EXPERT
  • 53,854 POSTS
Can you please check for vacuum at the rear (black) vacuum line at the ATC selector valve? (Engine running)
Sep 4, 2018 at 9:40 AM
Avatar
EPA223
  • MEMBER
  • 15 POSTS
Hi Ken,
Although I could reach the line from under the ashtray area, I was not able to get the line disconnected. I tried pulling and twisting it but all I was able to do was break the seal of a rubber base that holds all the lines to the HVAC vacuum control. I will remove the control or the whole unit this weekend and see if it is any easier that way. Are there any tricks to removing a vacuum line? I may have damaged the black line trying to remove it. I will find out tomorrow morning on my way to work.

Thanks again Ken and I will let you know what I figure out,
Eric
Sep 6, 2018 at 7:34 PM
Avatar
STRAILER
  • CERTIFIED EXPERT
  • 53,854 POSTS
Sounds good. The black line may be bundled with the other lines as well. You could cut the line and use a vacuum line connector if that would be easier.
Sep 7, 2018 at 10:15 AM
Avatar
EPA223
  • MEMBER
  • 15 POSTS
Hi Ken,
I ended up removing the A/C Valve from the Control Unit and then pulling the cluster of lines off the Valve via the rubber block. I started the car and could hear a hiss and could feel vacuum from the black opening. I also hooked-up my vacuum pump to check how much vacuum I was getting and it showed between 18 - 19 in. Hg? Seeing as I now have the valve out, when I put things together again I might as well install my new one, right?

Hopefully this helps with the diagnosis. Let me know what to do next. I appreciate your help.

Thanks Ken,
Eric
Sep 8, 2018 at 5:28 PM
Avatar
STRAILER
  • CERTIFIED EXPERT
  • 53,854 POSTS
I would take a small tube jumper and run vacuum down each port to see if something reacts. If that seems all good I would replace the vacuum switch. Can you upload pictures?
Sep 9, 2018 at 12:10 PM
Avatar
EPA223
  • MEMBER
  • 15 POSTS
Hi Ken,

I used a jumper and all seems fine. I think there may have been a better seal with the jumper because the actuators seemed to move quicker and also the actuator with the blue vacuum line made a much more pronounced click when it was fully inward, almost like it was hanging up on or getting caught on something. All actuators moved inwards when vacuum was applied (the red moved one "notch" and the yellow moved two "notches"). It is impossible to see the end of the blue line's actuator arm due to it being enclosed in the large "black box" under the dash. I can see the arm moving but can't see what, if anything, it is getting caught on or even moving.

Let me know what you would like pictures of. I will try to take some. I will be re-assembling my HVAC system in a few hours so I can use it driving to work tomorrow.

Thanks Ken,
Eric
Sep 9, 2018 at 2:50 PM
Avatar
EPA223
  • MEMBER
  • 15 POSTS
Hi Ken,
A quick update before bedtime. I re-attached the cluster of vacuum lines to the new A/C valve but also put a thin strip of rubberized two-sided tape on the base of the block to help with sealing. I cleared all the ports and re-assembled everything but it still does the same thing.
I will be anxiously awaiting your next suggestion.

Thanks again for your help,
Eric
Sep 9, 2018 at 6:25 PM
Avatar
STRAILER
  • CERTIFIED EXPERT
  • 53,854 POSTS
Can you hear the blower fan running at full speed? Can you shoot a quick video on what the system is doing? That would be great. You can upload it here with your response.
Sep 10, 2018 at 10:39 AM
Avatar
EPA223
  • MEMBER
  • 15 POSTS
Hi Ken,

Yep, the fan is good. I replaced it about a year ago. I get plenty of air movement just not through the defrost vents. I will try to shoot a video and show you what is going on.

Thanks,
Eric
Sep 11, 2018 at 5:45 PM
Avatar
STRAILER
  • CERTIFIED EXPERT
  • 53,854 POSTS
When you worked the vacuum lines can you hear the air doors inside the plenum move? Looking forward to the video.
Sep 12, 2018 at 10:19 AM
Avatar
EPA223
  • MEMBER
  • 15 POSTS
Hi Ken,
I can hear the vacuum hiss and clunking of doors when I move the selector through its different positions.
I shot a video, although I had to stop a few times, so it is on four different videos. I think it will show my issue. You may be able to notice on the right actuator, the arm moves up and down slightly as it moves in and out. I do not know if that has anything to do with my problem or not. Too bad I cannot see inside that black box.

Thanks again Ken,
Eric
Sep 12, 2018 at 4:47 PM
Avatar
STRAILER
  • CERTIFIED EXPERT
  • 53,854 POSTS
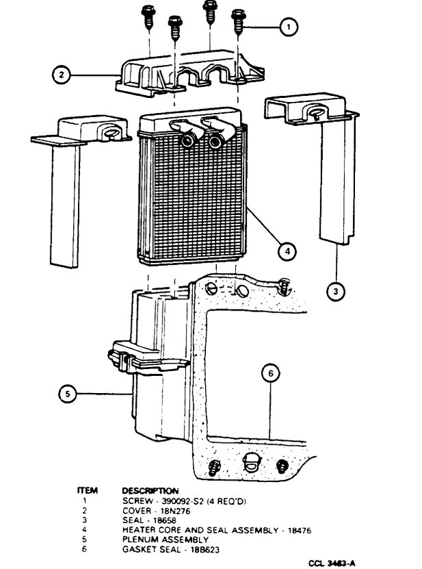
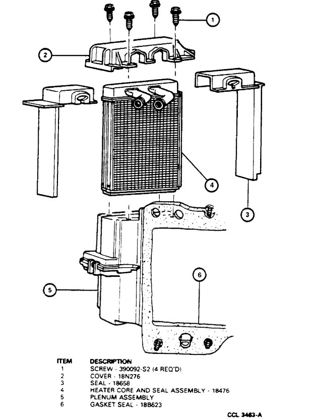
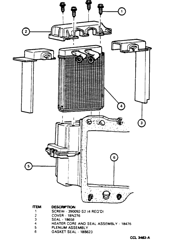
One of the better video demonstrations I have seen, nice work. :) The vacuum controls do not seem to be the issue. It is a mode problem for sure but since the actuator are working it only leaves the actual air door inside the plenum had broken loose for the pivot pin. This means the heater box will need to come out to fix it. I have had this happen only one time in my time so it is rare. Here are diagrams to help you get the job done you will need to vacuum down and recharge the AC system. Here is a guide and diagrams to help you get the job done.

https://www.2carpros.com/articles/re-charge-an-air-conditioner-system

This will kind of show you, check out the diagrams to see your car.

https://www.2carpros.com/articles/replace-heater-core

Check out the diagrams (below). Please let us know what happens.
Sep 16, 2018 at 2:43 PM
Avatar
EPA223
  • MEMBER
  • 15 POSTS
Hi Ken,
Wow, not what I had hoped for. This looks very involved. If I get the chance to do this, I will let you know how it turns out.

Thanks again for your help,
Eric
Sep 16, 2018 at 7:11 PM
Avatar
STRAILER
  • CERTIFIED EXPERT
  • 53,854 POSTS
Sorry about that, but you can see the actuator working so it only leaves the door itself. I will put this post in our expert forum to see what others say just in case.
Sep 17, 2018 at 11:23 AM
Avatar
WRENCHTECH
  • CERTIFIED EXPERT
  • 20,761 POSTS
The actuator with the white hose is merely the re-circulation door and has nothing to do with your problem. As I understand it, you just cannot get full defrost. The actuator that gives you that is the one with the red and yellow hoses attached to it. It appears you are getting a full throw from that actuator so that tends to point to a problem with the door inside. A common thing to happen is a pencil or something like that will fall into the vent and jam up the door which could be broken by now. If you have access to a bore-scope, it may be helpful.
I am attaching a diagram of the vacuum hoses and doors.
Sep 17, 2018 at 11:57 AM
Avatar
EPA223
  • MEMBER
  • 15 POSTS
Hi Ken,
I had a feeling it might have been a door issue but I had hoped that it would be a much simpler fix. I do really appreciate your investigating and information you posted. Every now and then, I am up for a challenge and this information seems to cover everything. If I do not get the chance to work on this before it gets too cold, I may just put a small 12 volt heater/fan on my dash, if I can find one small enough and of good quality.

Thanks again Ken,
Eric
Sep 18, 2018 at 3:33 PM
Avatar
WRENCHTECH
  • CERTIFIED EXPERT
  • 20,761 POSTS
Last resort you could always pull the dash and fix it right.
Sep 18, 2018 at 3:39 PM
Avatar
EPA223
  • MEMBER
  • 15 POSTS
Hi Wrenchtech,
I was actually think if a borescope would allow me to see anything. However, I was thinking I would use it on the actuator that has the blue line, that goes into the black box under the dash, because I cannot see what is connected to the other end of the actuator arm. The actuator with the red and yellow lines is easier to get to though. If I get a scope, would I go up through the floor vent or down through the windshield opening?

Thanks for your help,
Eric
Sep 18, 2018 at 3:44 PM
Avatar
WRENCHTECH
  • CERTIFIED EXPERT
  • 20,761 POSTS
I was thinking down through the defrost vent to look for an obstacle.
Looking behind the actuator would be helpful also.
Sep 18, 2018 at 3:47 PM
Avatar
EPA223
  • MEMBER
  • 15 POSTS
I am going to see if I can find a borescope.

Thanks Wrenchtec,
Eric
Sep 18, 2018 at 3:53 PM
Avatar
STRAILER
  • CERTIFIED EXPERT
  • 53,854 POSTS
Great idea. Please let us know.
Sep 20, 2018 at 4:32 PM
Avatar
EPA223
  • MEMBER
  • 15 POSTS
Hi Ken. Hi Wrenchtech.

I guess I forgot and got too busy to let you know what I ended up doing. I never got a scope but instead did some digging and found I was able to disconnect the floor heat deflector. It took some work, including removal of both actuators. Upon removing the deflector, I was able to get a good look at the defrost door. It was working properly. I decided to check the panel (vent) door but could not get my hand/arm into the duct work. I snipped a thin piece of plastic used as a support for the deflector and could reach all the way into the panel (vent) chamber. I found the problem. The panel (vent) door had dislodges from its pivot and was simply moving back and forth when the actuator was moving, instead of open and close. Although by feel, I could not seem to get the door back into its "groove", I was able to easily close the door and now I get 99% of air out the floor and defrost vents. Not having panel (vent) air is not an issue at all especially now that it is cold. I use the floor/defrost or just defrost until everything is clear, then switch to floor only and it is perfect.

I would like to thank both of you again for all your help.

Happy Thanksgiving,
Eric
Nov 22, 2018 at 6:16 PM
Avatar
STRAILER
  • CERTIFIED EXPERT
  • 53,854 POSTS
Glad you could get it fixed, that kind of problem can be tough. Please use 2CarPros anytime we are here to help :) Happy Thanksgiving!

Cheers, Ken
Nov 23, 2018 at 12:16 PM