Re-connection of OBD port wires

2000 SAAB 9-3
135,000 MILES • 2.0L • 4 CYL • 2WD • AUTOMATIC
Avatar
DSSM
  • MEMBER
  • 3 POSTS
The wires for the OBD port became disconnected and separated from the port while working on dash board. How do I connect them correctly?
Sep 9, 2018 at 12:49 AM
Advertisement
Avatar
DANNY L
  • CERTIFIED EXPERT
  • 5,648 POSTS
Hello, I am Danny.

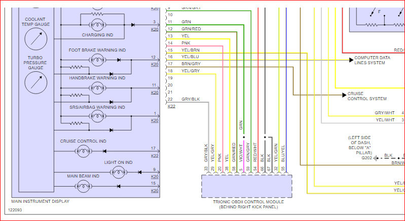
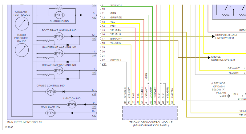
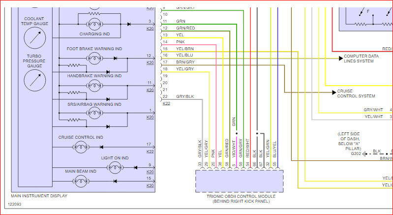
Here is a SAAB diagram I found and have attached. Hope this helps and feel free to ask any questions if needed. Thanks for using 2CarPros.
Danny-
Sep 9, 2018 at 2:56 AM
Avatar
DSSM
  • MEMBER
  • 3 POSTS
Thanks a lot. I will give it a go.
Sep 10, 2018 at 12:04 AM
Advertisement
Avatar
DANNY L
  • CERTIFIED EXPERT
  • 5,648 POSTS
You are welcome!
Thanks again for using 2CarPros.
Danny-
Sep 10, 2018 at 11:57 AM