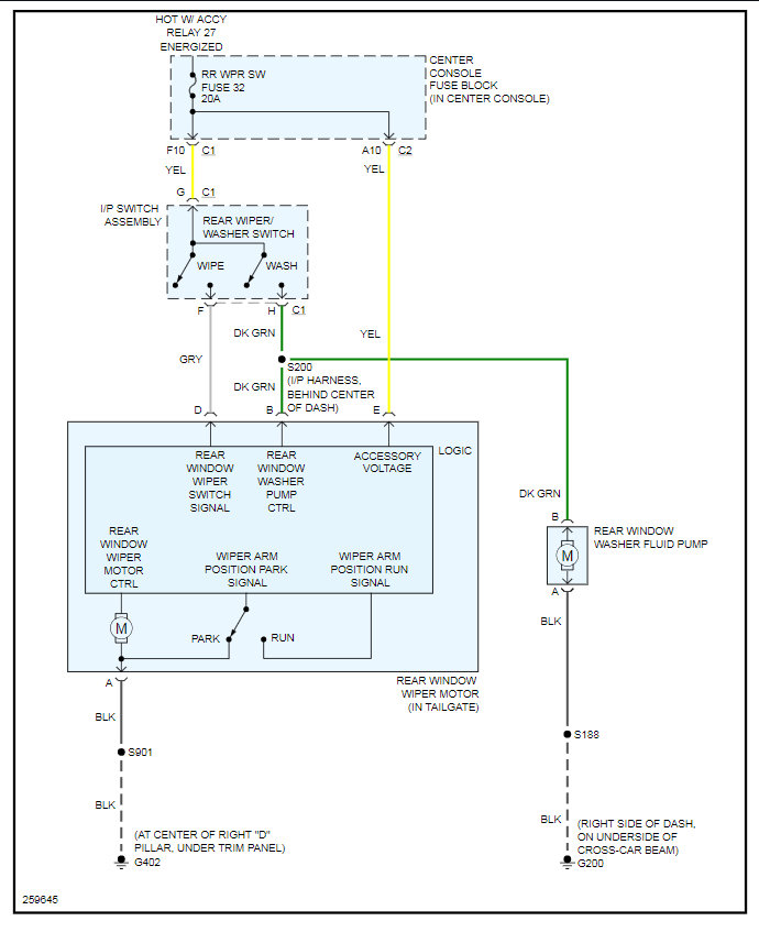
Take a look at the wiring diagram. We need to check a couple things to determine what this is. First, the fuse 32 is okay if the washer fluid is okay.
Next we need to check the power at the rear wiper motor. If you have voltage then the wiper motor is the issue. If you don't have voltage we need to check voltage coming out of the switch in the IP. If you have voltage coming out of the switch but not at the motor then you have a wiring issue.
If you have no voltage coming out of the switch then the switch is the issue.
Basically you are going through the system to find out where you have power and that will determine what the issue is.
Let me know if you have questions. Thanks
https://www.2carpros.com/articles/how-to-check-wiring
Oct 16, 2020 at 4:24 PM