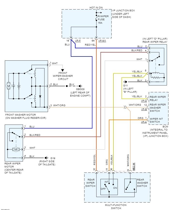
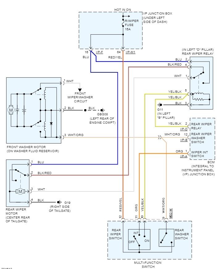
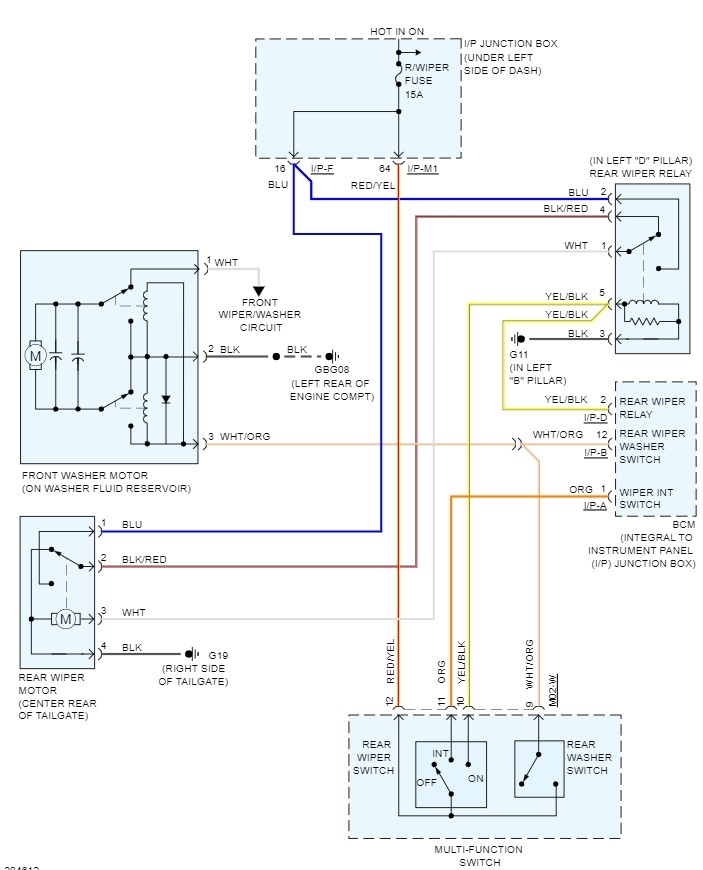
My rear wiper and washer do not work. All i know at this point is there's no power getting to the motor. Where should i start testing for this power failure?
Apr 19, 2022 at 9:07 PM
