Rear wiper not working

2001 ISUZU RODEO
150,000 MILES • 6 CYL • 4WD • AUTOMATIC
Avatar
BRUCEMC777
  • MEMBER
  • 1 POST
Bought the vehicle used about six months ago.

Previous owner tried replacing the rear windshield motor, still did not work.

Over the last six or so months the wiper "worked" three times when clicking the switch "for the fun of it". It once swept to an upright position and froze, it once swept back to the horizontal position (not "parked") and froze, and once again swept upright and froze.

I disconnected cables in the rubber tube running between the body to tail-gate door and inspected wires after removing some of the electrical tape; found one wire (green) broken and soldered it together.

Checked continuity of all wires leading from the tail-gate side connector to the windshield wiper motor, all were good.

Checked voltage on all pins of the body-side connector that had the windshield wiper motor wires (I believe they are the group that includes the brown/white wire). Whether I had the rear wiper motor switch on or off I had no difference in which pins had voltage.

I suspect either:

1) Bad cut-off switch for glass hatch closed/tailgate closed. Do not know which wires or where the switch connectors are located.

2) Bad wiper switch.

or

3) Bad control unit.

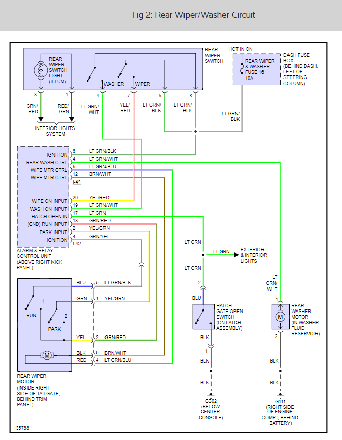
Cannot find a decent troubleshooting guide, connector pin assignment diagram, nor cut-off switch location diagram.

Can anyone assist?
Oct 2, 2017 at 9:05 AM
Advertisement
Avatar
STRAILER
  • CERTIFIED EXPERT
  • 53,854 POSTS
I would start by checking connections at the fuse (wiggle test) to see if you can get it to act up.

Here is a guide and some diagrams to help you do some testing so we can get the problem fixed:

https://www.2carpros.com/articles/how-to-check-wiring

and

https://www.2carpros.com/articles/how-to-use-a-test-light-circuit-tester

There is also a wiper control module at the right kick panel that can be going bad.

Please run some tests and get back to us.

Cheers, Ken
Oct 3, 2017 at 11:15 AM