Rear wiper not shutting off

2007 CHEVROLET SUBURBAN
197,000 MILES • 6.0L • V8 • 4WD • AUTOMATIC
Avatar
CRCESHERMAN
  • MEMBER
  • 1 POST
With ignition on the rear wiper will not shut off. It has been irregular in parking but even then it's only for a short time. Have pulled the fuse but winter weather makes it a desirable feature to work correctly.
Had it detailed in December and has had this issue since picking it up.
Feb 15, 2019 at 2:08 PM
Advertisement
Avatar
STRAILER
  • CERTIFIED EXPERT
  • 53,854 POSTS
Hello,

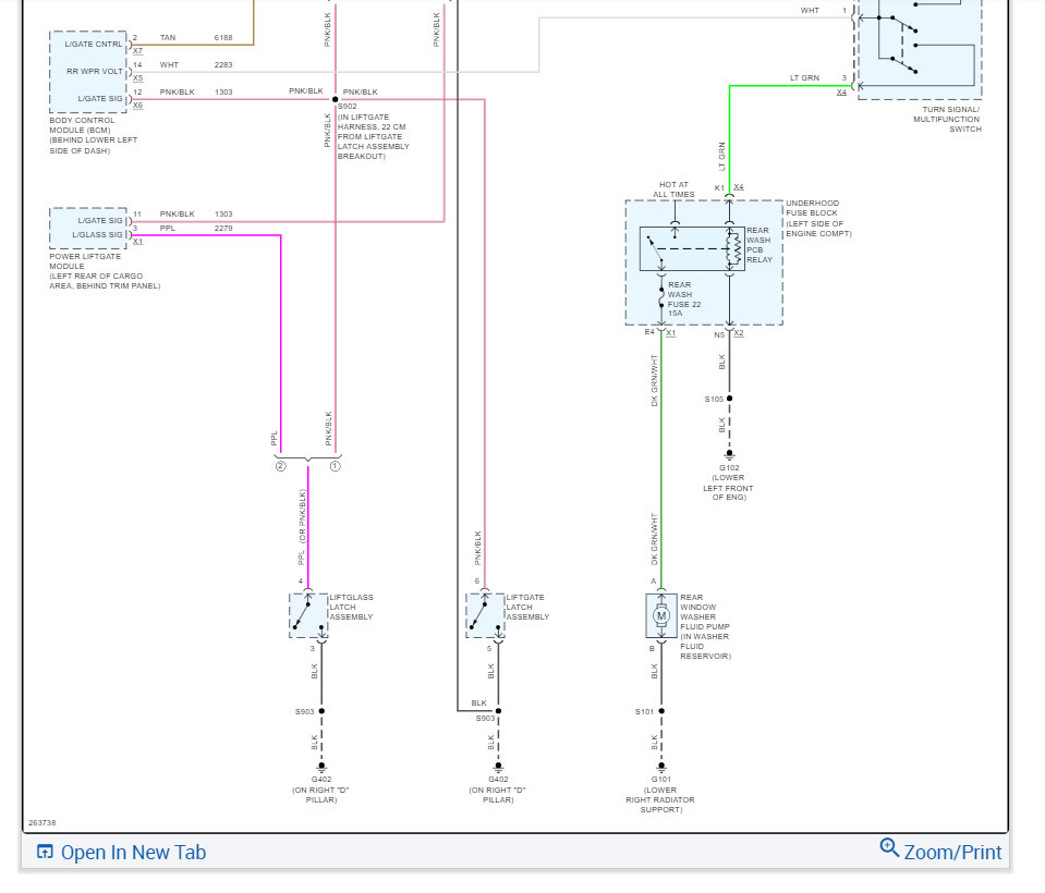
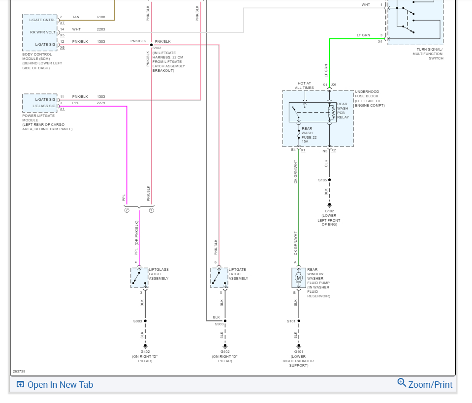
It sounds like the logic inside the wiper motor has gone bad. here is a wiring diagrams for the rear wiper so you can see how the system works. You will need to replace the rear wiper motor. I have included a troubleshooting guide as well. Check out the diagrams (below). Please let us know what you find. We are interested to see what it is.

Feb 18, 2019 at 10:53 AM