Rear windshield wiper shuts my car down

2006 CHEVROLET HHR
206,711 MILES • 2.2L • 4 CYL • 2WD • AUTOMATIC
Avatar
LIVINGCLEAN0
  • MEMBER
  • 1 POST
Car started fine, I backed up, realized my wiper was on but not by my switch. I hit button anyway to shut it off and it shut my car down. Wouldn't start without a jump. I drove 15 miles, turned my heat on and the car shut off. Wouldn't start without a jump. After that jump, my car has started every time. I can't turn anything on though. And that rear wiper is running without out being told to. My battery is good, my alternator is reading good, my fuse box seems fine and the fuses. Would you have any idea of why this can happen?
Apr 27, 2019 at 10:15 AM
Advertisement
Avatar
STRAILER
  • CERTIFIED EXPERT
  • 53,854 POSTS
It sounds like you may have two problems. first lest load test the battery by following this guide:

https://www.2carpros.com/articles/car-battery-load-test

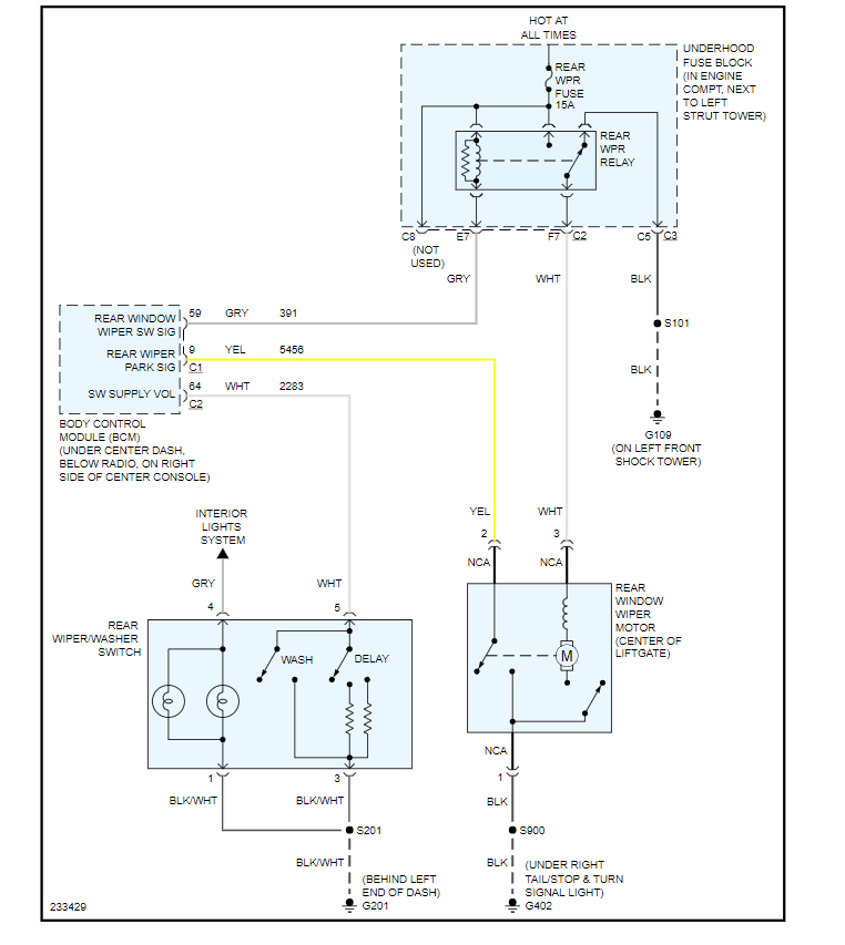
Next for the rear wiper control which is handled by the BCM which if it is going bad will cause the problem as well. Here is the location I would check it for water damage. Here is the rear wiper wiring diagrams so you can see how it works with the BCM replacement instructions. Check out the diagrams (below). Please let us know what you find. We are interested to see what it is.




Apr 29, 2019 at 12:31 PM