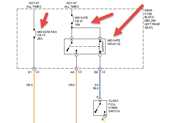
Am unable to raise the rear window. Inside sensor says rear wiper obstruction. Is there any way to disable the rear wiper sensor just to get the window up.
Mar 15, 2014 at 3:24 PM
