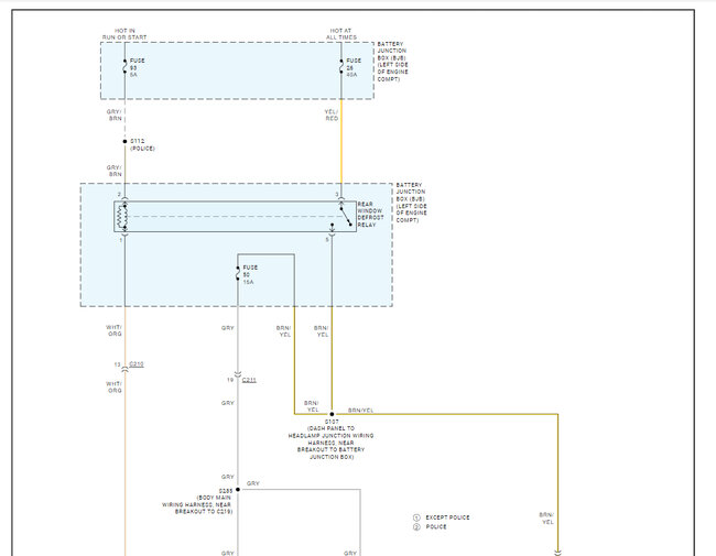
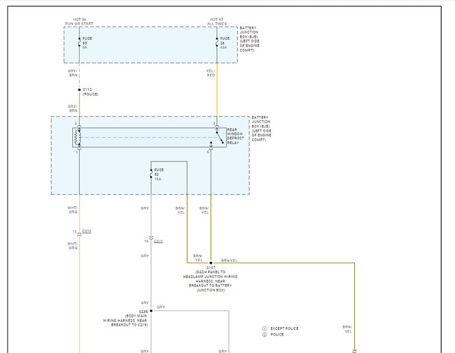
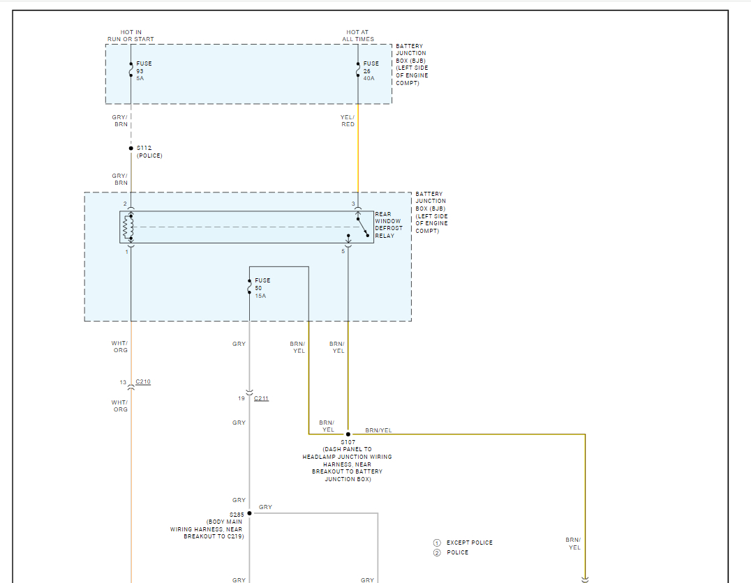
My rear heated window is not working. The fuse is good, and the element/grid has also been tested and has got correct power. The switch inside the vehicle to turn it on is also working. Am i right in thinking maybe a a bad earth/ground? i do not know where the earth is located for this issue. The is two rubber type bungs on either side at the top of the tailgate left side and right side. Could i use a test light for this? As i am a novice that is all i have. many thanks in advance.
The vehicle listed above mk5.
The vehicle listed above mk5.
Jan 21, 2024 at 12:43 AM

