Rear window defogger not working?

2005 HYUNDAI TUCSON
230,000 MILES • 2.0L • 4 CYL • 2WD • AUTOMATIC
Avatar
BDAB68
  • MEMBER
  • 35 POSTS
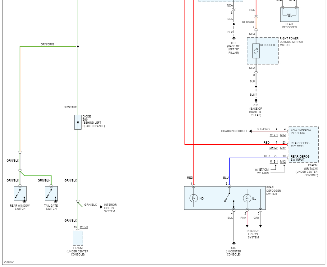
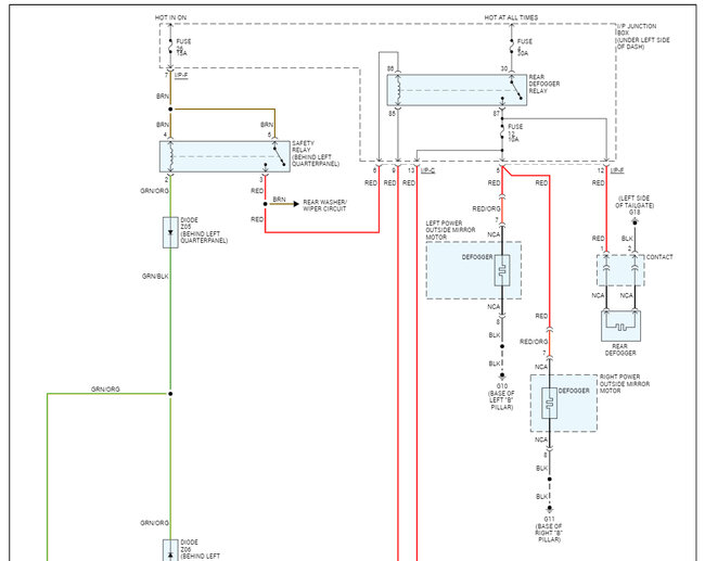
I have an issue with the rear defogger not working. If the button inside was pressed enough eventually it would turn on. Or so it seemed. I was certain the switch was bad, so I replaced it with a new OEM switch. After installing it I still can’t get it to activate. Well, the switch doesn’t illuminate so I assume it’s not working. I’ve checked all the fuses I can see that would relate to this and they all look fine. I couldn’t find a relay for the rear defogger. My shop manual says it has one located on the passenger side compartment. I’ve looked everywhere but don’t see what they are referring to. I do see one located on the driver side for the front windshield defogger. I pulled it and tested it. It worked fine and I have continuity when powered. So, I put that back in. I’ve searched everywhere and can’t find a solution. Other Tucson owners from 09-12 claim the relay for the rear defogger isn’t serviceable and soldered to the board. My manual begs to differ, but I can’t find the one they are referring to. So here I am hoping one of you geniuses can help me out. I really appreciate anything you can offer. I enclosed a photo of what my manual shows. Let me know if yours has anything different. Thank you.
Nov 19, 2023 at 7:53 PM
Advertisement
Avatar
STRAILER
  • CERTIFIED EXPERT
  • 53,854 POSTS
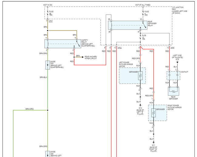
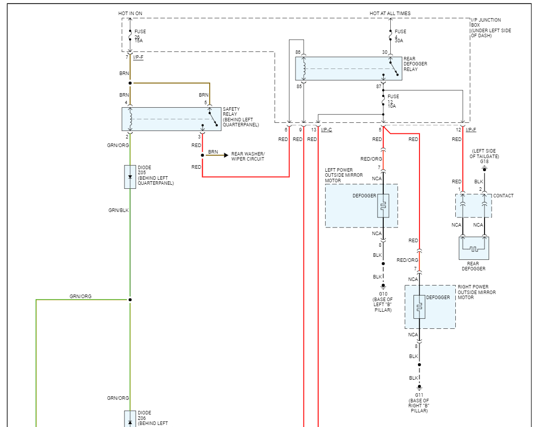
Usually, on the left side of the dash there is a fuse panel that holds the relay and the three fuses that run system # 26 ,4 and 12 that we should check the condition and to see if they have power when the key is on. This guide can help:

https://www.2carpros.com/articles/how-to-check-a-car-fuse

Here is the rear window defogger wiring diagrams so you can see how the system works and the locations of the fuses and relay in the images below. Check out the images (below). Let us know how it goes.
Nov 20, 2023 at 7:41 AM
Avatar
BDAB68
  • MEMBER
  • 35 POSTS
Thank you for that. So, all the fuses are good. I tested each one with a multi meter. I did notice the 30-amp fuse I believe it’s fuse 2 not 12 has constant power even with the vehicle off and keys out of the ignition. Is that normal? The rear defogger relay isn’t serviceable. Hyundai thought it was a good idea to solder it to the board. So, I can’t test it. However, I don’t hear anything clicking when I hit the button. The rear wiper works so the back is getting power. From what I see on the diagram is the switch completes a circuit by connecting it to a ground. So possibly my issue is a bad ground to the switch. What are your thoughts? How would you suggest I proceed with this diagnostics? Thank you again for your help with this. Electrical issues are a real head scratcher to me.
Nov 20, 2023 at 9:03 AM
Advertisement
Avatar
STRAILER
  • CERTIFIED EXPERT
  • 53,854 POSTS
No, that is not normal for fuse #12 to have power, it should only have power when the rear defroster is on. So, it sounds like the relay is stuck on which can happen. So, if the #12 has power like you say then the inductor light on the rear defogger switch should be on?
Nov 21, 2023 at 11:03 AM