Doesn't work, not sure but the side view heated mirrors may not be working as well bc there was snow on them that didn't seem to go away after 15 minutes of driving.
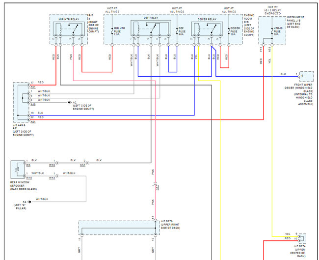
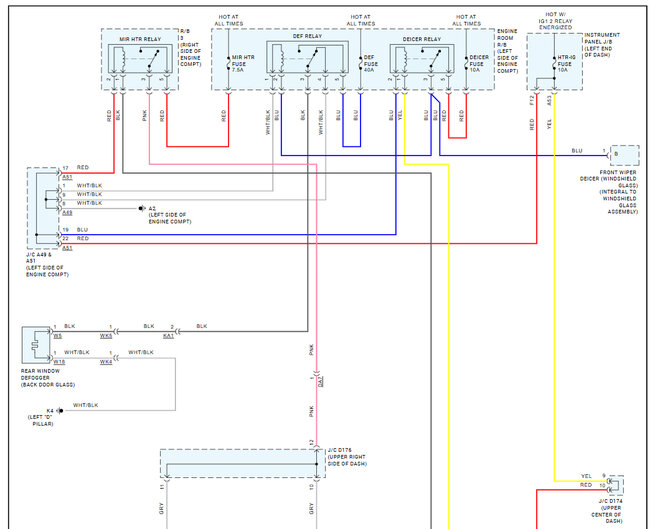
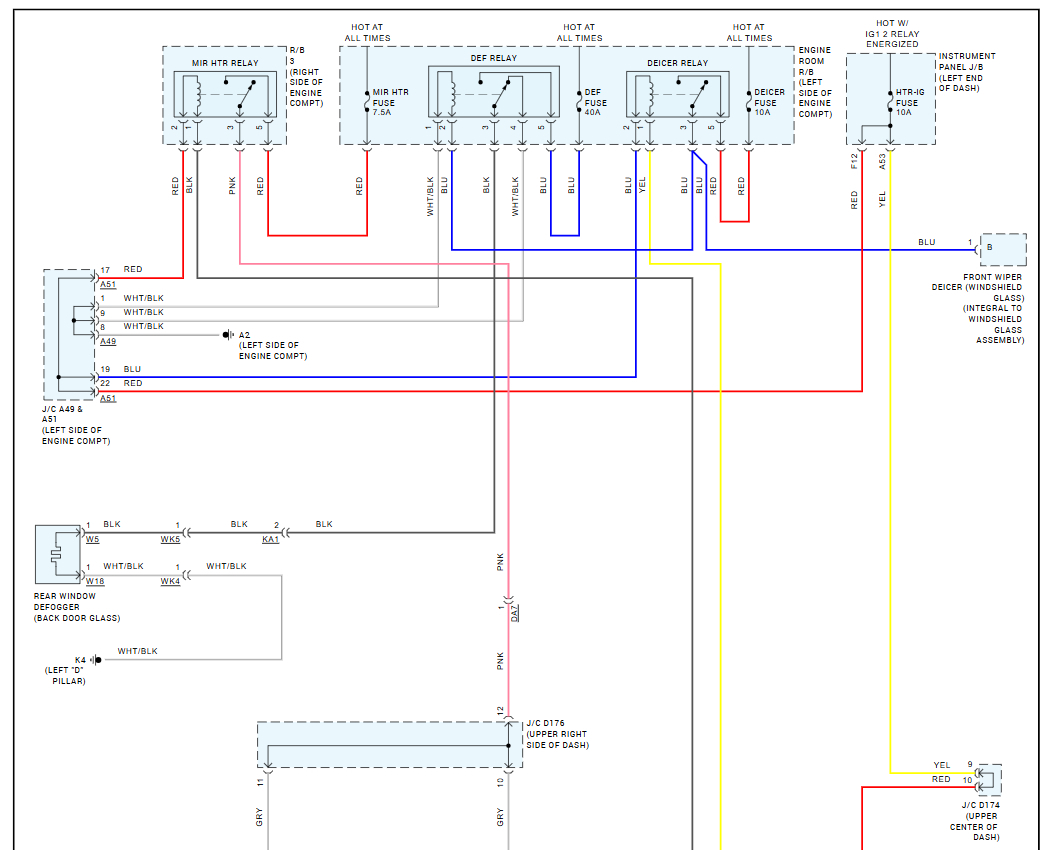
When the rear defogger button is pressed, it lights up, but I never see any defrost action at the rear window. The defrost grid seems to be intact. Tried looking for a fuse /relay diagram in my owners manual, but could not find anything. Checked the web but got some conflicting info as to which fuse and or relay controls the system. I am pretty good electronically, so if anyone can share insight or a schematic, it would be most helpful. Thanks!
When the rear defogger button is pressed, it lights up, but I never see any defrost action at the rear window. The defrost grid seems to be intact. Tried looking for a fuse /relay diagram in my owners manual, but could not find anything. Checked the web but got some conflicting info as to which fuse and or relay controls the system. I am pretty good electronically, so if anyone can share insight or a schematic, it would be most helpful. Thanks!
Dec 31, 2025 at 12:02 PM

