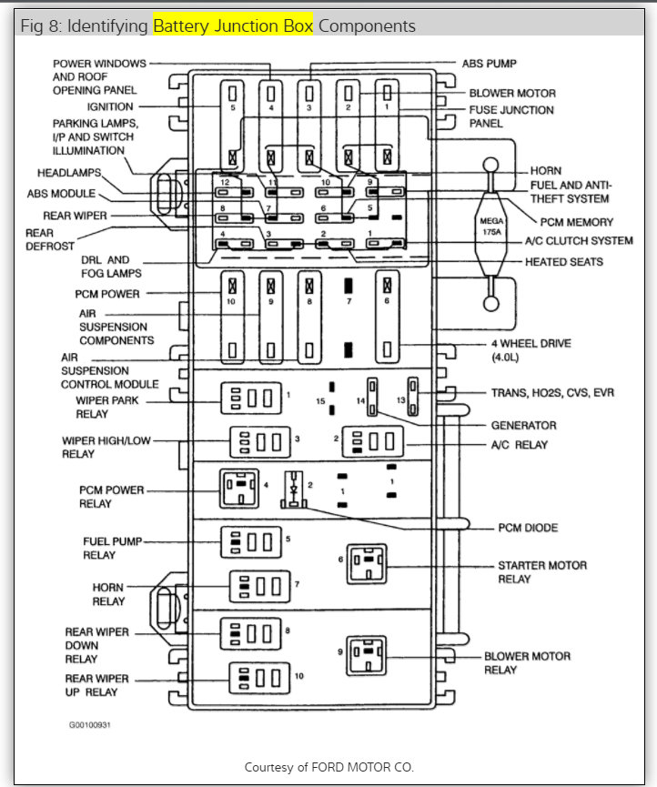
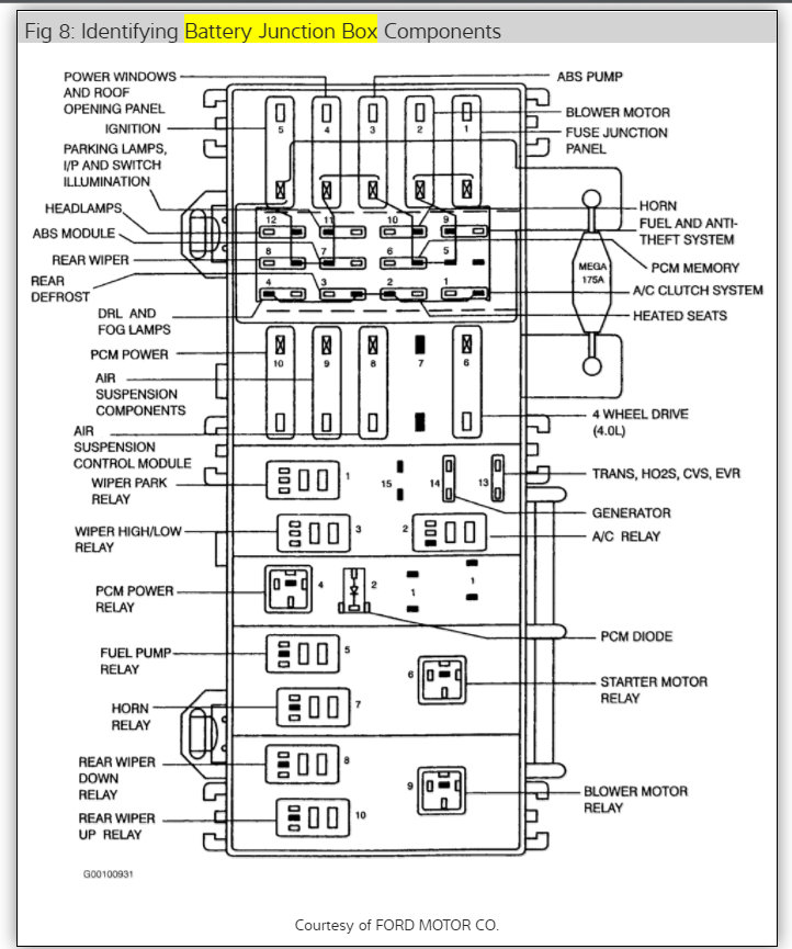
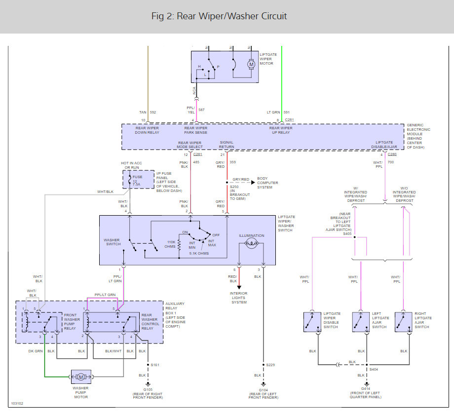
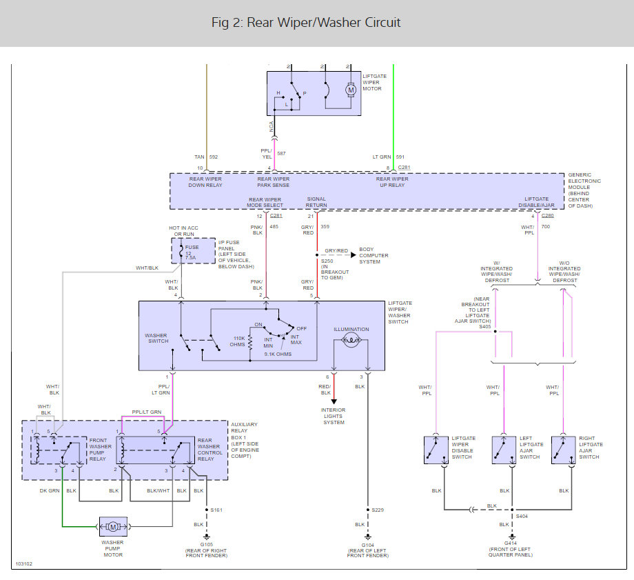
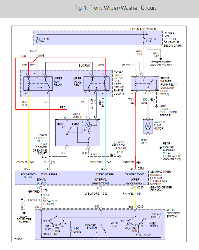
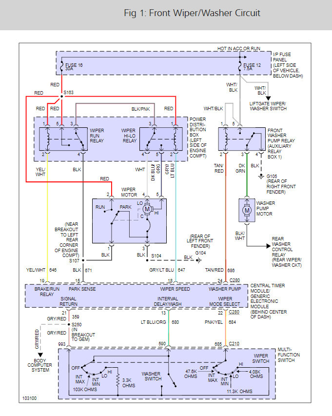
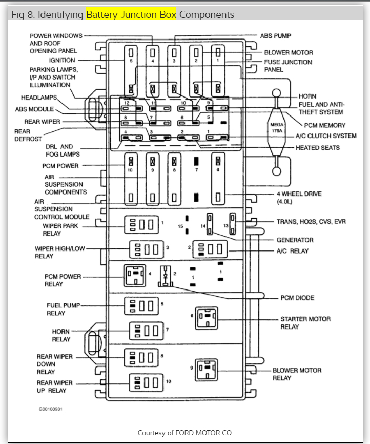
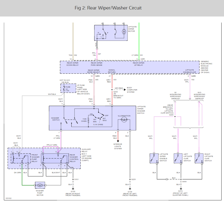
Front wipers and pump works. Pulled and cleaned wiper relays number 7317. Switched front relay with back relay on left side of relay box located under top radiator hose. No change. Rear pump cannot be heard when switch is pushed in for washer fluid. Checked number twelve fuse. It is okay. The rear wipers are working.
Is the culprit a bad switch? If so, how to test and replace? Thanks.
Is the culprit a bad switch? If so, how to test and replace? Thanks.
Nov 3, 2017 at 7:02 AM













