The reverse camera stopped working and I used Forscan to scan for DTC's and found C1001:01.
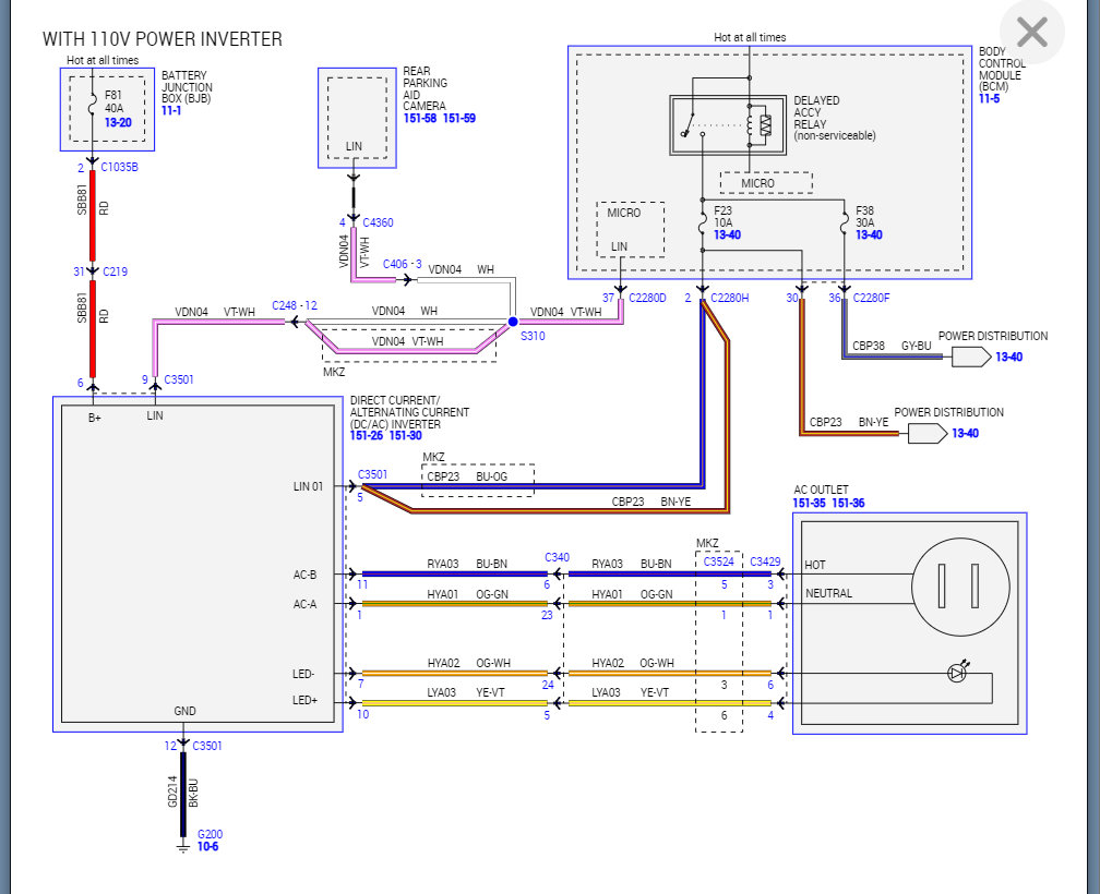
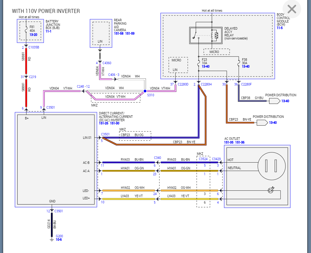
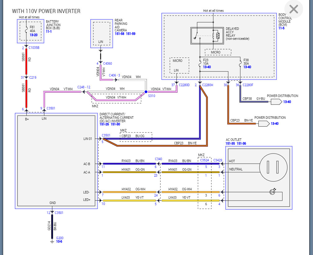
I started working my way down the service manual and checked the LIN network circuit for a short to voltage by disconnecting BCM C2280D, with the ignition on I measured plug C4360 pin 4 and there's 10 volts present. The repair manual states that I need to repair the circuit. How and where do I even start?
I started working my way down the service manual and checked the LIN network circuit for a short to voltage by disconnecting BCM C2280D, with the ignition on I measured plug C4360 pin 4 and there's 10 volts present. The repair manual states that I need to repair the circuit. How and where do I even start?
Nov 24, 2021 at 6:40 PM














