Ater replacing the backup camera the rear turn signal stays on solid with car off

2014 DODGE JOURNEY
78,888 MILES • 3.2L • 6 CYL • AUTOMATIC
Avatar
RICK JARVIS
  • MEMBER
  • 1 POST
Replaced back up camera and when I was done turn signal stays on. Disconnected camera and no change.
Jan 8, 2022 at 2:29 PM
Advertisement
Avatar
JACOBANDNICKOLAS
  • CERTIFIED EXPERT
  • 110,175 POSTS
Hi Rick, when you installed the camera, where was the wiring located? I ask because there are many variations to aftermarket backup cameras.

Also, when you say the signal stays on, do you mean it flashes, one of the exterior lights stays on or exactly what is happening?

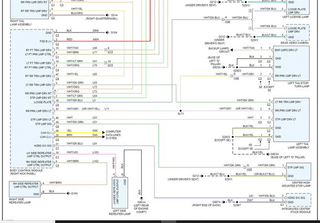
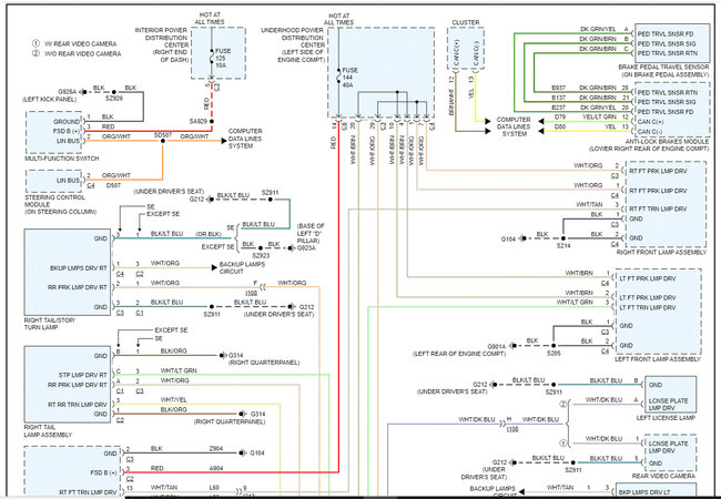
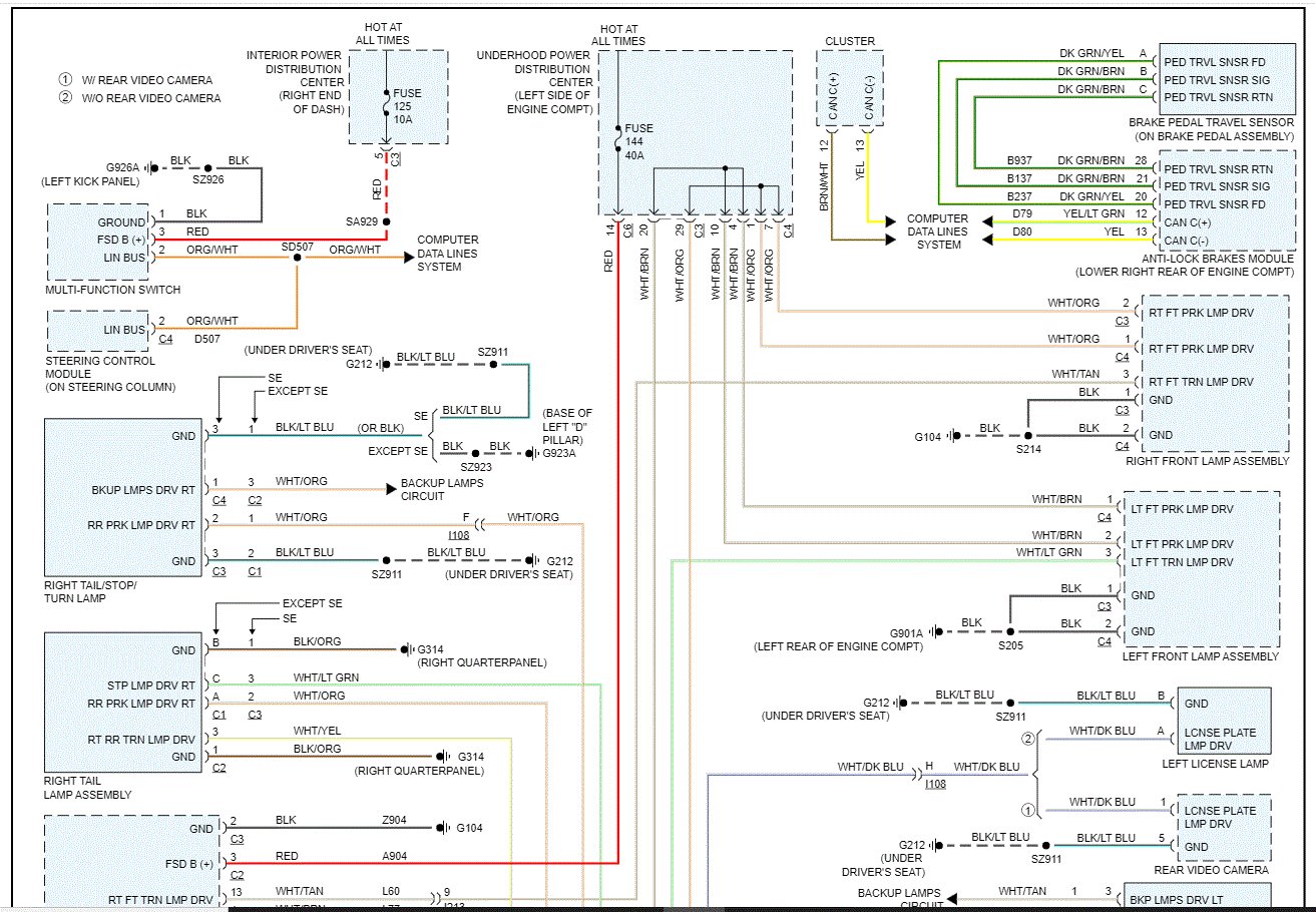
I attached the wiring schematic below for the exterior lighting circuits for your review. At some point, we have a short to power keeping the light or lights on. Take a look at it and let me know if you recognize the wiring that was involved with the camera installation.

Take care,

Joe

See pics below. Note: I had to cut the schematic below in half to make it readable for you. I did overlap them so you can follow from one to the next.
Jan 9, 2022 at 7:59 PM