rear emergency flashing lights and turning lights not working

2013 FORD EDGE
86,000 MILES • 6 CYL • 2WD • AUTOMATIC
Avatar
LELI1987
  • MEMBER
  • 1 POST
However, the front ones do work. I have changed the signal switch but that did not fixed the problem. What can I do?
Apr 8, 2019 at 5:37 AM
Advertisement
Avatar
KASEKENNY
  • CERTIFIED EXPERT
  • 18,907 POSTS
Hi Leli1987,

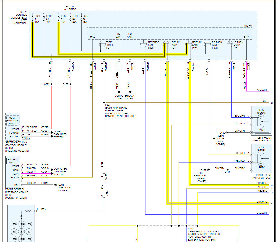
Sounds like you don't have power to these lamps. The rear flashers and turn signal are the same bulb so the fact that neither lamp works with either function makes me go to a control module or wiring issue.

The switch that you replaced and the hazard switch are called BUS inputs to the Body Control Module (BCM). This means when you press those switches, it sends a signal via the CAN bus system to the control module that the driver wants to turn the lamp on. The control module then applies the appropriate voltage to that circuit in order to accomplish this task.

Based on this, I would suggest measuring the circuit voltage for the lamps to try and isolate where the issue is.

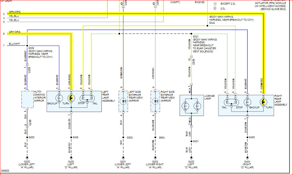
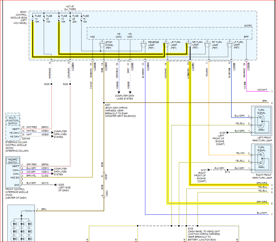
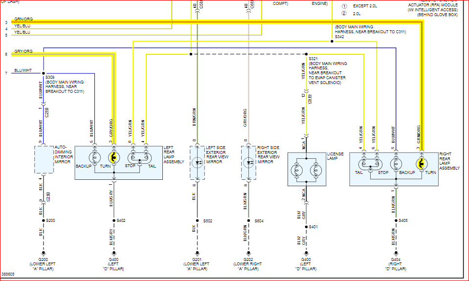
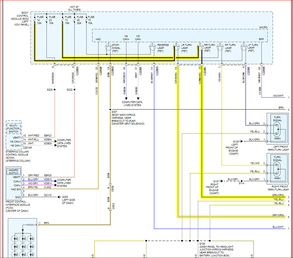
I would start at fuse 13 and 14 located of the BCM in the left kick panel. I will assume that these are ok because they are the same fuses for the front lamps and they work. So once you measure your voltage there and know what it should be, you want to work your way through the system until you find you don't have that same voltage.

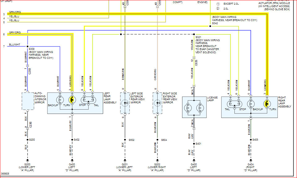
The best way to save time is to measure it at your fuses then jump back to the lamps themselves. So after you measure your fuse voltage, make sure the flashers are turned on and then go measure your voltage at the lamps that do not work. If you do not have the voltage at your lamps then your issue is between the fuse and the lamp. Then start narrowing it down by measuring voltage in between these two spots. It looks like there are no inline connectors so go back to the BCM and measure it coming directly out of the BCM on PIN 14 and 15. If you have voltage here then there is a wiring issue between the BCM and lamps. If you don't have voltage here then the BCM is the issue.

Here are some articles that will assist with doing this type of testing:

https://www.2carpros.com/articles/how-a-car-electrical-system-works

https://www.2carpros.com/articles/how-a-car-fuse-works

https://www.2carpros.com/articles/how-to-use-a-voltmeter

https://www.2carpros.com/articles/how-to-check-wiring

Please reach back out if you have questions about this or update me with any results and I will be happy to assist further.
Apr 8, 2019 at 9:30 PM