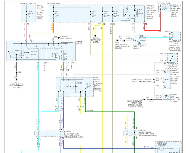
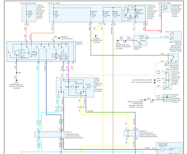
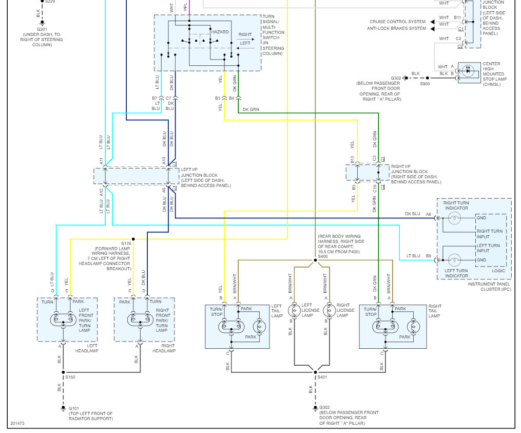
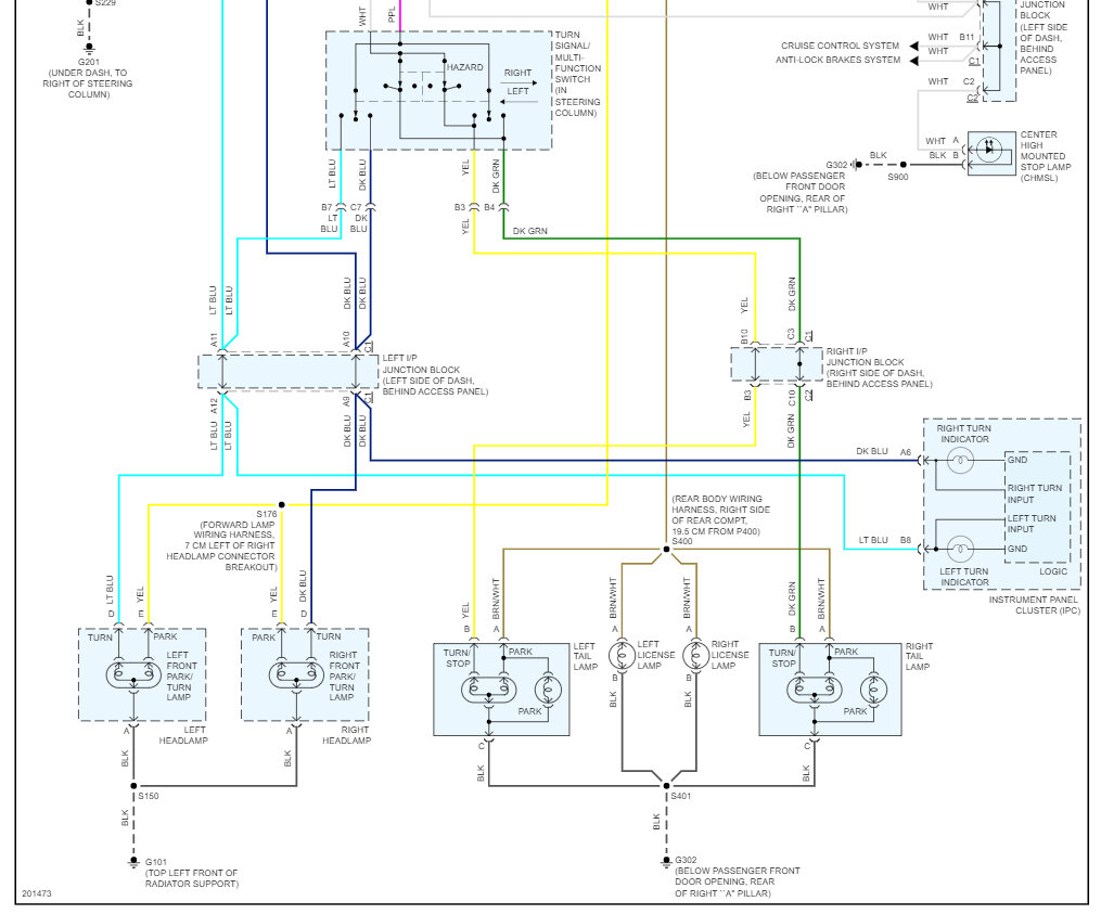
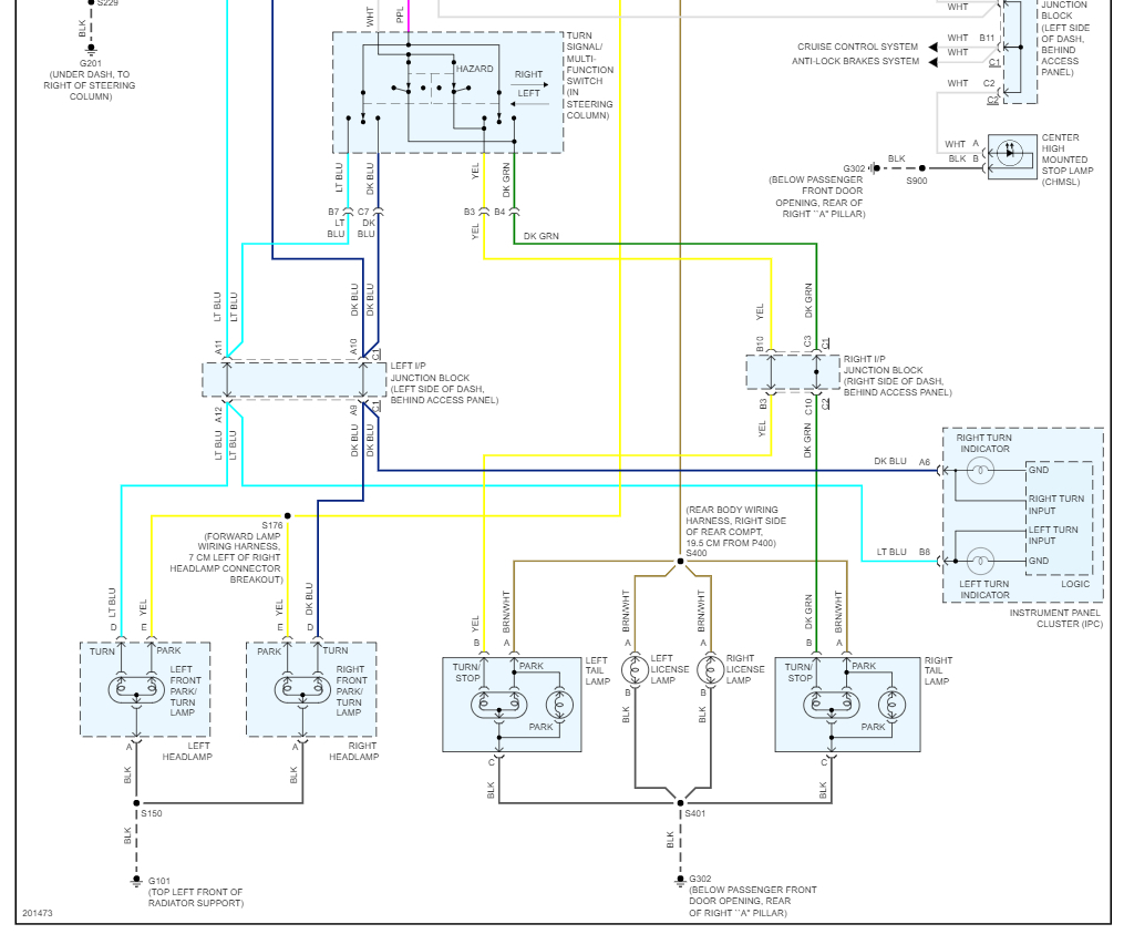
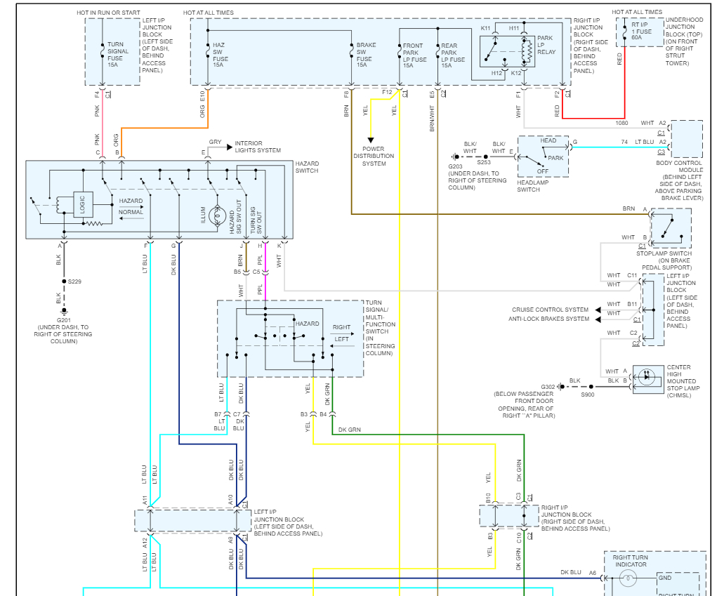
I have changed the ignition switch, the hazard switch, and the brake light switch and also the light switch and they are still on, initially when this happened I noticed that they were on after I shut the car off and it drained the battery, it wouldn't start and my gas gauge said empty and my lights were flashing no fuel and security and service vehicle, (not the check engine light) in addition the starter didn't click when I tried to jump start it. I had almost a full tank of gas, so I knew the fuel pump and starter didn't fail at the same time. I was able to touch the battery terminals together and drain the capacitors in the computer and I was able to clear it out and it restarted and ran normal, except the tail lights don't shut off when I turn the car off... they are even on during the day... what is confusing is when I brake, the light gets brighter... so I'm thinking the brake switch works, even thou I replaced it, so it's like the tail lights... intensity is on all the time.. The confusing part is the center, cyclops brake light is on too. Any clue what this could be? A bad ground? I could see if they didn't turn on. but not shutting off? Do you think it could be a bad circuit in the body control module...I'm suspecting it might be, because of the security issues I initially had, before I cleared the computer. Could someone scan the car and find the problem?
Mar 29, 2023 at 9:56 PM






