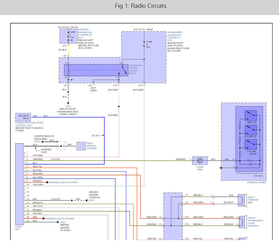
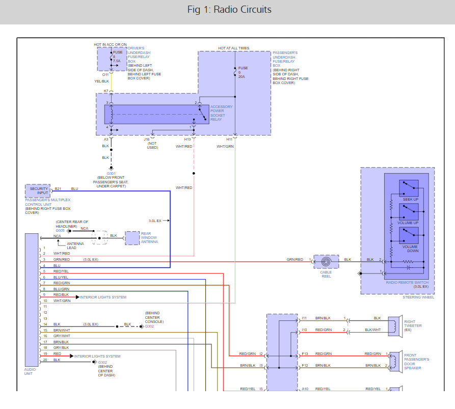
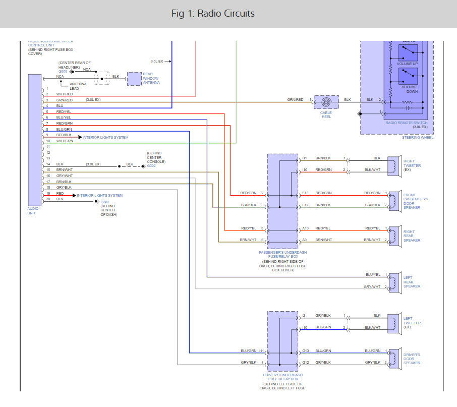
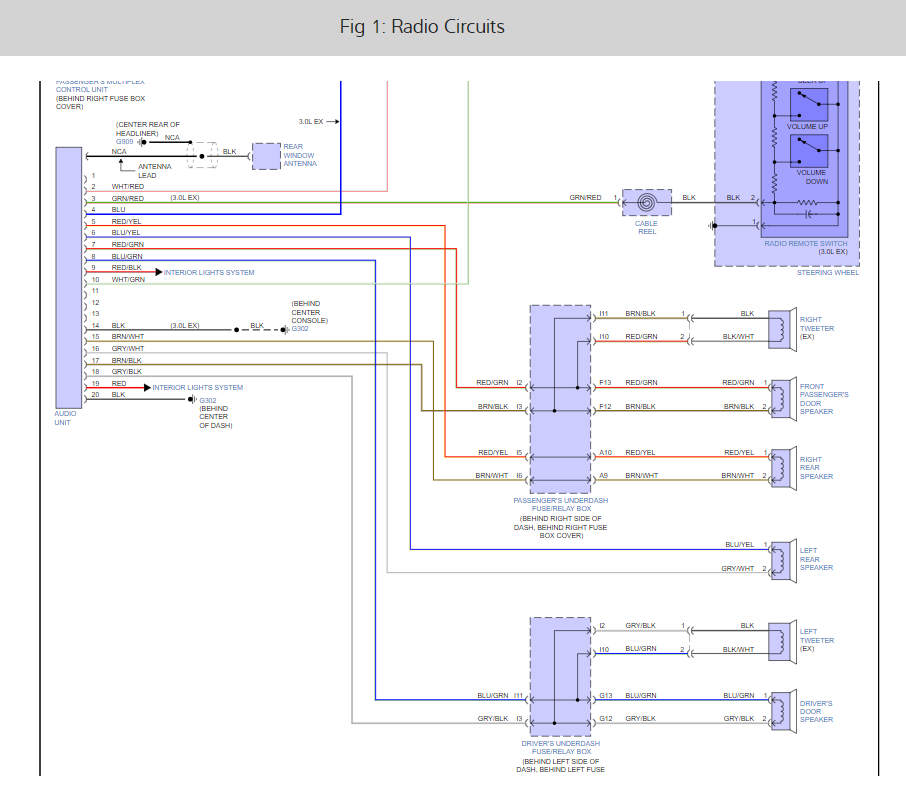
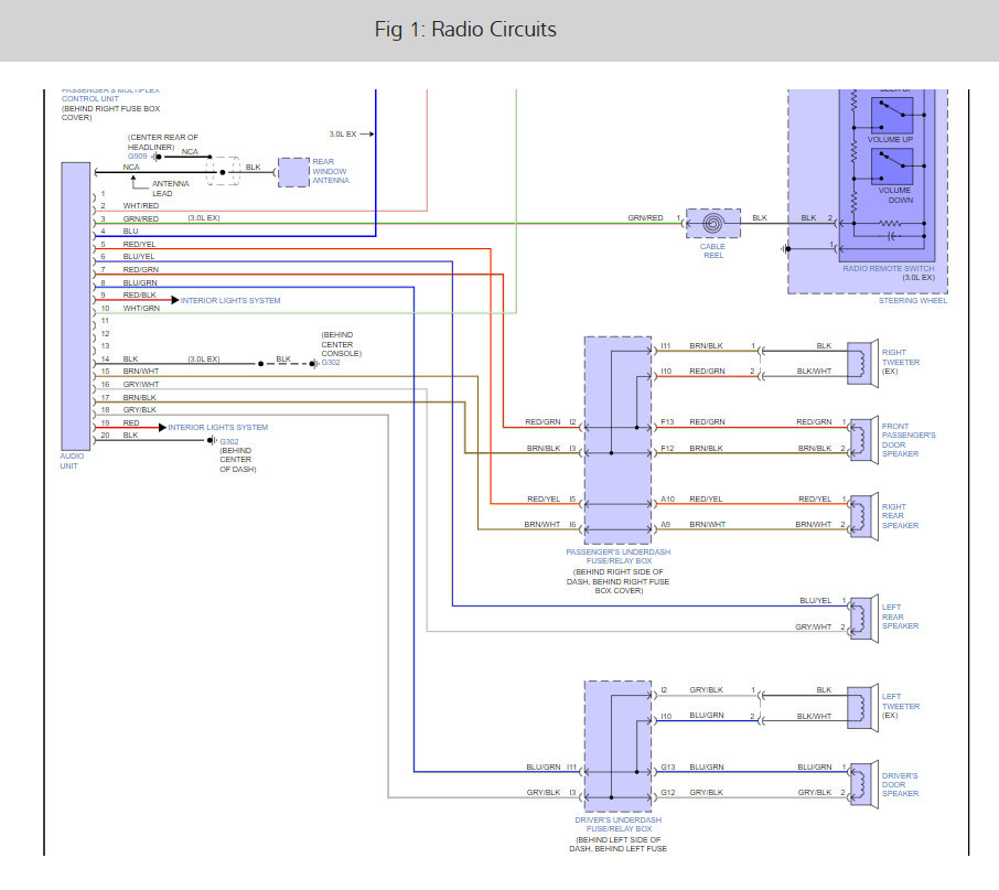
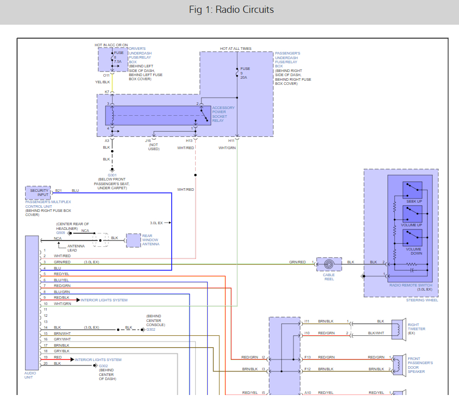
So, my rear speakers aren't working, and they're plugged, and the speakers are new. So, I was wondering if there was maybe a crossover in between the deck and the rear speakers that comes stock with the car listed above. Could you please help? thank you
Apr 12, 2023 at 9:42 AM

