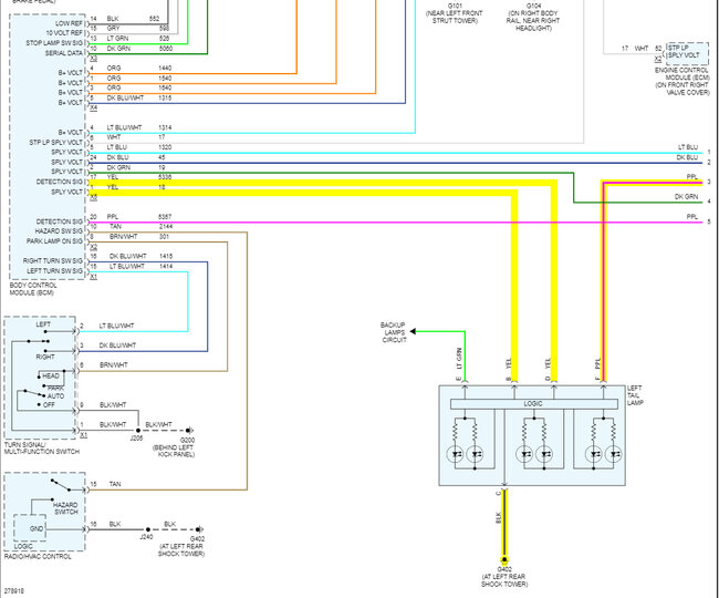
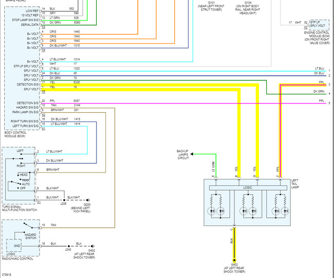
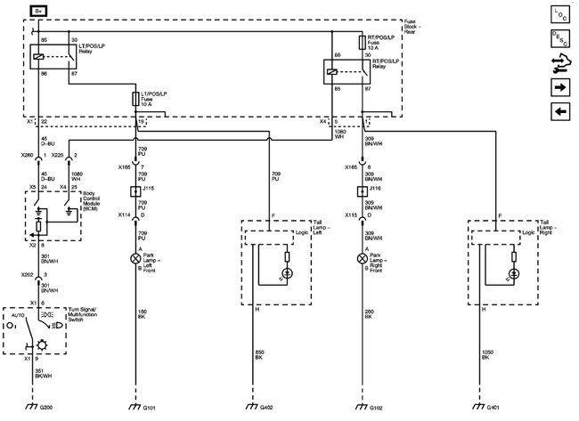
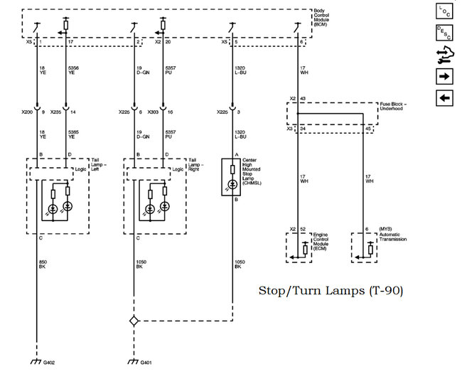
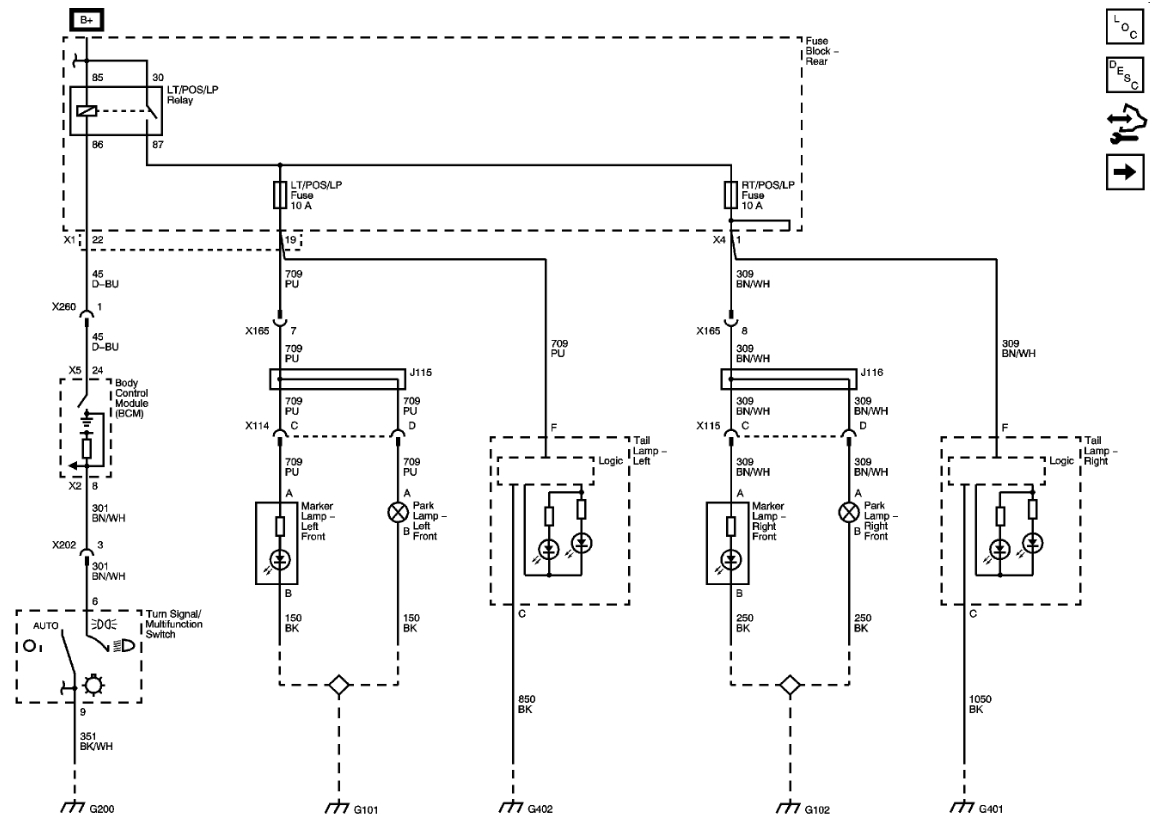
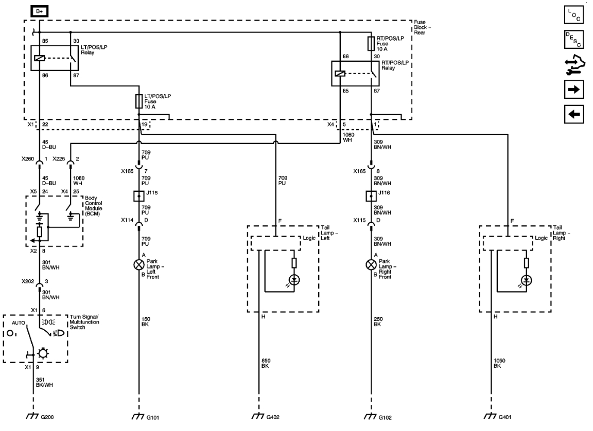
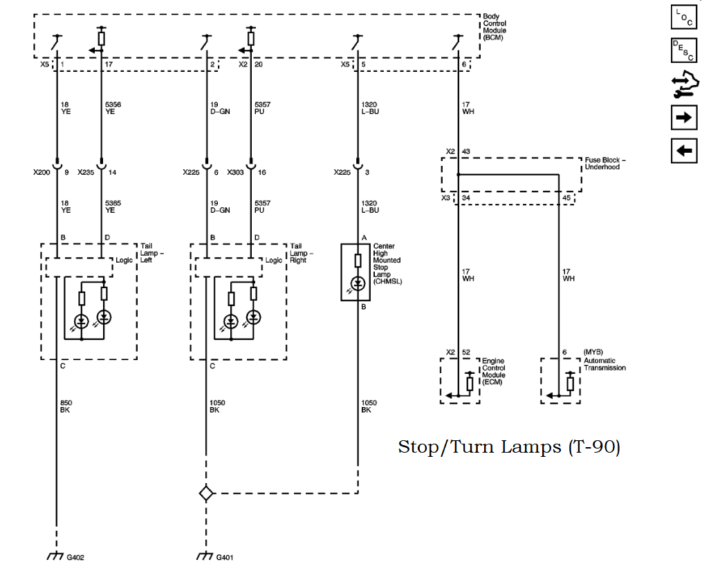
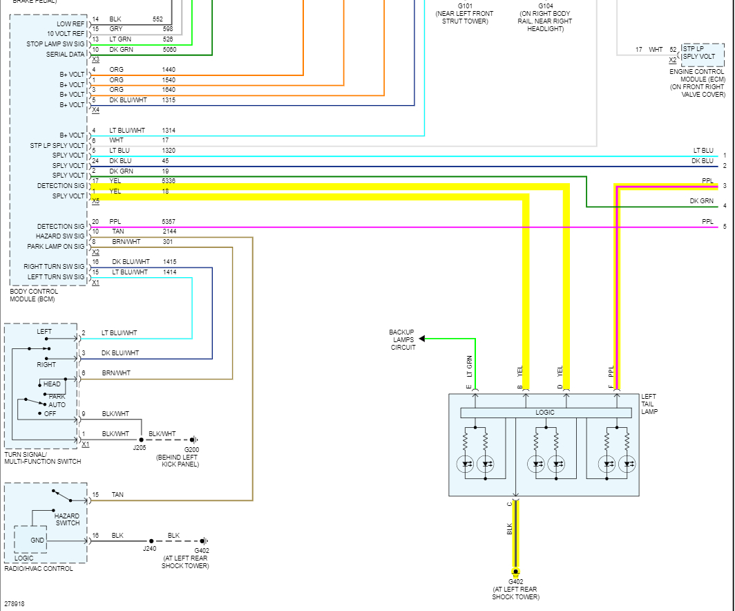
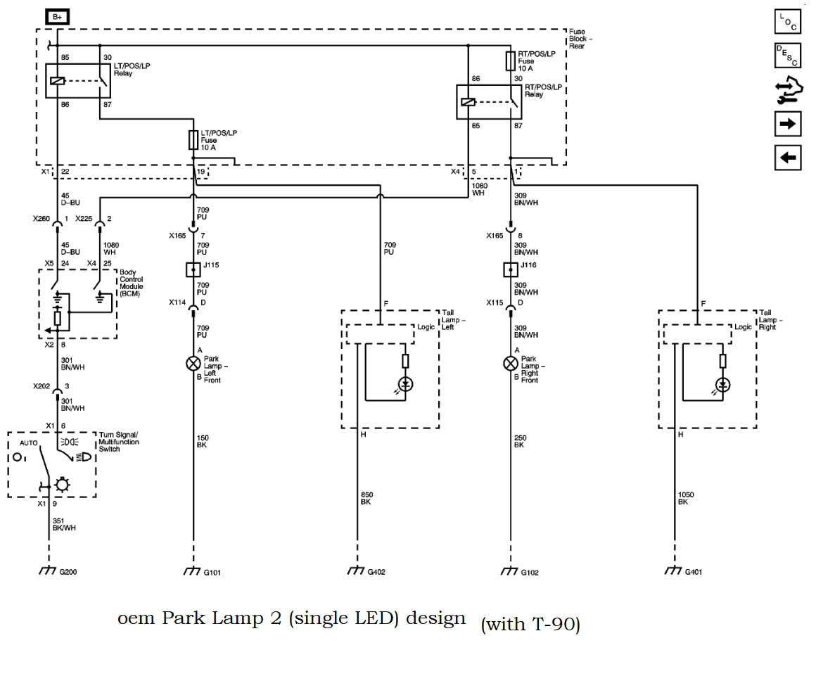
I have the car listed above cts4. I am having trouble fixing the problem with the rear running lights not working on the right and left side. The brake lights work, the reverse lights work, the turn signals work. I have checked the taillight plug connector it is getting power constant power on pen one bottom left and power to the third pin over on the bottom which is the brake light power when brake is pressed in passenger side connector same with driver side, I did the same checks on both sides. I have manually tested the led taillights to check if the taillight LEDs were not working. They all light up as normal. I have checked all the fuses and relays as best I could to the information, I could find online that seemed to pertain to the rear taillights. I am not too familiar with Cadillac I will admit I have way more experience with Japanese car brands. But the basics are the basics.
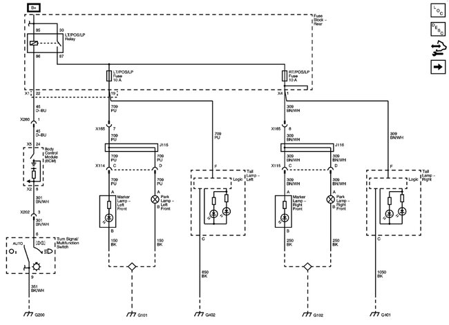
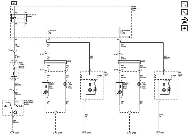
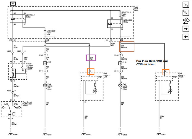
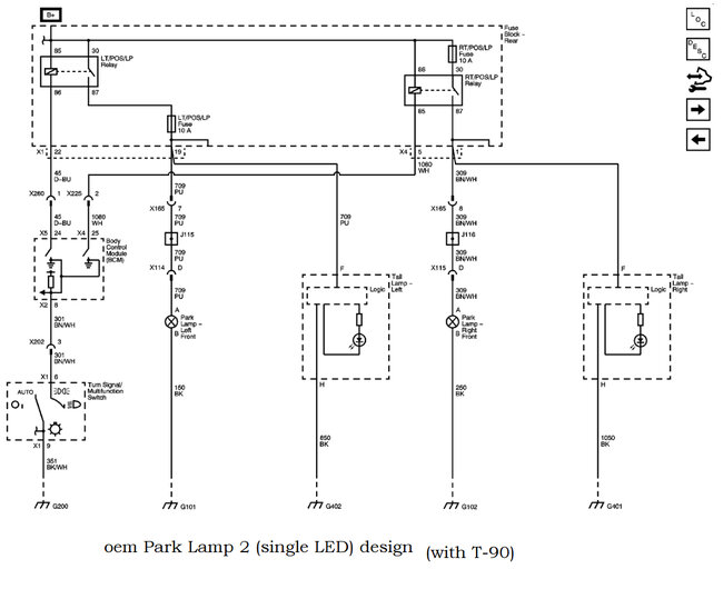
I have done a quick check of the ground wires directly coming from the taillight plug connector and the wires coming from the trunk lid as that is a common place for broken ground wires. I assume since there is only on plug to the rear tail lights and it’s not the LEDs themselves and there is power going to the connector that the issue must be a bad ground or broken ground somewhere I just don’t have the information I need to check correctly elsewhere.
I have done a quick check of the ground wires directly coming from the taillight plug connector and the wires coming from the trunk lid as that is a common place for broken ground wires. I assume since there is only on plug to the rear tail lights and it’s not the LEDs themselves and there is power going to the connector that the issue must be a bad ground or broken ground somewhere I just don’t have the information I need to check correctly elsewhere.
Sep 23, 2023 at 11:18 PM































