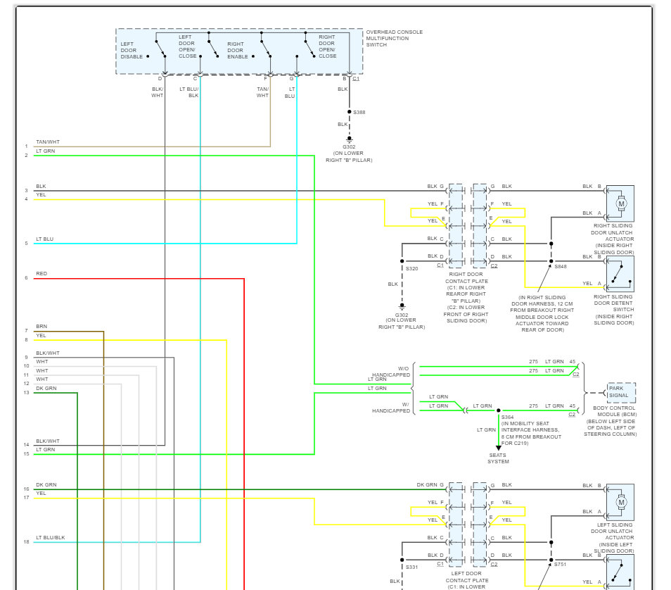
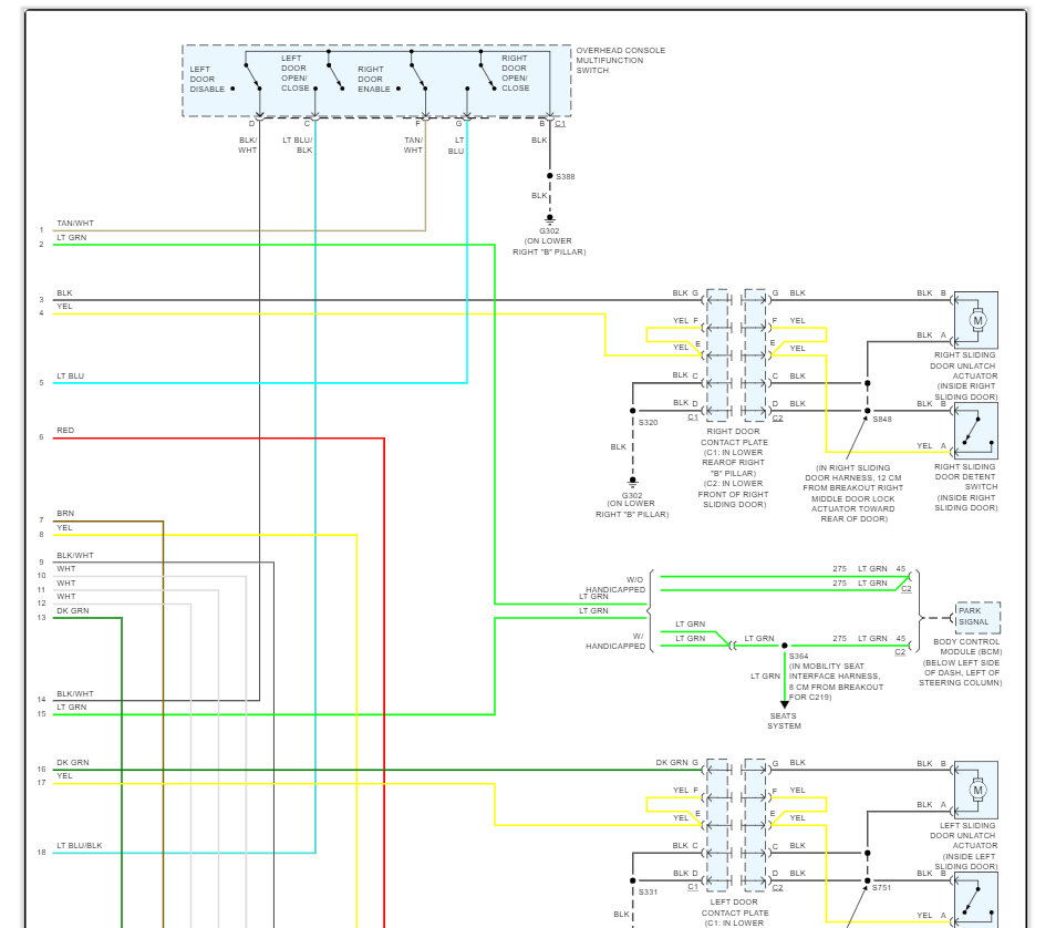
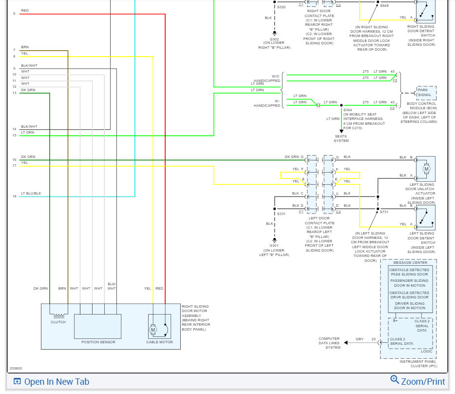
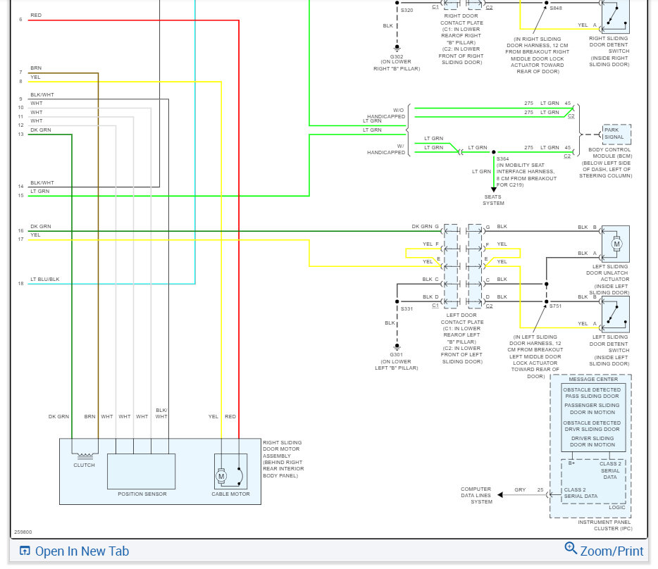
When I picked up the car the driver side rear door also did not work and was dinging like the door was open. but after cleaning the contacts that seemed to resolve that problem and the door will open and close. However, the issue remains with the passenger rear door. They are telling me that I need to replace the power control module and that it's not related to them changing out the battery. The doors worked fine before the battery was changed out. Could this be a result of changing out the battery improperly?
Feb 16, 2019 at 7:03 AM












