None of the rear lights are working

2003 CHRYSLER PT CRUISER
80,000 MILES
Avatar
CATHERINE SUAREZ
  • MEMBER
  • 1 POST
Check fuses all are okay.
Jan 14, 2020 at 3:45 PM
Advertisement
Avatar
ASEMASTER6371
  • CERTIFIED EXPERT
  • 52,796 POSTS
Good morning,

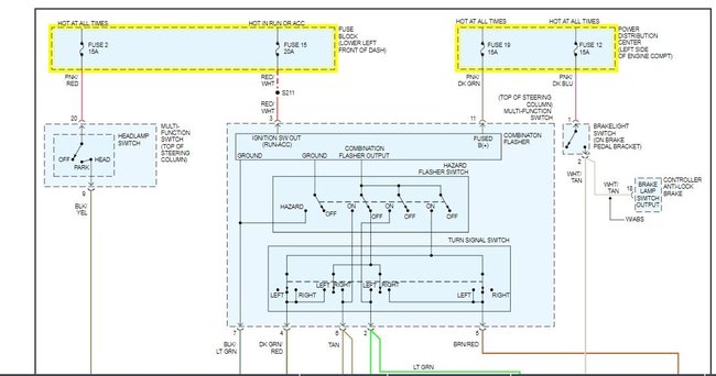
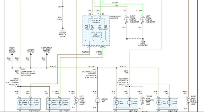
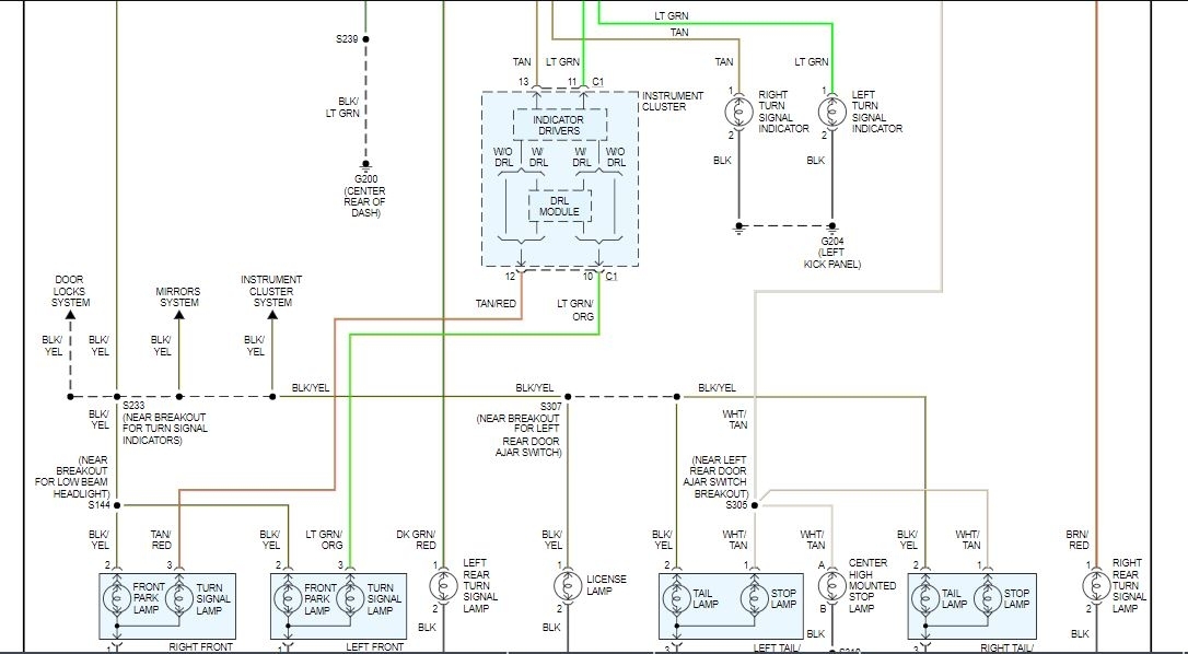
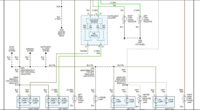
I attached a diagram for you of the circuit.

You need to check the fuses for voltage to be sure power is available to the multifunction switch for turning on the lights.

https://www.2carpros.com/articles/how-a-car-fuse-works

Use a test light to check for voltage.

https://www.2carpros.com/articles/how-to-use-a-test-light-circuit-tester

Roy
Jan 15, 2020 at 4:43 AM