Blower motor not working?

2011 CHRYSLER TOWN AND COUNTRY
70,000 MILES • AUTOMATIC
Avatar
LIZT518
  • MEMBER
  • 1 POST
The heat is not blowing out when I turn the heat on, but the front works. I can’t figure out why.
Jan 18, 2019 at 7:28 AM
Advertisement
Avatar
JACOBANDNICKOLAS
  • CERTIFIED EXPERT
  • 110,175 POSTS
Hi and thanks for using 2CarPros.

First, check to make sure the fuse for the rear fan motor is good. It is located in the power distribution box under the hood of the vehicle. It is J12. See the attached pictures.

Here are a few links that may be helpful:

https://www.2carpros.com/articles/how-to-check-a-car-fuse



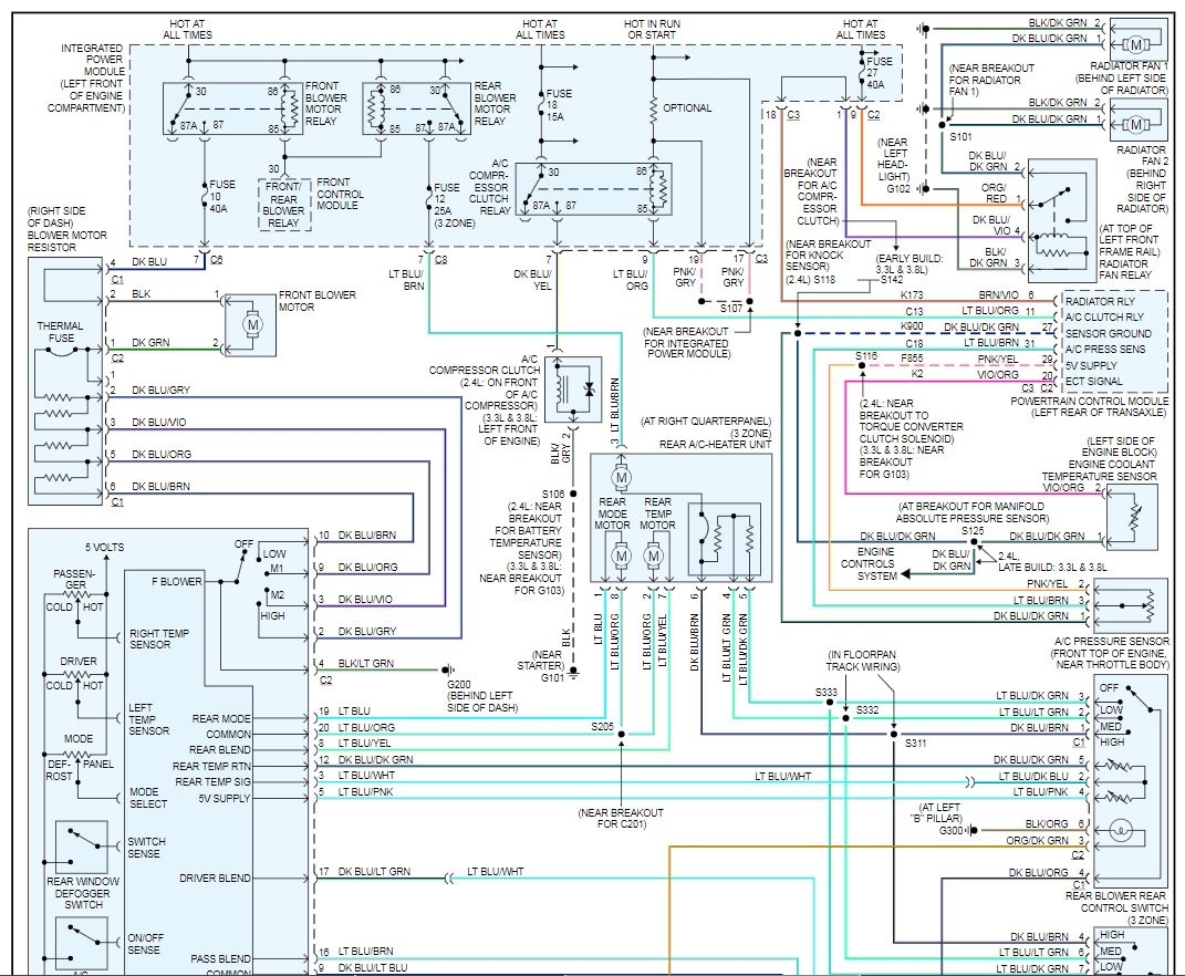
Check out the diagrams (Below). Please let us know what happens.
Jan 18, 2019 at 9:15 PM
Avatar
RUTZ24
  • MEMBER
  • 3 POSTS
The blower fan stop today, the rear fan still work with both the front and rear controls. The front blower fan will not work. I suspected that it might have went bad as it was making louder noise than usual.

I did check the fuse for the blower (J15) I believe, it was still good.

I got a new blower and before removing the old blower I just plug the new one in. the new blower did not work either. I test the new blower by running it off the battery . everything work there too.

I replaced the blower motor resistor module that also did not fix the problem.

When I unplug the motor, the dark blue wire has twelve volt on it when the car is in the on position, and the fan selector is in any position other than off. with it plug in I do not see any voltage on the dark blue wire until the fan selector switch is in the off position.

I have even tried to jumper the blower fan out. I found the dark blue wire with yellow strip on the blow fan went to the resistor module. I unplug the resistor module and jumper the dark blue with yellow strip wire to ground and still nothing.

the only other thing that has me confused is that all of the wire diagrams show the resistor module with five wires. Mine has only four, both old and new resistor module.

Not sure where to go right now.

Thanks in advance for any advise .
Feb 27, 2021 at 9:53 AM (Merged)
Advertisement
Avatar
JACOBANDNICKOLAS
  • CERTIFIED EXPERT
  • 110,175 POSTS
First, do the following to check the resister.

Disconnect and isolate the negative battery cable.
Disconnect the wire harness connector from the blower motor resistor.
Using an ohmmeter, check for continuity between all of the blower motor resistor terminals. In each case there should be continuity. If okay, repair the wire harness circuits between the blower motor switch and the blower motor resistor or blower motor as required. If not okay, replace the inoperative blower motor resistor.

If that checks out fine, check the blower motor relay. Simply switch it with another relay with the same part number. I have attached a picture of the relay block.

If that checks good, check wiring to and from the switch. If that is good, then I suggest the following. Your vehicle is equipped with a TIPM, totally integrated power module. These units nearly control everything electronic on the vehicle. You will need to have that checked at a dealer who has the proper test equipment.
Feb 27, 2021 at 9:53 AM (Merged)
Avatar
RUTZ24
  • MEMBER
  • 3 POSTS
Quick question, where is the relay for the front blower motor? I only see a rear blower motor relay K9. The rear blower is working right now.
Feb 27, 2021 at 9:53 AM (Merged)
Avatar
RUTZ24
  • MEMBER
  • 3 POSTS
(Solved) So I ran a new hot wire from the battery to the fan motor positive to test the assumption that the wire or TIPM was bad. The blower fan worked and I was able to control the fan speed with the HVAC controls. I then removed the TIPM module and removed the connector C7 (the front left most connector) and found that the terminal and connector had some corrosion build up. After cleaning up both connector and socket and applying some Die-electric grease to prevent it from happen again, the fan now works correctly! I believe that the connection was corroded enough to not supply enough amps to spin the motor but not so bad as to prevent a voltage reading.

Thank you for the help and I hope this help someone else with a similar problem
Feb 27, 2021 at 9:53 AM (Merged)
Avatar
STEVE W.
  • CERTIFIED EXPERT
  • 15,113 POSTS
Thank you for the reply and what you found. Sounds like a good diagnosis and repair. Unfortunately the TIPM is a constant source of issues on the Chrysler products built with them. Please return any time with your automotive questions or if you get bored you can answer some questions, it sounds like you have good diagnostic ability.
Feb 27, 2021 at 9:53 AM (Merged)
Avatar
BOPAHAY
  • MEMBER
  • 1 POST
The fan for the heater worked fine yesterday. Today it fails to work. The fuses all look OK. The rear heater fan works, only the front one is not working. Any ideas?
Feb 27, 2021 at 9:54 AM (Merged)
Avatar
OLDTELEPHONEGUY47
  • MEMBER
  • 1 POST
2006 Town and Country blower problem solved. My blower motor stopped working on all speeds. I found a $14.00 resister pack from Autozone. This pack is right in front of the blower motor behind the dashboard glove compartment. Presto! Two of the speeds had been out for months, then all speeds suddenly died. Try THIS part before you buy a blower motor.
Feb 27, 2021 at 9:54 AM (Merged)
Avatar
JMI65
  • MEMBER
  • 1 POST
The front blower will not work the rear blower works fine. I swapped the relays and fuses between the two blowers with the same results. How do I check for power to the blower. please be very specific. ie where to connect the meter leads etc.
Feb 27, 2021 at 9:54 AM (Merged)
Avatar
RASMATAZ
  • CERTIFIED EXPERT
  • 75,992 POSTS
Hi there jmi65 and TY for the donation Find the front blower module on the HVAC unit disconnect the 2 wire connector that has these wires dark blue and dark blue and yellow-do you have this wires if so disconnect it and probe for power on either terminal of the front blower module-No power the module is gone To verify the motor if its operational again disconnect it, power it from the battery using 2 jumper wires don't worry about polarity if it turns on and fuse no.10 40amp is good replace the front blower module. See diagram below


https://www.2carpros.com/forum/automotive_pictures/12900_front_blower_module_1.jpg

Feb 27, 2021 at 9:54 AM (Merged)
Avatar
PATRICE THOMAS SPRINGER
  • MEMBER
  • 1 POST
My ac is not working in the front part of my van, but the rear ac is blowing and working just fine. What could be causing this
Feb 27, 2021 at 9:54 AM (Merged)
Avatar
HMAC300
  • CERTIFIED EXPERT
  • 48,601 POSTS
check front blower relay under hood see pic then have a mechanic scan for codes to see if it's front blower control module or bad blower etc.
Feb 27, 2021 at 9:54 AM (Merged)
Avatar
SHAWKEMO
  • MEMBER
  • 1 POST
blower not working any speed. found shorted bug in resister. no power to dark blue wire connecting resister with switch at any speed. have power to large blue wire to resister. engine compartment front fan fuse and relay seem ok.
HELP
Charlie
Feb 27, 2021 at 9:57 AM (Merged)
Avatar
BMRFIXIT
  • CERTIFIED EXPERT
  • 19,053 POSTS
DK BLU wire no power is an indication of power failure check fuse # 10 its 40 A under hood if fuse OK and have power with key on suspect a short in the wire and need to check If you have power to the resister and not out from the resister check for ground if in and not out have to remove and replace resister as it is at fault place switch at high unplug the motor and check for power and for ground if have the two remove and replace the motor


https://www.2carpros.com/forum/automotive_pictures/99387_fan_3.jpg

Feb 27, 2021 at 9:57 AM (Merged)
Avatar
BARECREEK
  • MEMBER
  • 1 POST
the heater blower isnt working, i cant find a fuse box inside the vehicle,, and where is the heater blower located
Feb 27, 2021 at 9:57 AM (Merged)
Avatar
BLUELIGHTNIN6
  • CERTIFIED EXPERT
  • 16,542 POSTS
Start by checking for power/ground at the blower motor when switch is on, in all different positions. You will need to use a voltmeter for this.
The blower motor is located on the HVAC unit, behind passenger side dash.

Read the guide below on using a volt meter, it will help

https://www.2carpros.com/articles/how-to-use-a-voltmeter

Attached below are the component locations and the wiring diagrams for you blower motor
Feb 27, 2021 at 9:57 AM (Merged)
Avatar
VEGASGIRL1
  • MEMBER
  • 1 POST
my front blower does not work on my van, I have replaced all fuses and relays, but still the front portion of my van does not work, but the back works fine... please tell me what i need to do.
Feb 27, 2021 at 10:07 AM (Merged)
Avatar
NEVADAKID
  • MEMBER
  • 3 POSTS
Open glovebox
Push back sides of box in to drop box down
There it is!
Two 8mil screws- unscrew
Pull unit out
release wire tabs...pull out both wire plugs
Now install new module (Just reverse what you did...)

If you have Automatic Temp Control: (climate control)
Original part # will be on the sticker on your unit
the original OEM # was 04885482AA...It has been changed to: (OH!...New module will not look the same)
OEM New unit is Part# 5179985AA
Or Standard Performance part # RU399
Feb 27, 2021 at 10:07 AM (Merged)
Avatar
04TOWNNCOUNTRY
  • MEMBER
  • 1 POST
When I turn the blower on it does not do anything. High or low will work. How can I exclude the motor, resister or switch?
Feb 27, 2021 at 10:08 AM (Merged)
Avatar
ZACKMAN
  • CERTIFIED EXPERT
  • 4,202 POSTS
Before you replace any parts, check your fuses and relays in the integrated power module under the hood.

Fuse #10 40A, fuse #12 25A, and two relays (depending on models with front and rear heat), if not just one relay.
Feb 27, 2021 at 10:08 AM (Merged)
Avatar
JGSMITH916
  • MEMBER
  • 1 POST
I just replaced the resistor behind the glove box because the fan wouldn't shut off before and that seemed to work. Now I can control the speed and shut it off but I still can't use defrost or the ground setting. When I turn the fan setting to anything, it still blows forward.
Feb 27, 2021 at 10:09 AM (Merged)
Avatar
TOPPER
  • MEMBER
  • 1 POST
I just fixed the exact same problem with my 2004 T&C. It took about 5 minutes and I didn't even get my hands dirty. I disconnected the positive and negative leads to the battery. I let them set idle for about 60 seconds. Then I touched the two leads together for about 10 seconds. I then connected them back to the battery and walla!!! The fan now blows through which ever setting I put on the switch. Don't ask me why this works, I only know that it did, and that I probably saved a $100 bill had I taken it to a shop. Also, I was surprised that the disconnect did not cause me to lose any of the radio or overhead console settings.
Feb 27, 2021 at 10:09 AM (Merged)
Avatar
PORKY018
  • MEMBER
  • 1 POST
where is the front blower motor located in a 2002 chrysler town and country with dual air?
Feb 27, 2021 at 10:12 AM (Merged)
Avatar
RASMATAZ
  • CERTIFIED EXPERT
  • 75,992 POSTS


https://www.2carpros.com/forum/automotive_pictures/12900_bm_8.jpg

The front blower motor and wheel are located near the passenger side end of the heater-A/C unit within the two halves of the intake air housing in the passenger compartment below the instrument panel.
Feb 27, 2021 at 10:12 AM (Merged)
Avatar
SAHILJOSEPH
  • MEMBER
  • 2 POSTS
I have a chrysler Town and Country and its well kept. for some reason the blower(fan) of the a/c or heater for the front portion of the van wont turn on. everything else works fine in the van. And yes the for the back portion the fans are working. It is very wierd and confusing. I am scared to take it to a shop because i think it might be a very big electrical problem...

Please help me in any way possible and whatever you can sugest will be taken into consideration hugely.

Thank You in advance!
Feb 27, 2021 at 10:12 AM (Merged)
Avatar
RASMATAZ
  • CERTIFIED EXPERT
  • 75,992 POSTS
Check fuse no.10 40amp and front blower motor relay see below


https://www.2carpros.com/forum/automotive_pictures/12900_blower_relay_2.jpg


https://www.2carpros.com/forum/automotive_pictures/12900_blower2_2.jpg

Feb 27, 2021 at 10:12 AM (Merged)
Avatar
SFLICK77
  • MEMBER
  • 1 POST
The blower motor runs sporadically. usually once every couple of days. no rhyme or reason to when or how to get it to come on. sometimes it stays on after you shut the ignition off. this makes it very hard to defrost the window.
Feb 27, 2021 at 10:13 AM (Merged)
Avatar
CARADIODOC
  • CERTIFIED EXPERT
  • 34,306 POSTS
The main suspect would have to be the blower motor relay. If the contacts are arced and pitted, they can stick together and the motor will continue running with the ignition switch turned off, but only if you leave the motor speed switch turned on. That should run the battery down within a few hours. Arced contacts will also make an intermittent connection and the motor will not run at times.
Feb 27, 2021 at 10:13 AM (Merged)
Avatar
MIKEM61
  • MEMBER
  • 2 POSTS
Last week the blower motor quit working on all speeds except high. Any suggestions?
Feb 27, 2021 at 10:14 AM (Merged)
Avatar
KHAOS
  • MEMBER
  • 5 POSTS
replace the blower motor resistor approx $25.00 it's located behind the glove box ( open the glove box and push on the thin plastic sides and it'll fall wide open and then un clips) you need a 1/4 inch bold driver and you'll see a rectangled shaped plastice piece and two harnesses connected to it remove it and replace

if the motor is bad the new resistor will go again right away but it's the easiest and cheapest starting point
Feb 27, 2021 at 10:14 AM (Merged)
Avatar
MIKEM61
  • MEMBER
  • 2 POSTS
Thanks for the tip, I will try it before my wife takes it to a dealer. Yipes!
Feb 27, 2021 at 10:14 AM (Merged)