Rear hatch release not working

2005 CHEVROLET ASTRO
146,000 MILES • 4.3L • 6 CYL • 2WD • AUTOMATIC
Avatar
RMAXWELL
  • MEMBER
  • 6 POSTS
Rear hatch cylinder switch will not activate actuator in hatch. Tested switch and actuator, both test okay.
Nov 1, 2021 at 12:57 PM
Advertisement
Avatar
STEVE W.
  • CERTIFIED EXPERT
  • 15,113 POSTS
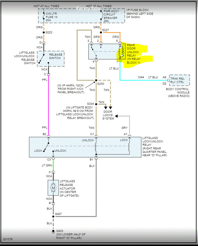
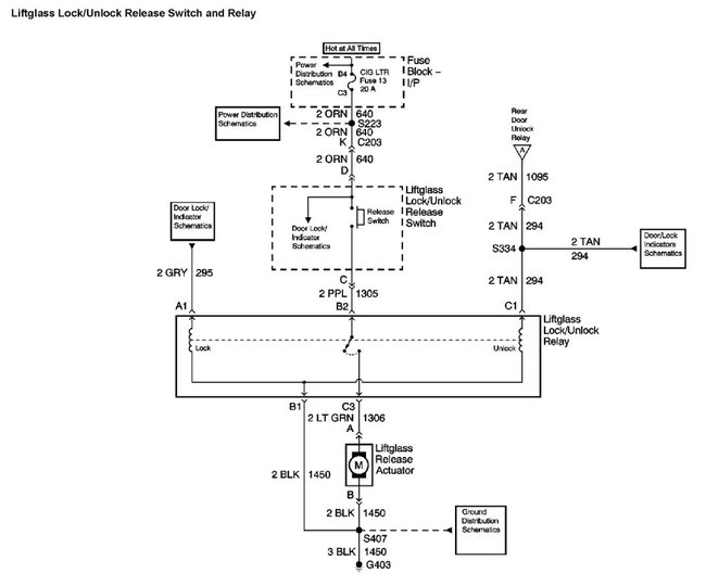
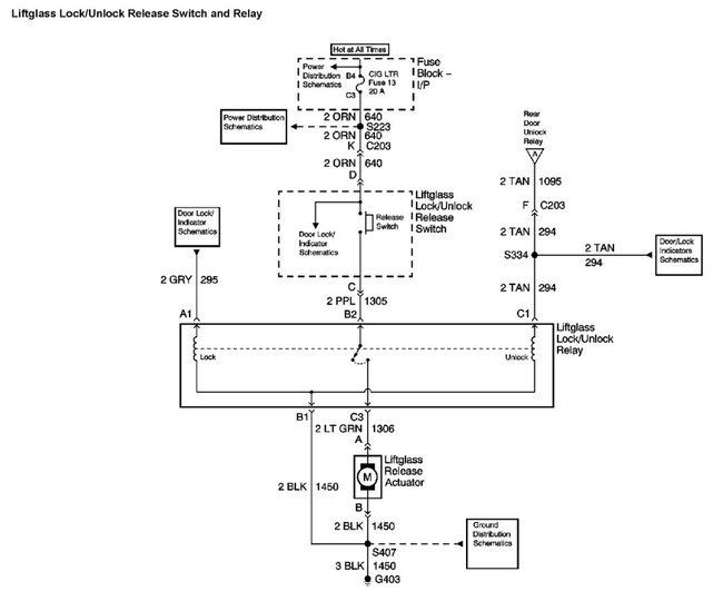
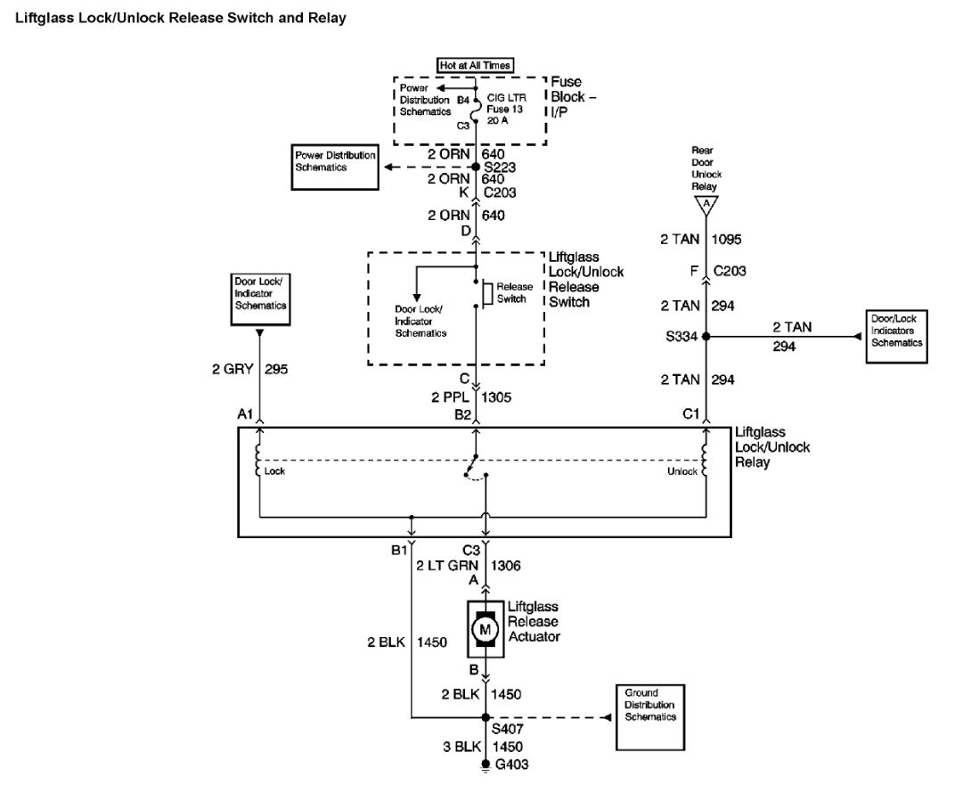
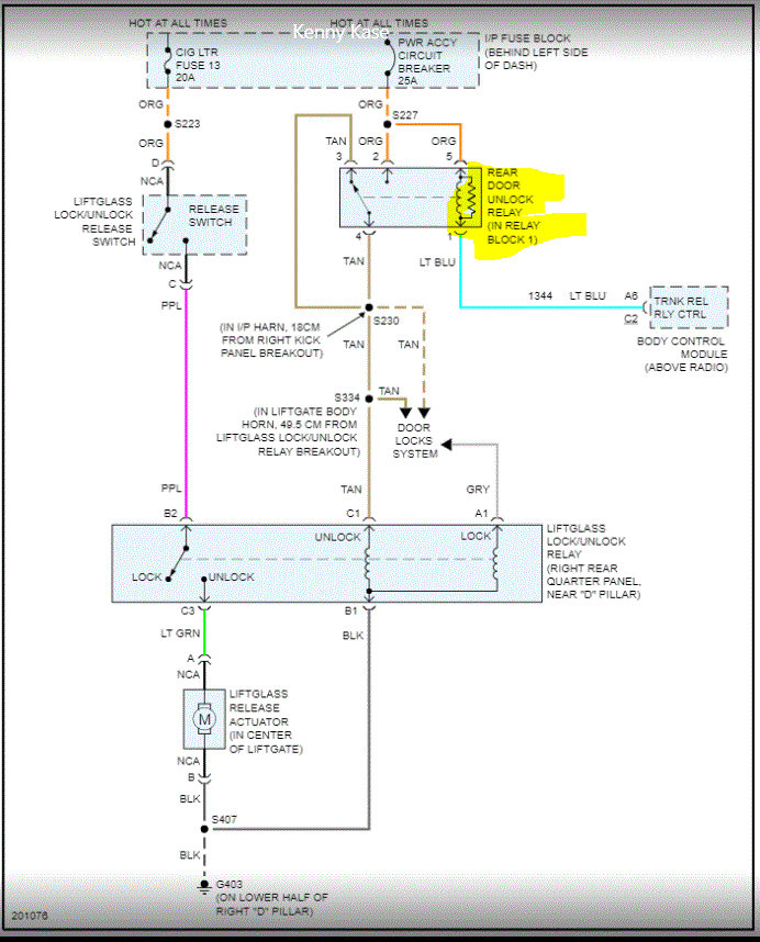
A very common failure is in the wiring harness up at the hatch hinge area, the wires flex every time the hatch moves, and they eventually fail. Most of the time you can find the failed area if you remove the tape or covering and inspect the wires for an area where the insulation hourglasses when you pull on the ends. Another possible item is the release relay. It is hidden in the right rear behind the trim panel. Remove the trim, and test the relay for power in and out. When you activate the release, you should get power out on the light green wire, The black wire is a ground and on the input side the gray and tan wires will have power when you use the lock/unlock switches.
Nov 1, 2021 at 2:15 PM
Avatar
RMAXWELL
  • MEMBER
  • 6 POSTS
Thanks for the suggestions, I will check this out soon.
Nov 1, 2021 at 2:29 PM
Advertisement
Avatar
JACOBANDNICKOLAS
  • CERTIFIED EXPERT
  • 110,175 POSTS
Hi,

I noticed we haven't heard from you for a couple of days. Have you been able to make any progress? We are interested in knowing.

Take care,

Joe
Nov 3, 2021 at 7:13 PM
Avatar
RMAXWELL
  • MEMBER
  • 6 POSTS
After checking for relay behind trim panel, aha! Someone has removed relay. I have been trying to find replacement but to no avail. Chevrolet has discontinued and cross referencing has netted zero replacements.
Nov 4, 2021 at 10:21 AM
Avatar
JACOBANDNICKOLAS
  • CERTIFIED EXPERT
  • 110,175 POSTS
By chance, do you have the OEM part number? Also, I wonder why it was removed. I wonder if there was an electrical issue.

As far as the relay I just checked online and there seem to be several available. Where all have you checked?

Joe
Nov 4, 2021 at 5:15 PM
Avatar
STEVE W.
  • CERTIFIED EXPERT
  • 15,113 POSTS
That would cause a problem. Probably going to be only available as a used part. It might be possible to adapt a different part, but you would need to experiment. It looks like a dual pole latching relay with a pass through for the hatch, it won't release when locked.
Nov 4, 2021 at 5:33 PM
Avatar
RMAXWELL
  • MEMBER
  • 6 POSTS
O'Reilly, Carquest, Advance Auto, Chevrolet parts in Illinois, OEM parts, Carparts and Rock auto. Searched EBay and used parts.
Nov 4, 2021 at 5:40 PM
Avatar
RMAXWELL
  • MEMBER
  • 6 POSTS
Gm part number 12182104.
Nov 4, 2021 at 5:43 PM
Avatar
JACOBANDNICKOLAS
  • CERTIFIED EXPERT
  • 110,175 POSTS
Hi,

I believe that is a standard 5 pin relay. Take a look at the two pics below and let me know your thoughts.

Joe

Pic 2 shows the standard relay and pic 1 also came up in my search.
Nov 4, 2021 at 7:21 PM
Avatar
STEVE W.
  • CERTIFIED EXPERT
  • 15,113 POSTS
Looks like GM discontinued it in 2012 if anyone has it on the shelf it will take some digging. In operation it's a bit unique, when the doors are locked it uses a magnetic field in the upper coil to hold the relay open, then when unlocked it uses the lower coil to close the circuit so the rear hatch will release. It's a SPST 12V dc 2 coil Latching Relay I can find multiple versions, but none rated in the correct amperage.
http://www.azatrax.com/latching-relay.html
If you look at the dual coil 12volt unit LARY-DC twin coil latch relay, 12v dc
If you used it and connected the relay switch contacts in parallel to carry more current it would work.

You could replace it with a common 4 pin relay but it would eliminate the locking part so it would operate every time the button was pressed. The other option would be two use a pair of relays and set one up to latch open to act as the locking switch side.

Joe, it is the lower relay in the schematic that is missing. GM just had to use an odd part.
Nov 4, 2021 at 7:53 PM