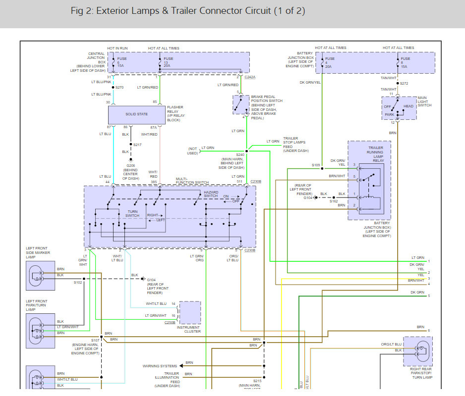
Hello everyone. I thought I would ask and see if anyone has had this problem before. I just purchased this SUV as a project. Today I started to replace the rear tail lights. After doing so I noticed my driving lights for the rear are not working.
The brake lights, turn signals and reverse lights all work, but the driving lights do not but only in the rear. My headlights work fine. Would that be the switch?
The only other electrical problem this vehicle has is the windows will not roll down. At one point the back left window rolled down and I cannot get it back up.when I click any of the window switches I here a clicking sound coming from under the dash. I have still not had the time to mess with any of it.
Any help or ideas would be much appreciated!
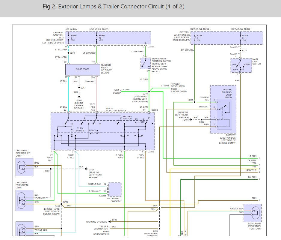
The brake lights, turn signals and reverse lights all work, but the driving lights do not but only in the rear. My headlights work fine. Would that be the switch?
The only other electrical problem this vehicle has is the windows will not roll down. At one point the back left window rolled down and I cannot get it back up.when I click any of the window switches I here a clicking sound coming from under the dash. I have still not had the time to mess with any of it.
Any help or ideas would be much appreciated!
Oct 9, 2018 at 6:02 PM



