The rear door will lock but not unlock? Or it does nothing?
Does the exterior key switch work and not the front switch or nothing works?
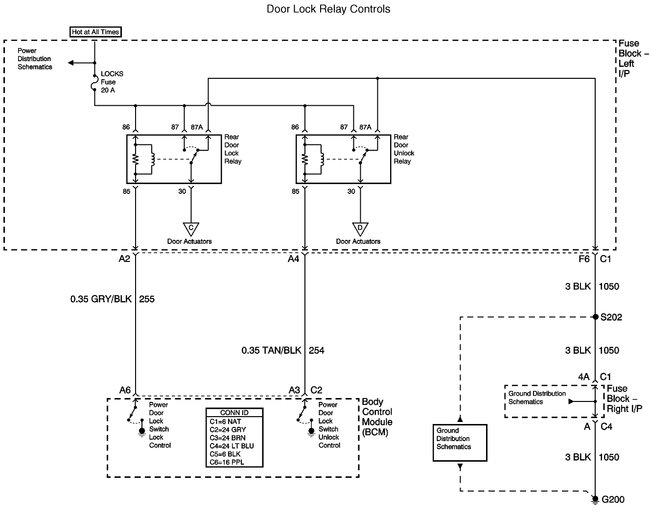
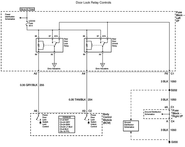
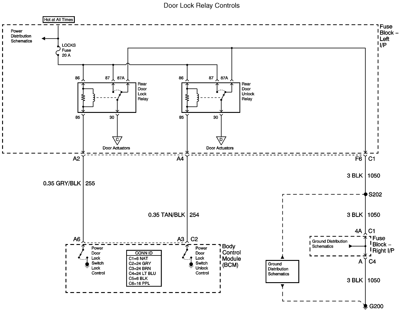
There are two relays in the instrument panel fuse block. One locks the rear door, the other is the unlock relay. Swap them and see if you now can unlock but not lock the rear door.
If you have rear cargo doors you will also want to be sure the contact plates and spring pins are clean.
Sep 6, 2017 at 12:30 AM