Rear Door Courtesy Lights wiring diagram needed?

2018 HONDA ACCORD HYBRID
30,000 MILES • 2WD • AUTOMATIC
Avatar
CARMAKER
  • MEMBER
  • 4 POSTS
Hi, I'm trying to DIY a courtesy light into the rear doors of my Honda Accord 2018 hybrid touring. I need the electrical diagram of the rear door lock to wire tap into. What I want is for the light to turn on when the door opens and turns off when it closes.
Mar 3, 2024 at 6:32 PM
Advertisement
Avatar
STRAILER
  • CERTIFIED EXPERT
  • 53,854 POSTS
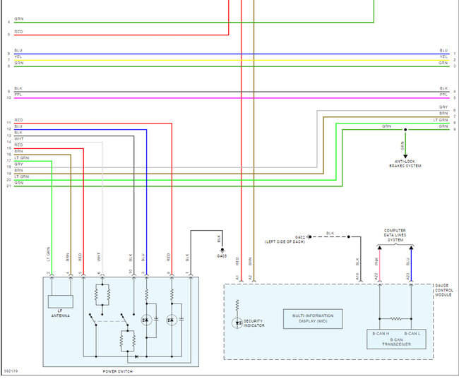
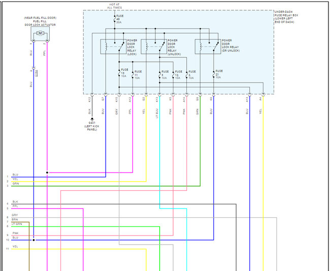
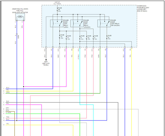
Don't the courtesy lights do that already? "The light to turn on when the door open and turns off when it closes" Maybe I don't understand but here are the door lock wiring diagrams as requested. Check out the images (below). Let us know how it goes.
Mar 4, 2024 at 10:29 AM
Avatar
CARMAKER
  • MEMBER
  • 4 POSTS
Thank you for the reply, Ken, I will go over the provided diagrams. To clarify my situation, my car model only has the courtesy light in the driver and passenger door. The rear doors are empty, which is why I'm cutting a hole for it.
Mar 4, 2024 at 11:17 AM
Advertisement
Avatar
STRAILER
  • CERTIFIED EXPERT
  • 53,854 POSTS
I see, thank you for the clarification. It looks like the brown wire on the door lock might work as it controls the ground for the latch. You will need to supply 12-volt power to the other side of the bulb. let me know how it goes :)
Mar 4, 2024 at 11:46 AM
Avatar
CARMAKER
  • MEMBER
  • 4 POSTS
Okay, I went over it, so what I'm thinking is to tap into the door handle led for the positive wire. But for the negative wire I'm not sure, but I'm guessing the brown wire according to the diagrams? However, there are two brown wires, any insight would be greatly appreciated. I attached the picture.
Mar 4, 2024 at 11:46 AM
Avatar
STRAILER
  • CERTIFIED EXPERT
  • 53,854 POSTS
I don't think the purple wire will work for power as it goes to the BCM which I would not tap into. The ground should work though.
Mar 4, 2024 at 11:56 AM
Avatar
CARMAKER
  • MEMBER
  • 4 POSTS
No, that was not what I meant. I already have a 12v constant wire for the power. I was referring to the negative wire which should be connected to the brown wire, but which brown wire is the question, there are two on the diagram. Or maybe both would work lol, I will test both out when I get home tonight.
Mar 4, 2024 at 12:00 PM
Avatar
STRAILER
  • CERTIFIED EXPERT
  • 53,854 POSTS
lol yep, it should be on pin ten.
Mar 4, 2024 at 12:14 PM
Avatar
STRAILER
  • CERTIFIED EXPERT
  • 53,854 POSTS
anything?
May 11, 2024 at 11:54 AM