☰
Login
Join
×
Home
Answered Questions
Repair Topics
Repair & Service Guides
Popular Questions
Warning Lights
Trouble Codes
How It Works
Testing / Diagnostics
Symptoms
Videos
Login
Become a Member
Home
Chevrolet
Cavalier
Body
Rear Window
Defroster
Fuse
Rear defrost and my heater
1995 CHEVROLET CAVALIER
65,000 MILES • 2.2L • 4 CYL
KIM MOOK
MEMBER
8 POSTS
FOLLOW
My rear defrost quit working and I checked fuse is good. My heater has only one speed and that is high?
Dec 10, 2019 at 4:01 PM
Advertisement
ASEMASTER6371
CERTIFIED EXPERT
52,796 POSTS
Good morning,
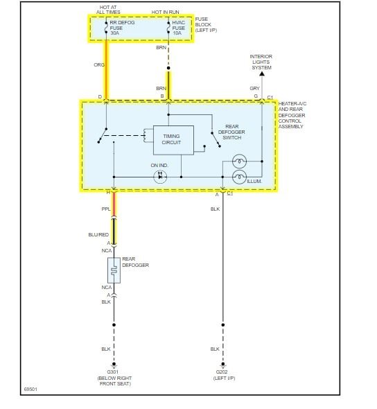
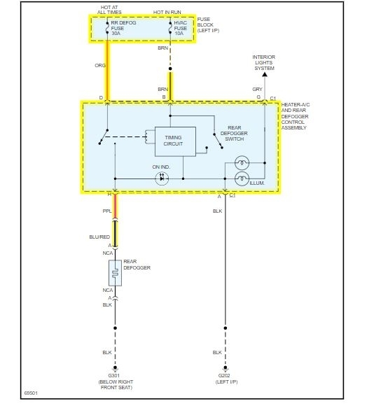
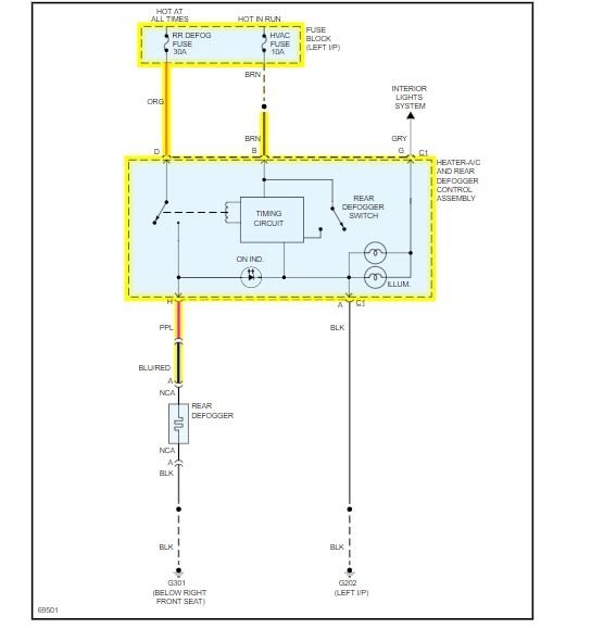
there are 2 fuses for the rear defrost. Verify power to the fuses with a test light or voltmeter. This is not a visual test, it is a voltage test.
https://www.2carpros.com/articles/how-a-car-fuse-works
The blower motor most likely needs the blower resistor to be changed. A very common failure for this issue.
Images (Click to enlarge)
Dec 11, 2019 at 4:45 AM
KIM MOOK
MEMBER
8 POSTS
Thank you so much again. you guys are a blessing for a single mom that needs her car. I will give it a look at. Have a great day.
Dec 11, 2019 at 7:37 AM
Advertisement
ASEMASTER6371
CERTIFIED EXPERT
52,796 POSTS
You are welcome.
Always glad to help.
Roy
Dec 11, 2019 at 8:06 AM