Rear camera not working?

2011 FORD EDGE
180,000 MILES • 6 CYL • AWD • AUTOMATIC
Avatar
NAIF83
  • MEMBER
  • 2 POSTS
Rear view camera is unavailable. please contact your dealership. What to do? I want to make sure it is the camera before buying it. And find it just a fuse.
Feb 18, 2017 at 12:22 PM
Advertisement
Avatar
STRAILER
  • CERTIFIED EXPERT
  • 53,854 POSTS
Hey NAIF83,

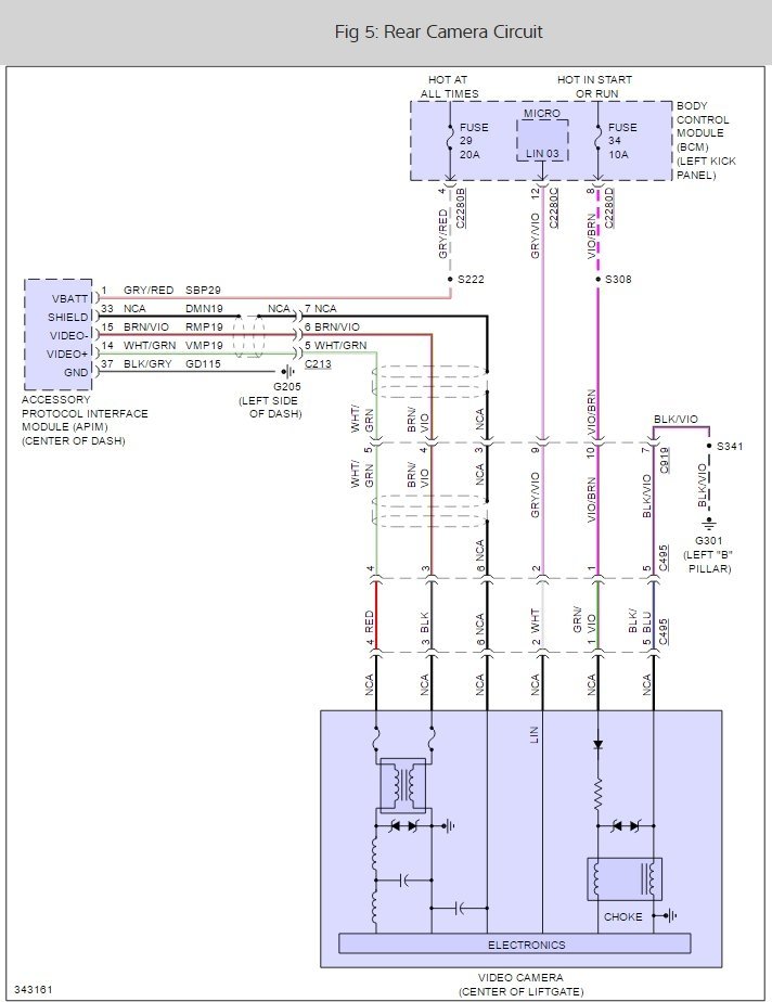
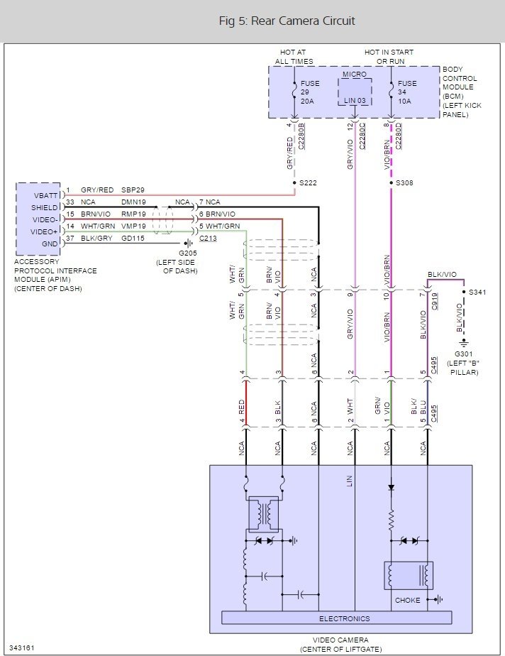
Yes there are two fuses that control the system (29 and 34) . Here is a guide and a wiring diagram to help you get the problem fixed with the fuse location below.

https://www.2carpros.com/articles/how-to-check-a-car-fuse

Check out the diagrams (Below). Please let us know what you find. We are interested to see what it is.
Feb 20, 2017 at 10:43 AM