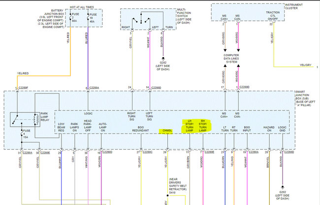
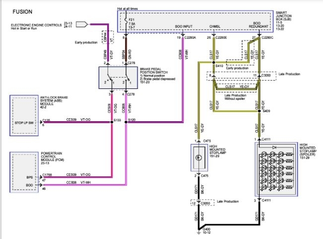
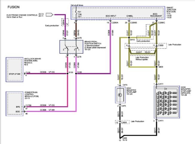
I have the vehicle listed above SEL model, V6. 5 days ago my left rear turn signal went out. I noticed this because my blinker was flashing rapidly and on the dash display said to check left rear turn Lamp. Now today my right rear turn signal started doing the same thing. I decided it was time to try to fix the issue. I checked the exterior light fuses and nothing was blown. I bought 2 replacement bulbs, but my rear turn signals still were not working after being replaced. In the process of seeing if the new bulbs worked I noticed that my brake lights were not operating as well. My 3rd brake light in the rear window works though. Also when I turn my hazard lights on the two back hazards are not working. But when I turn my head lights on the rear lights that share the brake light bulbs get power. Just to be on the safe side I checked all of the fuses in my SJB below the steering column and everything was okay. I went ahead and replaced my brake light switch above the break petal and still nothing. I have a repair guide for my car and found that the wires coming from the SJB to the Rear Turn/Stop/Park lights are the violet/orange and grey/brown. I checked the wires in the trunk and everything looked fine and also checked the wires on the connector going into the SJB and everything appeared fine. I couldn't get a real good look at the wires on the SJB side being that they are behind the dash. I found that my contortion skills, trying to get a good look at the connectors and wires on the SJB side, were not the best .
At this point I am thinking it is a wiring issue or a SJB issue. Any help on solving this crazy issue is much appreciated. My troubleshooting steps are below in a easier format to read.
ISSUE
Both Rear Brake Lights, Turn Signals, and Hazard Lights not working.
Both Front Brake Lights, Turn Signals, and Hazard Lights are working.
TROUBLESHOOTING
1. Checked all fuses in SJB located under the steering column in the interior of the car. Also checked 60 amp power fuses in fuse box in engine compartment that go to SJB.
2. Replaced Turn Signal Bulbs.
3. Replaced Brake Light Switch located above break petal.
4. Checked wiring diagram and found that wires in the trunk appeared fine.
5. Checked wires and connector, as best as I could, under dash going into SJB and everything appeared fine.
6. Re seated connectors going into SJB.
7. Threw my hands up and Screamed........
At this point I am thinking it is a wiring issue or a SJB issue. Any help on solving this crazy issue is much appreciated. My troubleshooting steps are below in a easier format to read.
ISSUE
Both Rear Brake Lights, Turn Signals, and Hazard Lights not working.
Both Front Brake Lights, Turn Signals, and Hazard Lights are working.
TROUBLESHOOTING
1. Checked all fuses in SJB located under the steering column in the interior of the car. Also checked 60 amp power fuses in fuse box in engine compartment that go to SJB.
2. Replaced Turn Signal Bulbs.
3. Replaced Brake Light Switch located above break petal.
4. Checked wiring diagram and found that wires in the trunk appeared fine.
5. Checked wires and connector, as best as I could, under dash going into SJB and everything appeared fine.
6. Re seated connectors going into SJB.
7. Threw my hands up and Screamed........
Feb 13, 2016 at 11:10 AM




