hello,
Problem can be from a fuse or the brake light switch that is located rear of the brake pedal.
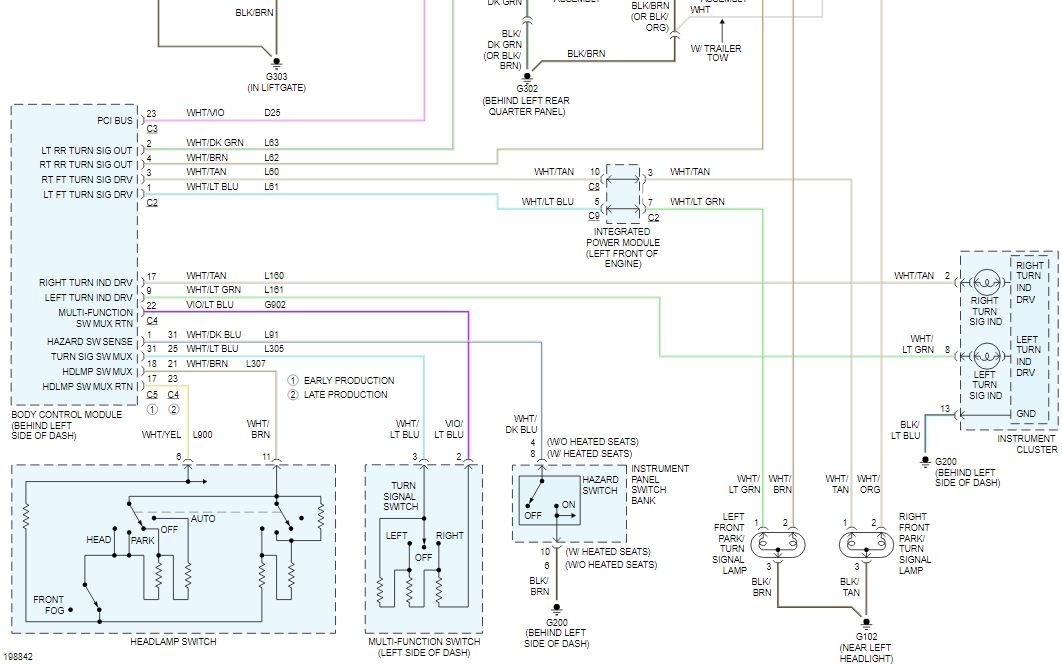
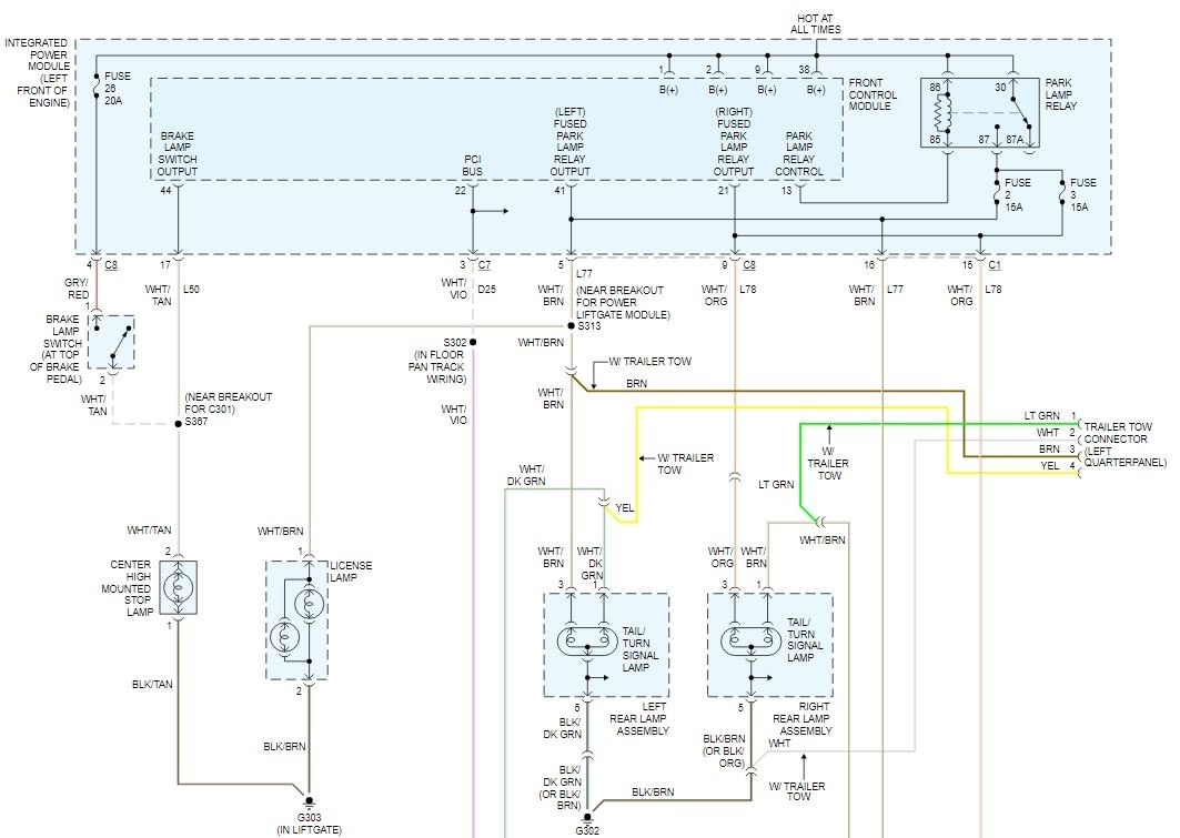
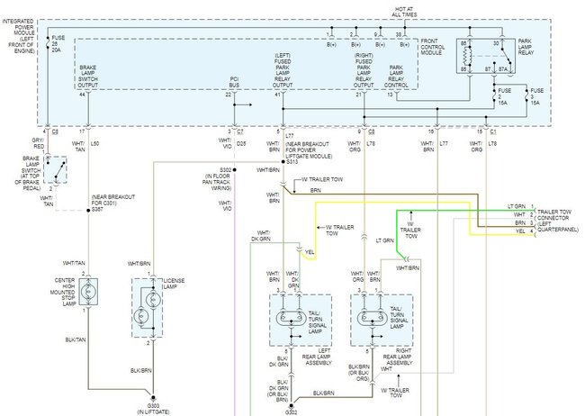
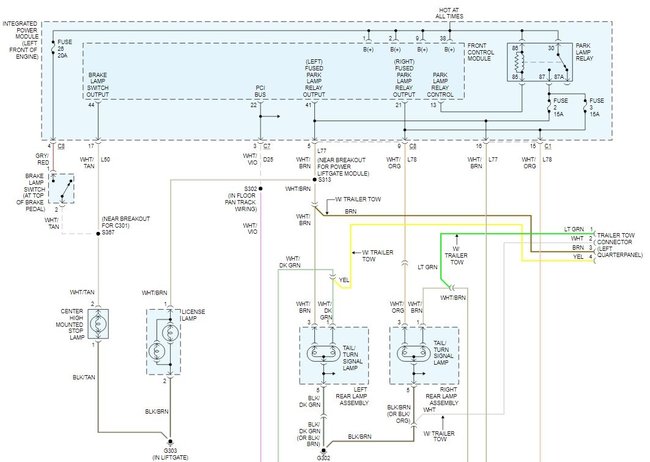
check the diagrams below figure 1,2,3 for fuse box location and the fuse number, which is number 26 20A .
check our link below how to check fuse.
https://www.2carpros.com/articles/how-to-check-a-car-fuse
Check our link below how to fix brake light.
https://www.2carpros.com/articles/brake-lights-not-working
Checking the brake switch location check the figures 4 and 5 below, check the procedure how to check the brake switch at release and pressed positions by using ohmmeter, check pictures below figure 6 and 7.
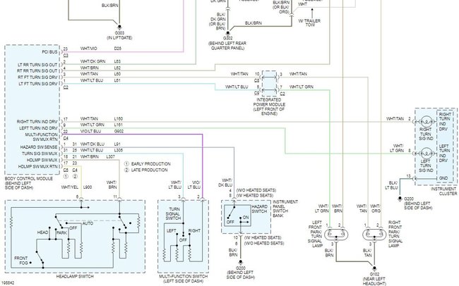
check the procedure below figure 9,10,11 how to test the switch and the removal and installation.
hope these helps let us know if you need more help.
thank you.
Images (Click to enlarge)
Feb 4, 2021 at 12:37 PM