Okay. I think we are missing this. The blower motor processor powers and grounds the blower motor and the processor have its own separate ground. The fact that you are grounding something and it is getting hot means you have resistance in the circuit.
So, let's use the OEM wiring diagram as it lays it out a little better and check this all with the blower on high. I think this will be a recap, but I am worried we got onto the wrong path.
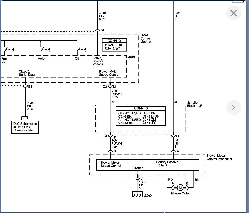
Use the diagrams attached to this post not the previous ones.
1) You should have battery voltage on pin A of the blower motor processor.
2) Then when checking voltage from pin A to pin C you should have battery voltage.
3) Then when checking pin B to Pin C your voltage should vary depending on the fan speed setting. I think the lower the voltage the higher the speed. 3 volts should be high but check that by monitoring this voltage and change the fan speed. The slower the speed, the higher the voltage should get.
Lastly, are the motor wires themselves.
4) Check the red wire to pin c of the processor and when on high, it should be 12 volts.
5) Then check the ground back to the motor by checking voltage from pin A to B of the motor connector. You can back probe this across the motor.
I suspect number 5 is the issue. So, we need to check the resistance (ohms) from the motor back to the processor. Basically, you are checking just the wire to see if it is a complete intact wire. So, unhook the connectors at the motor and processor and check from terminal to terminal of the black wire.
I think you said this is not doing anything even when you put it on the tone. If there is no tone, then that means there is no continuity.
However, your meter should read OL which means out of limit or that is an open circuit.
Can you set this up and then send a picture or quick video of the meter?
If this is the case, then that will explain why when you ground this wire, the motor runs. It is because the wire that the motor uses when you are not applying your own ground is open or has high resistance. So, the circuit is not complete.
Hopefully, this makes sense.
Images (Click to enlarge)
Jun 18, 2022 at 1:49 PM