Random spark loss?

1992 TOYOTA CELICA
136,000 MILES • 2.2L • AUTOMATIC
Avatar
VINCED3
  • MEMBER
  • 3 POSTS
Recently, recently started losing electricity to plug wires, but only sometimes. It seems to get electric to the orange/black wire going to distributor. I replaced the complete distributor with all internal parts included with a new one. Afterwards it ran for about 20 minutes, then started doing the same thing as before. Sometimes starting only to run for a minute or 2, then stall and continue randomly getting spark, but more often not.
Jan 19, 2023 at 3:37 PM
Advertisement
Avatar
JACOBANDNICKOLAS
  • CERTIFIED EXPERT
  • 110,175 POSTS
Hi,

By replacing the distributor, you basically have covered everything related. However, did you do anything with the ignitor? The igniter physically fires the ignition coil in response to the ECM signal. The igniter is essentially an electronic relay. It receives a "trigger" from the ECM and responds by turning a higher amperage current to the ignition coil on and off signaling ignition fire (spark at the plugs). It should be mounted above the power brake booster.

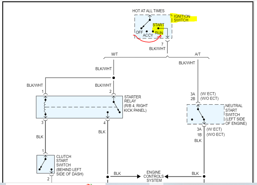
The igniter physically fires the ignition coil, so this is my first suspect. I attached the wiring schematic of the ignition system below so that you have a reference. Note that the ignitor (ignition control unit) will have a 5-pin connector. I found a pic of one online and attached it as well. (Pic 2).

If you haven't already, scan the computer for diagnostic trouble codes. This has an OBD1 system and doesn't require a scan tool to retrieve codes. Follow this link:

https://www.2carpros.com/articles/toyota-trouble-code-definitions-and-code-gathering-method-1990-1995

One last thought. The manual indicates the part to be above the brake booster. For some reason, I remember it on the left strut tower. Check both areas. It should be somewhat close to the coil.

Let me know.

Joe

See pic below.
Jan 19, 2023 at 7:43 PM
Avatar
VINCED3
  • MEMBER
  • 3 POSTS
Okay, I put a new igniter on. It started, then immediately stalled, and happened 5 times. Now it's back to no spark at plug wires, not sure about going into the distributor yet, but have a feeling it is getting flow into the distributor, will check when it's not sleeting out. The new thing of stalling immediately after starting is a concern that makes me question the actual ignition, and not sure if I mentioned it but someone did replace the entire steering column about 800 miles ago. I have not run the diagnostic on it yet, still trying to figure out exactly how, but haven't been able to focus well enough or long enough to get it done as I am a single parent with a lot going on, like every second of every day it feels like.
Jan 25, 2023 at 1:56 PM
Advertisement
Avatar
JACOBANDNICKOLAS
  • CERTIFIED EXPERT
  • 110,175 POSTS
Hi,

I was unaware of the steering column. By any chance, is there a security light blinking or staying on? Also, since the column was replaced, you may want to check the connectors under the dash to the ignition switch itself.

I attached a pic of the switch below. Note that a single power supply is provided for both the starter trigger and once running. Check that wire to see if it is in good condition. Also, let me know if it stalls immediately when you release the key from the start to run position.

Take care,

Joe

See pic below.
Jan 25, 2023 at 8:07 PM
Avatar
VINCED3
  • MEMBER
  • 3 POSTS
That's what it did 5 consecutive times, was stall immediately after letting off the key. That's after I replaced the igniter, but now it's back to no spark at all or no spark randomly at spark plug wires. There is the tiny little flashing red thing on the left top of dash, it also seems to have some odd randomness as for when it is flashing but didn't seem to be relative to when it would or wouldn't start. It is a car that I owned and sold to a friend about a year ago, so I only get to look at it when I have time and being a single Dad, I don't have unlimited time, so that's why it may be a day in between when I can look at it and relay status to you. Thanks for your help in this matter, I hate working on vehicles behind someone else because it may have been something as silly as wire being damaged during their" repair" and other symptoms occurring because of it. I am getting it narrowed down and replacing potentially problematic parts as I go, so hopefully I get to the root cause soon.
Jan 25, 2023 at 10:10 PM
Avatar
JACOBANDNICKOLAS
  • CERTIFIED EXPERT
  • 110,175 POSTS
Hi,

If it shuts off as soon as you release the key, I question the ignition switch. You would have to check if power was lost at the switch when the key turns to the run position.

I feel bad you can't focus on it for an extended time. That makes it more difficult. Let me know what I can do to help.

Joe
Jan 26, 2023 at 1:28 PM