No sound coming from the radio

2003 CHEVROLET TRAX
236,000 MILES • V8 • 4WD • AUTOMATIC
Avatar
JACK VALLAS
  • MEMBER
  • 1 POST
All the buttons work, but no sound from the speakers.worked yesterday, but not today.
Jan 15, 2020 at 3:43 PM
Advertisement
Avatar
STRAILER
  • CERTIFIED EXPERT
  • 53,854 POSTS
Hello,

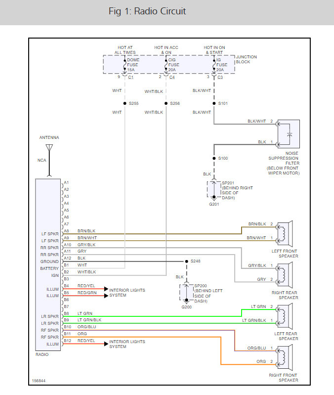
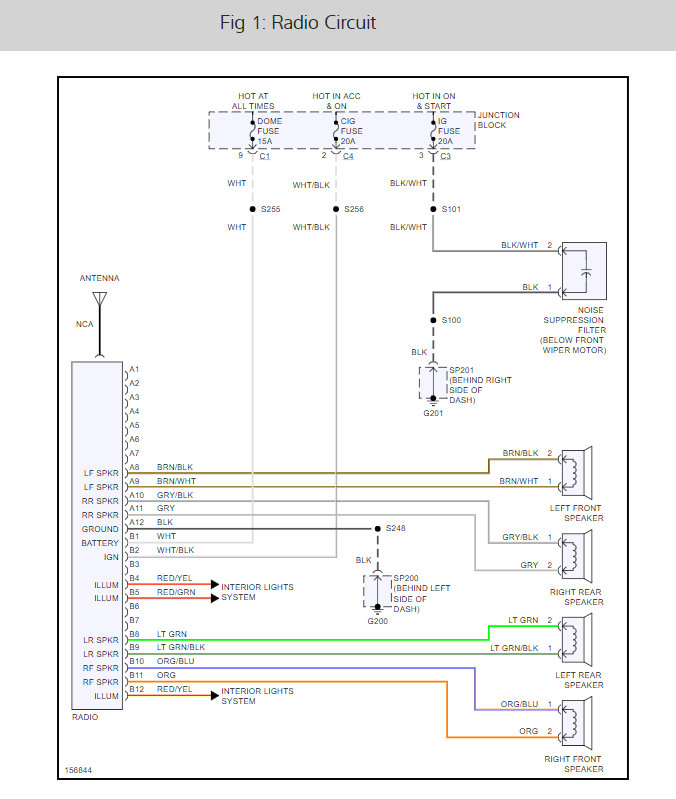
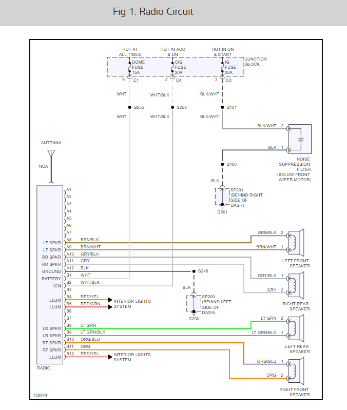
It sounds like the amplifier inside the radio has gone bad in which case you will need a new radio. To be sure there are 3 fuses that run the unit. here is a guide and the wiring diagrams form the radio that shows which fuses to check with a video of an aftermarket radio being installed in a similar car in case you need to replace it:

https://www.2carpros.com/articles/how-to-check-a-car-fuse

and

https://youtu.be/p_13d9FzsF0

Check out the diagrams (below). Please let us know what you find. We are interested to see what it is.
Jan 16, 2020 at 12:48 PM