Radio/Wiring questions?

2020 KIA SPORTAGE
67,000 MILES
Avatar
MARIOXAVI
  • MEMBER
  • 1 POST
Hi, I want to upgrade the speakers of my car but I don't find any information online about how the radio Wiring works, because my car doesn't have a AUX out cable. It will be better to replace the OEM radio? Or it is any chance to use an external amplifier with the OEM radio?

And it is worth it do if i do that or it will be fine just with new speakers? Thanks
Feb 2, 2025 at 4:24 PM
Advertisement
Avatar
STRAILER
  • CERTIFIED EXPERT
  • 53,854 POSTS
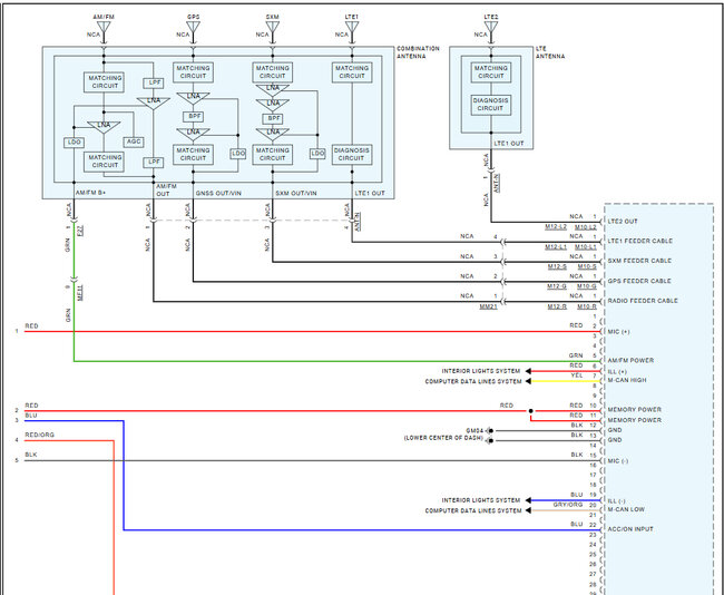
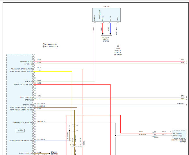
I would just uninstall the new speakers; the factory head units are pretty good these days. Here is how the radio wiring diagrams so you can see how the system works, and which color speaker wires go where. Also, most of the time an aftermarket head unit will not integrate with the external controls. Check out the images (below). Let us know if you need anything else.
Feb 4, 2025 at 9:36 AM