I cannot find the right wiring harness diagram for my radio

2003 MITSUBISHI GALANT
211,054 MILES
Avatar
JGOUCHER
  • MEMBER
  • 1 POST
I cannot find the right wiring harness diagram for my car. I am a little mixed up also because i hooked up the constant and switched power and the radio will not turn on. The diagram I was looking at said the constant is a red and black wire but I do not have a red and black wire then a 2004 or 2002 diagram shows the red and white wire which is the one I have.
Apr 20, 2018 at 9:16 PM
Advertisement
Avatar
WRENCHTECH
  • CERTIFIED EXPERT
  • 20,761 POSTS
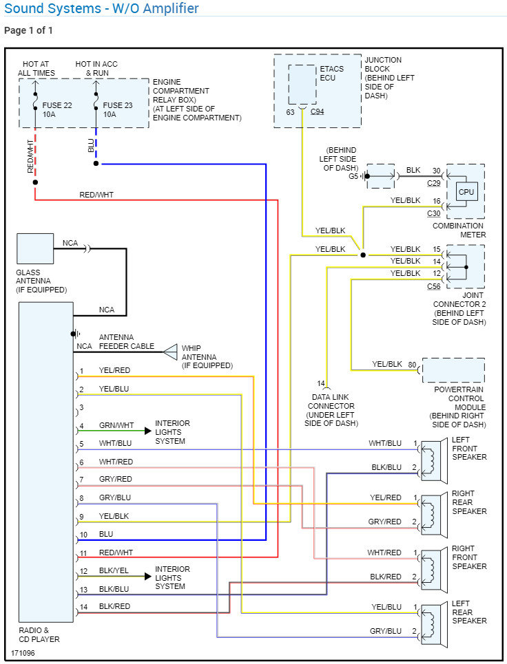
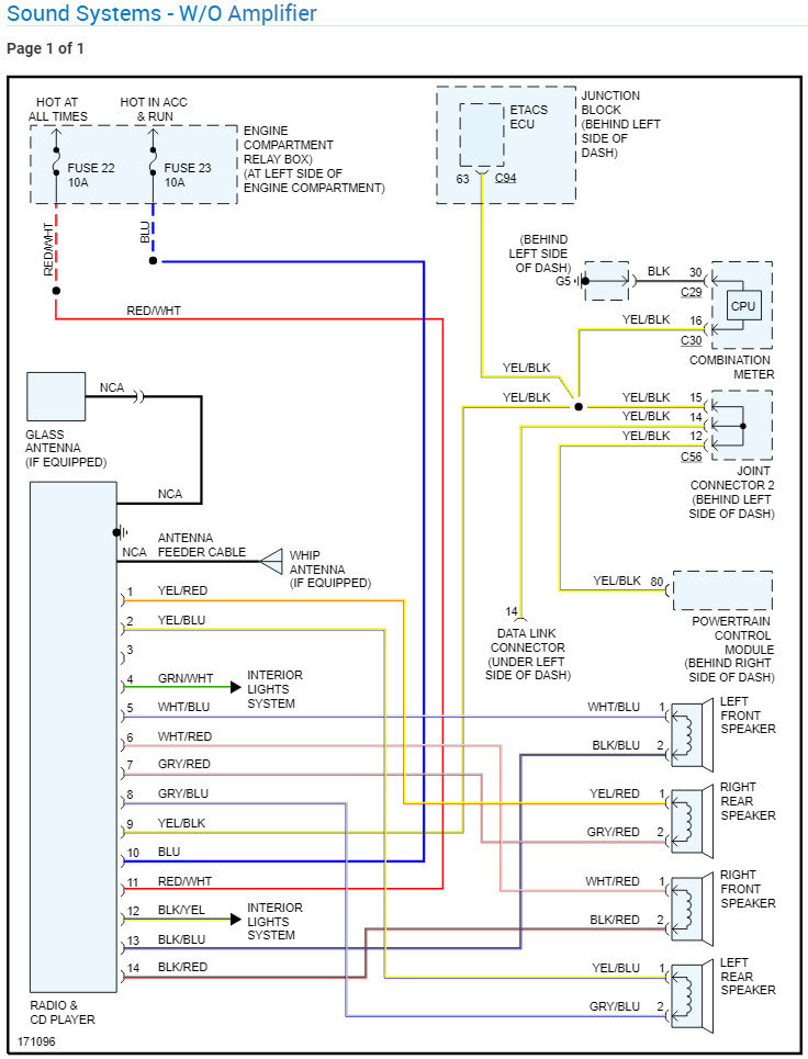
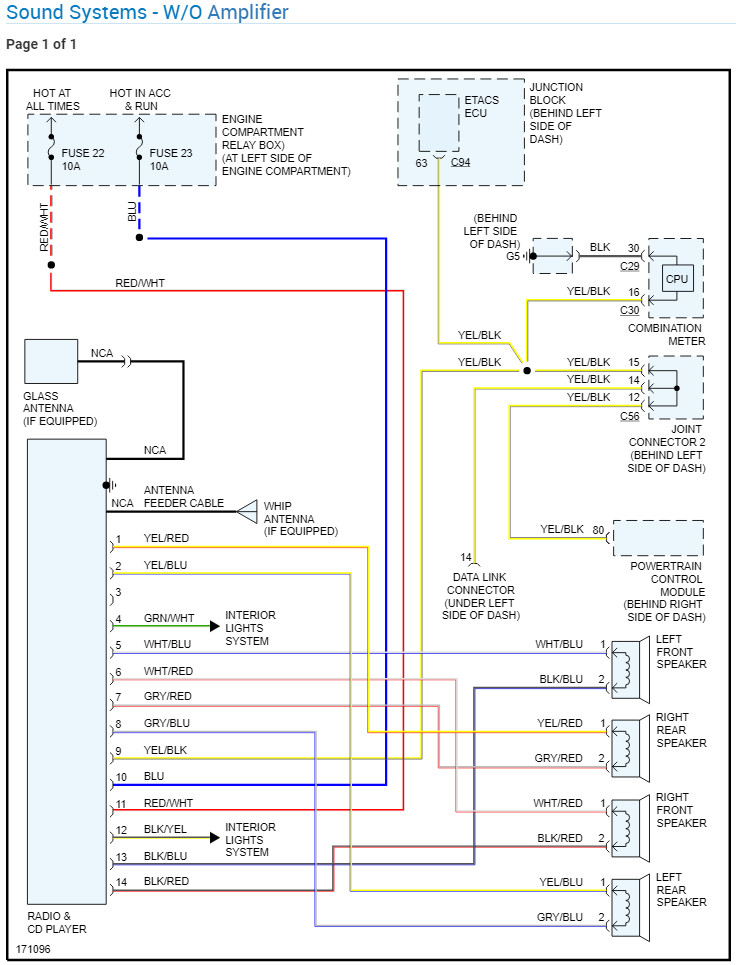
Here you go. Looks like the power supplies are blue and red/white. Here is a guide to help heck it with the diagrams below for your car.

https://www.2carpros.com/articles/how-to-check-wiring

Check out the diagrams (Below). Please let us know if you need anything else to get the problem fixed.
Apr 21, 2018 at 6:48 AM