☰
Login
Join
×
Home
Answered Questions
Repair Topics
Repair & Service Guides
Popular Questions
Warning Lights
Trouble Codes
How It Works
Testing / Diagnostics
Symptoms
Videos
Login
Become a Member
Home
Dodge
Dart
Interior
Radio
Wiring
Radio wiring harness diagram needed
2013 DODGE DART
144,000 MILES • 2.0L • 4 CYL • 2WD • MANUAL
LARRY NASON
MEMBER
48 POSTS
FOLLOW
I'm trying to install an inline converter for an amp in my car. Does somebody have a diagram or pinout of the radio harness?
Feb 22, 2022 at 6:05 PM
Advertisement
SQM
CERTIFIED EXPERT
6,383 POSTS
Hello,
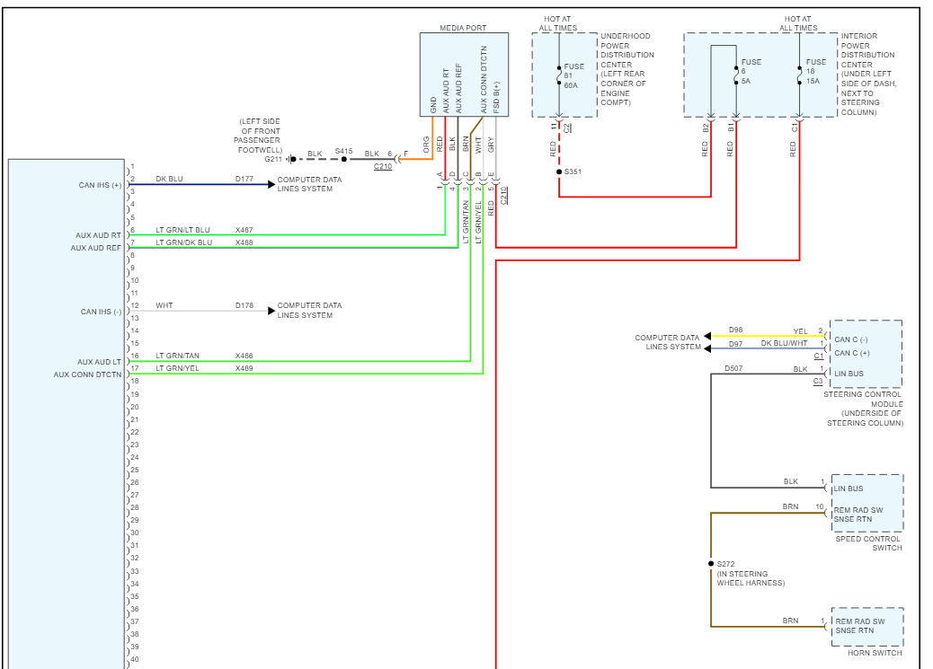
I have attached the pinout as well as the wiring schematics for the radio below. It is for the standard model radio.
Please let me know if you have any questions.
Thank you.
https://www.2carpros.com/articles/how-to-check-wiring
Images (Click to enlarge)
Feb 22, 2022 at 7:27 PM