Trying to find wiring diagram for radio to install a voice box.
Jun 23, 2020 at 3:47 PM
Advertisement
KASEKENNY
CERTIFIED EXPERT
18,907 POSTS
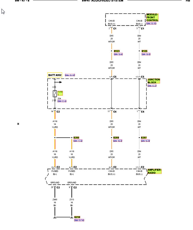
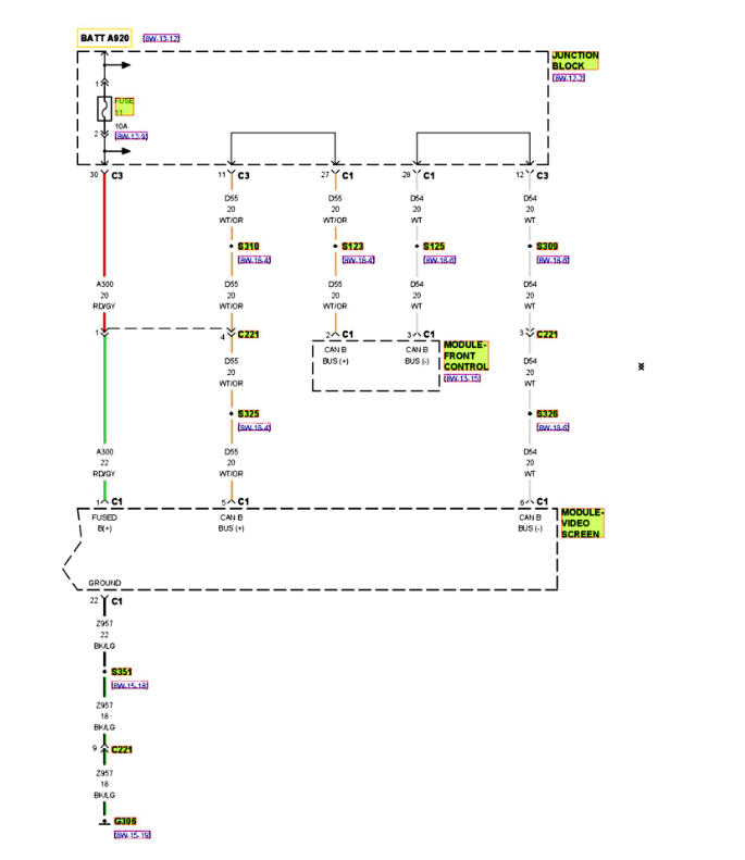
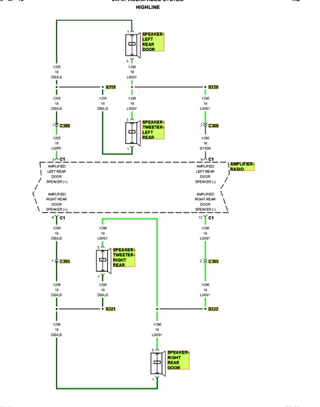
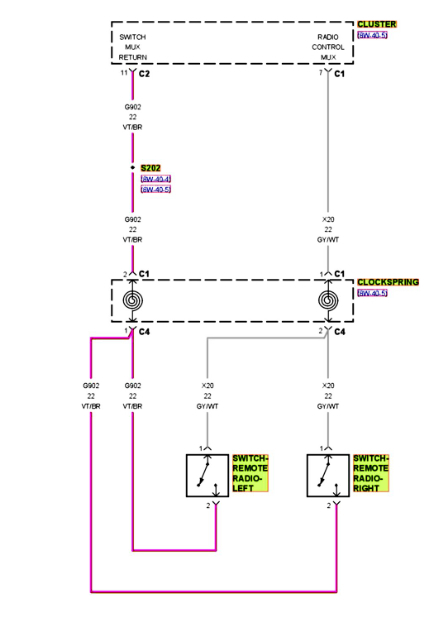
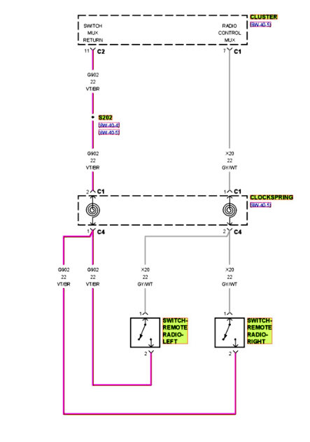
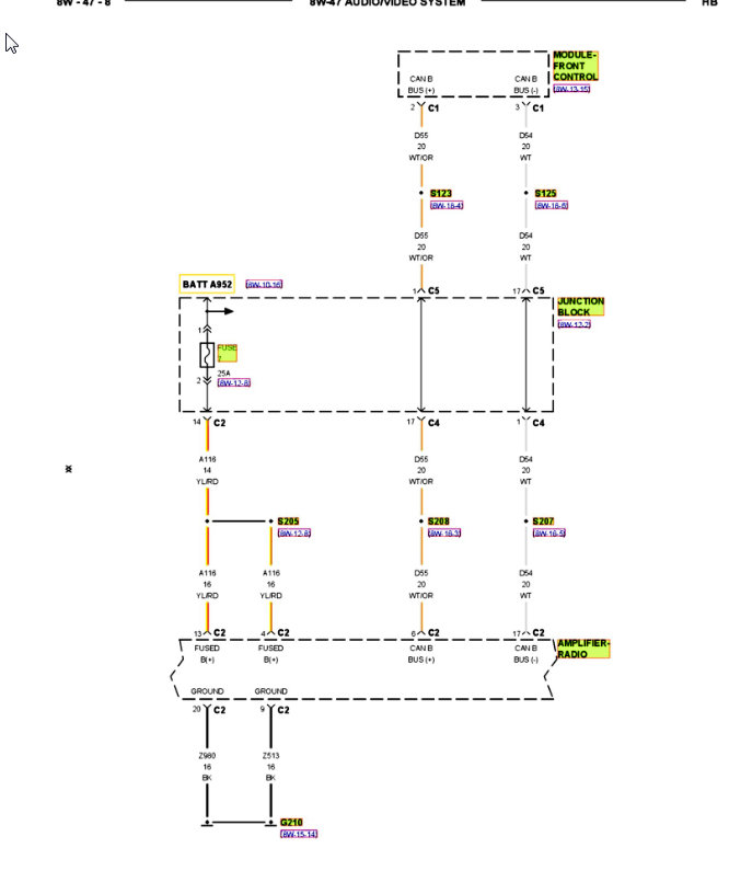
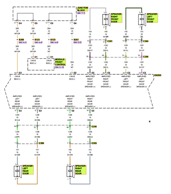
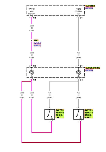
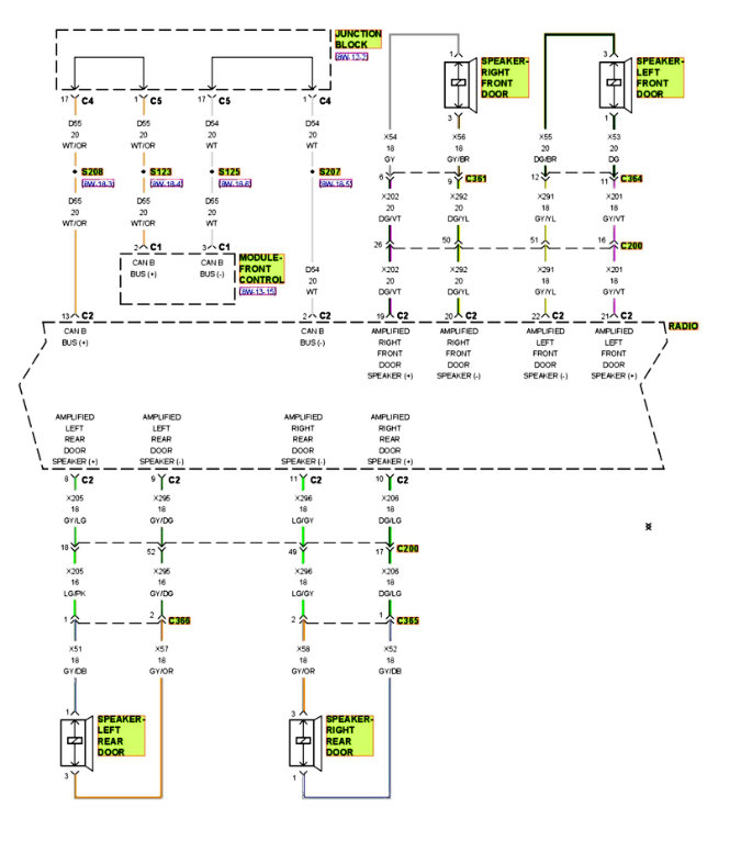
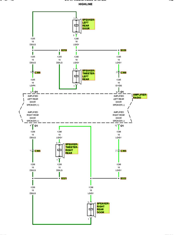
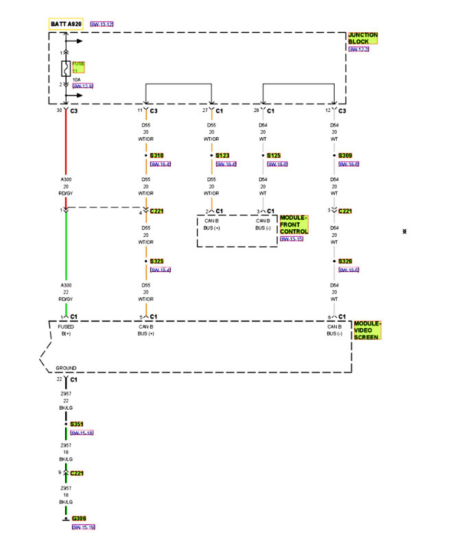
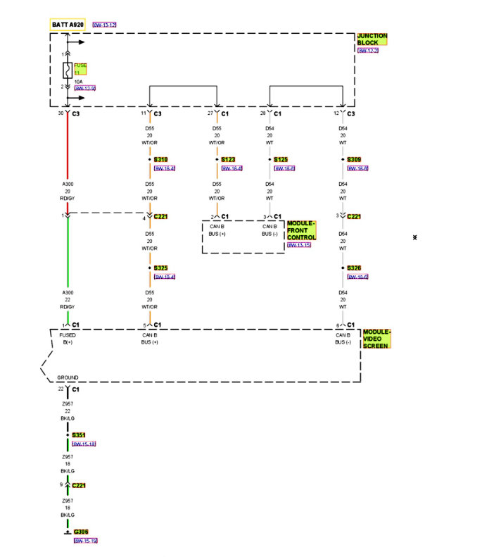
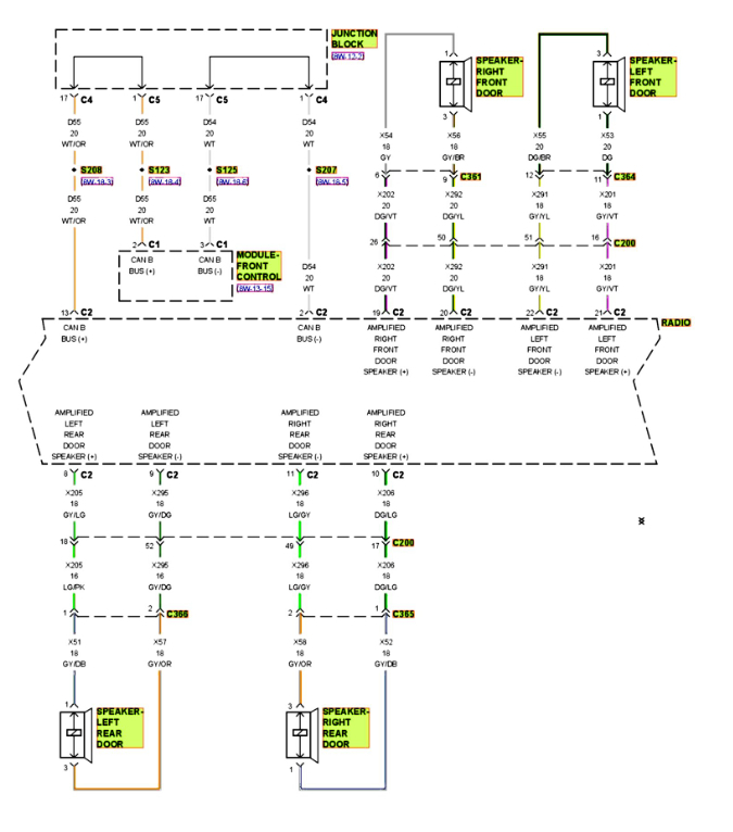
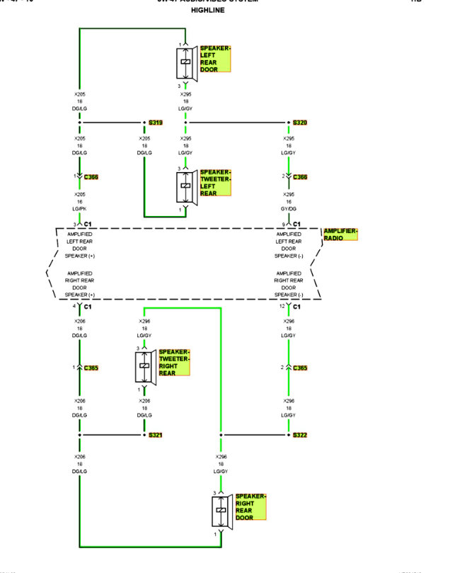
I am not sure what portions of the system you may need so I just included all the diagrams for the radio and related systems. Check out the diagrams (Below). Please let us know if you need anything else to get the problem fixed.