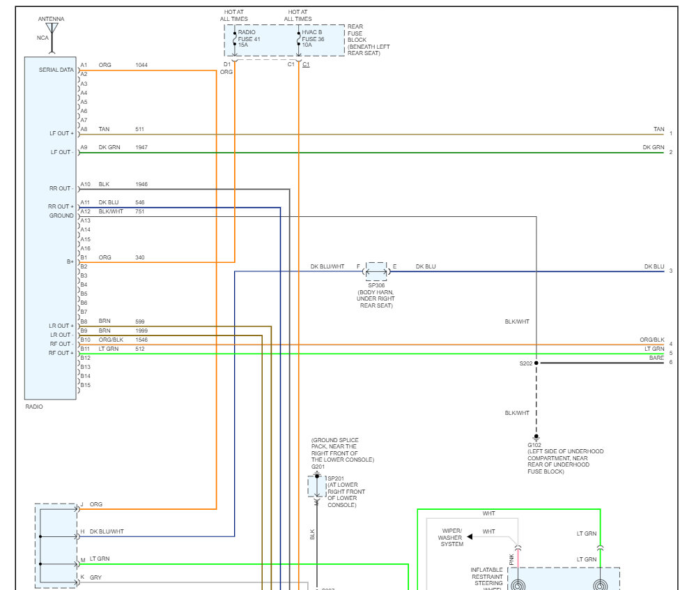
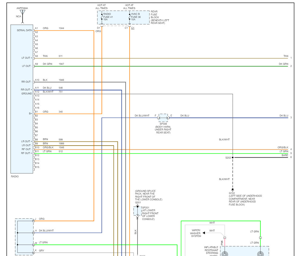
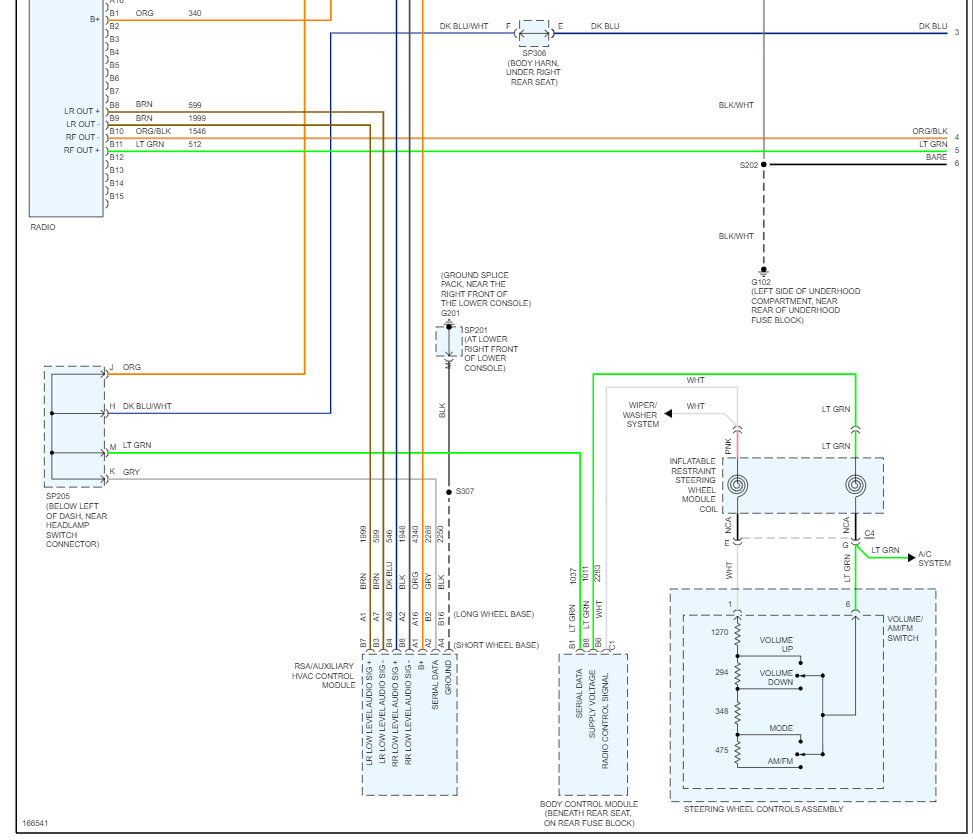
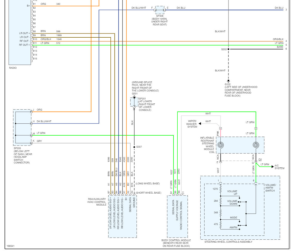
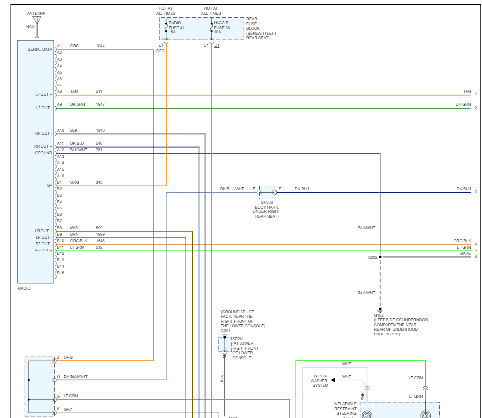
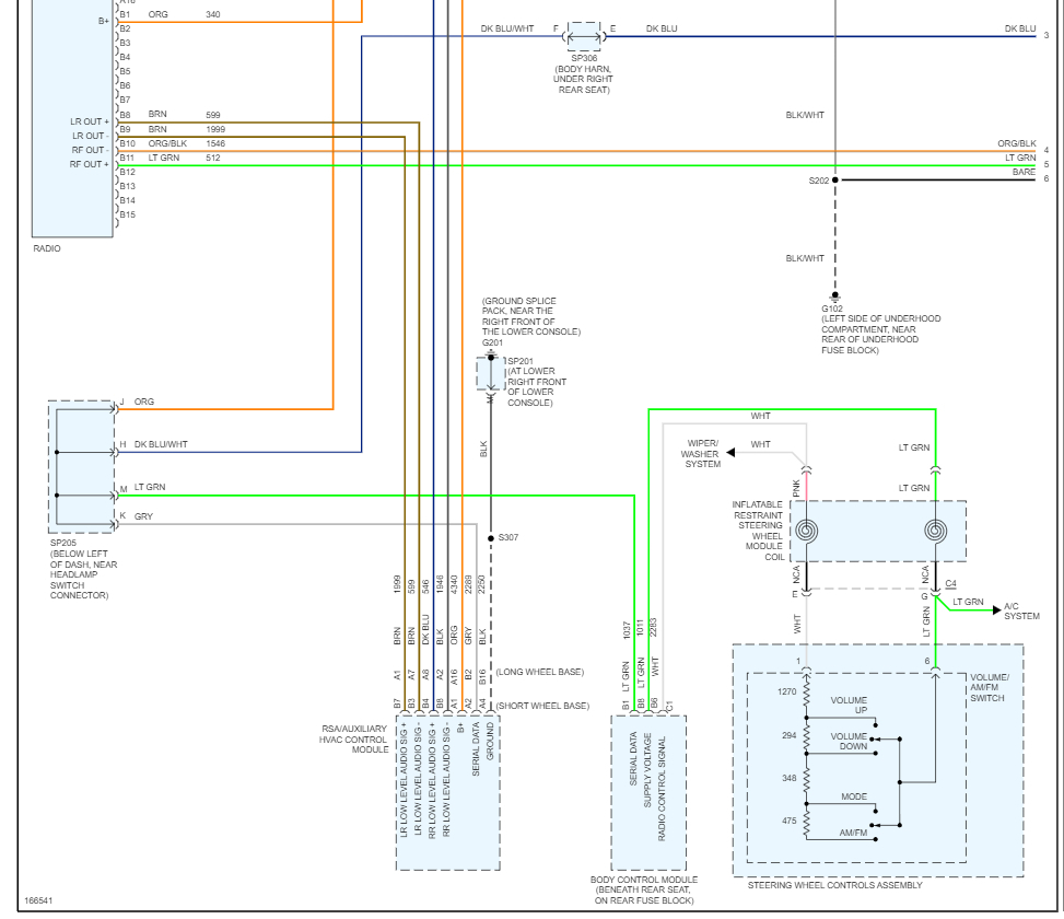
the Bose amp got fried and got another Bose amp from a GMC Envoy, I think it was a 2204 or 2005 and its made different but the 2 bigger pugs are interchangeable, but the old one had a 3rd plug with 3 wires, a dark blue, light green and a dark green that the newer amp does not have. Looking for a wiring diagram to see if i can rewire it to work. Part number on old one is15187195 newer one is 15268210. Thanks for any help.
Apr 7, 2023 at 8:04 PM



