After market harness connected to car wont play noise
Mar 17, 2026 at 4:43 PM
Advertisement
STRAILER
CERTIFIED EXPERT
53,854 POSTS
Hello,
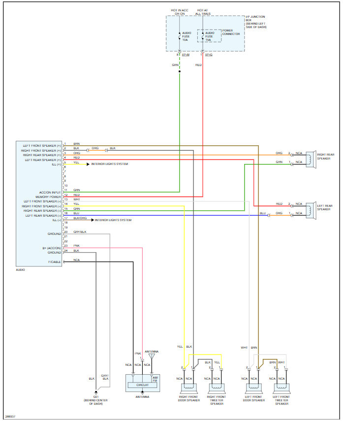
Does this car have a factory amp? if so this maybe the reason you cannot hear noise from the radio, does the new radio come on? Here is the wiring diagram for the non amp system. Check out the images (below). Let us know how it goes