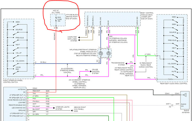
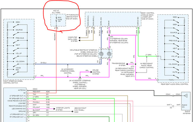
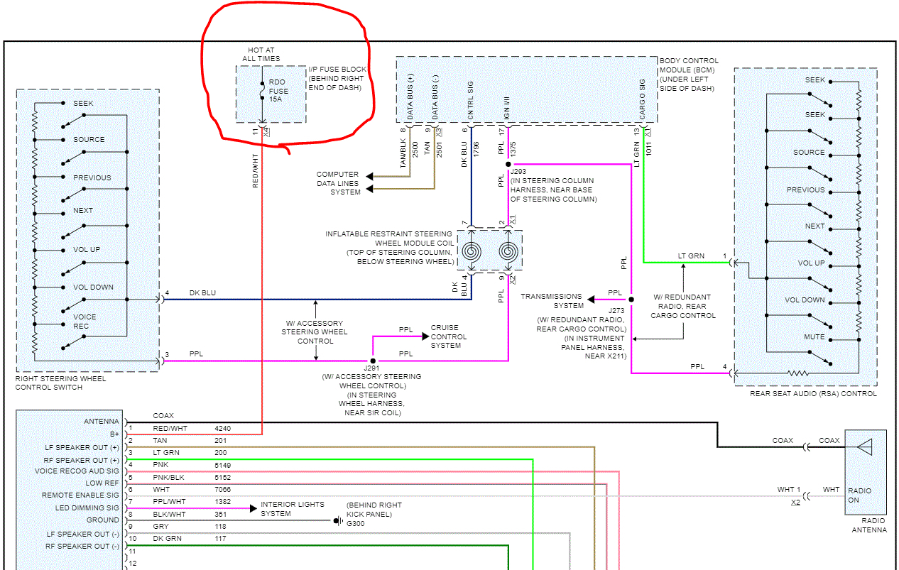
I turn the car off and open the door. The accessories cut off as they should. About 20 minutes later, the radio comes back on and drains the battery. I pull the radio fuse and the battery still drains over night. I have had the instrument cluster and the radio both reprogrammed. My mechanic had a 4 amp draw before the reprogram and it went away at the shop. Next morning, dead battery. GM says to "try" replacing the radio for $500.00.
Question: does anyone know if there is anything in the radio itself that allows the radio to independently wake itself up.
It seems to me that some other component would have to "decide" to deliver power to the radio. Not to mention that the battery still dies with the fuse out. New battery, alternator good.
Question: does anyone know if there is anything in the radio itself that allows the radio to independently wake itself up.
It seems to me that some other component would have to "decide" to deliver power to the radio. Not to mention that the battery still dies with the fuse out. New battery, alternator good.
Aug 3, 2014 at 5:35 AM

