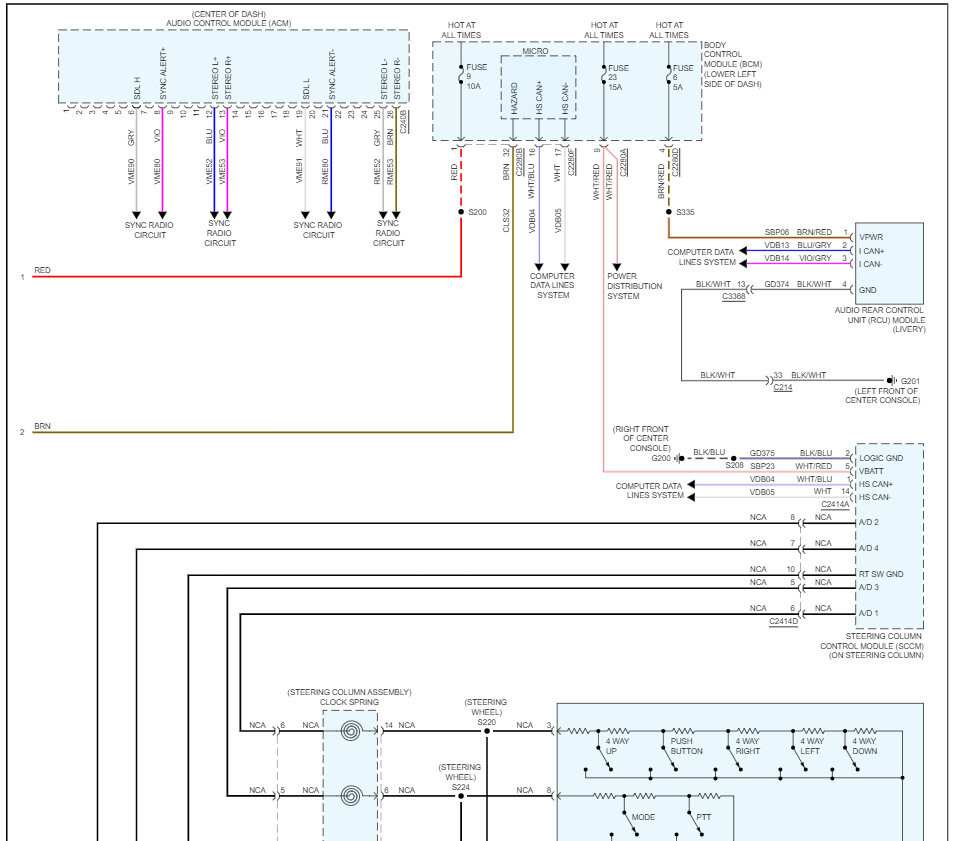
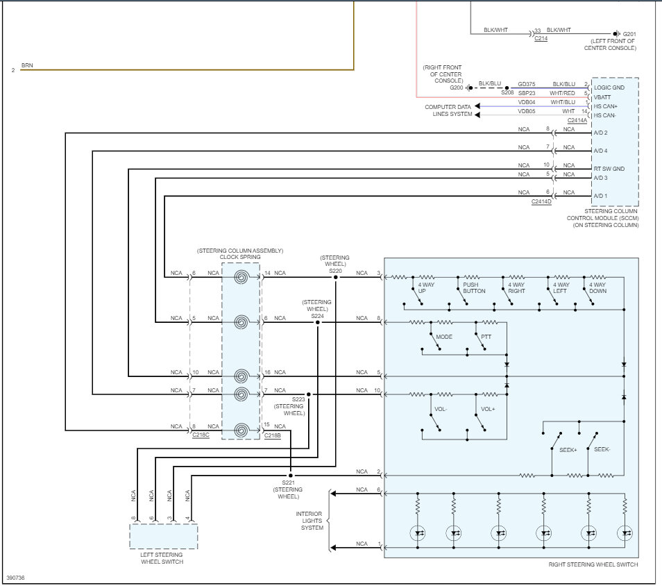
The radio/CD player turns on and off randomly as you drive down the road. Sometimes it happens more frequently than other times. Recently the radio has been turning on after shutting off and sitting in parking lot or garage.
Nov 5, 2023 at 10:34 AM











