Radio speakers not working

2006 CHEVROLET 1500
84,000 MILES • 4.3L • 6 CYL • 2WD • AUTOMATIC
Avatar
ROGER NADEAU
  • MEMBER
  • 3 POSTS
Hello. I have the truck listed above RWD. The front speakers are not working. After taking the door panel off and trying with new speakers, still no sound. I assumed that a fuse was bad, but after inspection they were all okay. I am now led to believe that there is a disconnect in the wire somewhere, from the speaker in the door to wherever that is connected. I've looked at dash harnesses, but they are very expensive. To take out the entire harness just for the radio seems too much. Would this problem be caused by the radio harness itself?
Mar 13, 2021 at 8:05 PM
Advertisement
Avatar
STEVE W.
  • CERTIFIED EXPERT
  • 15,113 POSTS
If all of the front speakers on both sides stopped working at the same time it likely isn't the wiring. They don't share any of the wiring.
Now if you mean one side pair stopped working it is possibly the harness, the most common area for them to break is in the flex area between the door and the trucks body. You wouldn't need to replace them if they broke in that area, you can just repair the wire(s) that failed. Could you please confirm which is the issue and which side if that is the case.
Mar 13, 2021 at 8:20 PM
Avatar
ROGER NADEAU
  • MEMBER
  • 3 POSTS
The speakers that don't work are both front. The rear ones work fine. Thank you for the speedy reply.
Mar 14, 2021 at 4:05 AM
Advertisement
Avatar
STEVE W.
  • CERTIFIED EXPERT
  • 15,113 POSTS
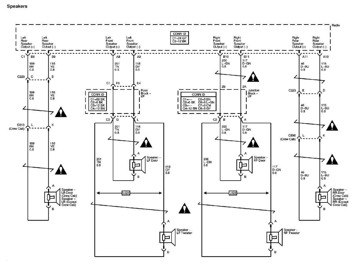
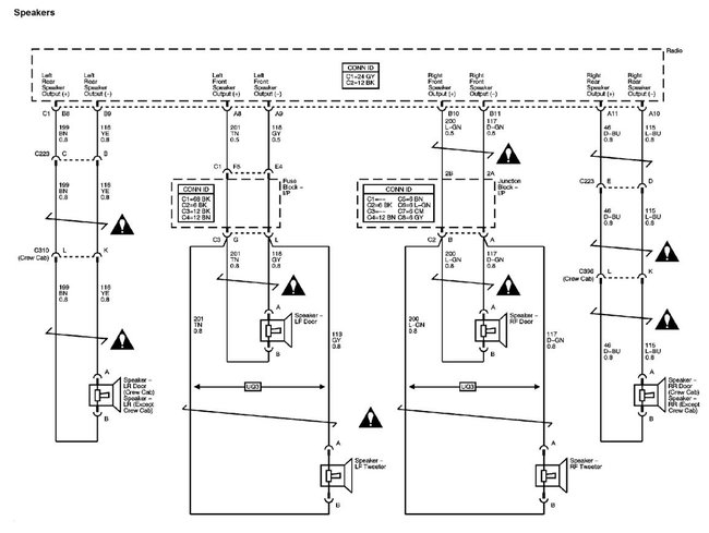
Okay, if it's both left and right front speakers it's not likely the wiring but in the radio itself. Testing it isn't that difficult, but it requires pulling the radio out to get to the harness plugs on the rear. Then you use a speaker with a couple of wires attached to probe the speaker connections on the back. For the right side you would connect to the light green and dark green wire pins and for the left side it's the tan and gray wires. The terminal connections on the GM radios are open enough that a bare wire will easily go into them for testing without removing the plugs from the unit.

One thing to check is if the fader control was moved to the rear as well, although I would think you already checked that.
Mar 14, 2021 at 4:36 AM
Avatar
ROGER NADEAU
  • MEMBER
  • 3 POSTS
Haha, yeah I checked the fader. I will check the radio harness next. That harness is much cheaper than the other harnesses people told me I might have to replace. This was very helpful.
Mar 14, 2021 at 7:39 AM
Avatar
STEVE W.
  • CERTIFIED EXPERT
  • 15,113 POSTS
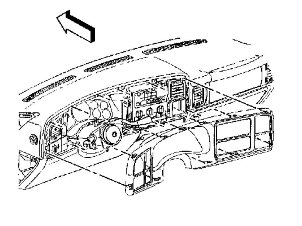
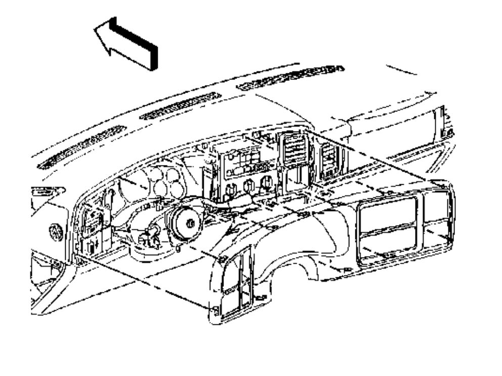
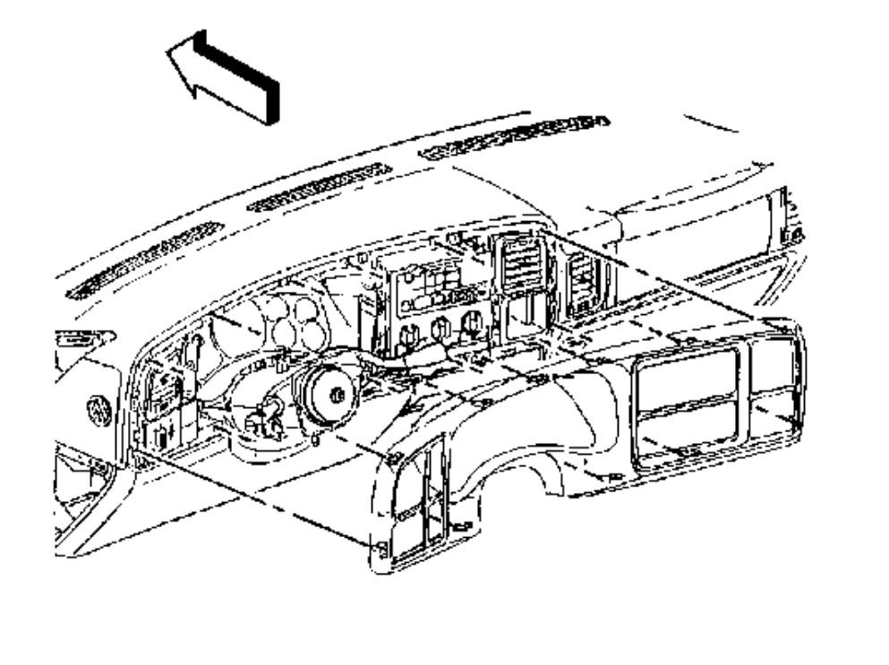
I really doubt it's the harness as both speakers use different wiring straight out of the stereo. I suspect it's the internal amp chip in the unit itself, wouldn't be the first one I've seen fail that way. But testing on them is easy if you have another speaker handy. To get the radio out, tilt the steering wheel all the way down, now the next step is a bit tricky, you need to pull the dash trim out of the retainer clips, you start at the outer corners, but be careful as the plastic is easy to break. I normally try to get the outer clips barely free then work across the panel pulling each clip in turn so you don't break the clips or the bezel. With it off you remove the screws around the stereo and slide it out. Then look for the colors I listed above. Connect a speaker to each set and see what you get. If you get full volume then it's possibly bad wiring, but if you get nothing it's a bad chip. In that case, if you are going to replace the unit with stock you need to be careful as you cannot just pop a replacement into place as it will go into theft mode without the unlock code so get that code or be ready to have a dealer unlock it for you.
Mar 14, 2021 at 6:51 PM