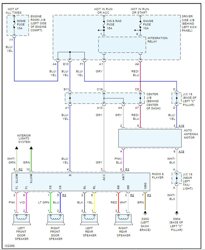
With a replacement of the original radio, it would reset anytime I would turn the car off and back on again. Everything would work, including the cigarette lighter. Now I’ve connected all the wires to the new harness for the radio I’m installing, and it won’t turn on. I checked the constant 12v with a tester I got in a kit, and it lit up red just like it did for my ground. What do I do?
Oct 5, 2024 at 7:31 PM
