radio problem

2017 HYUNDAI ELANTRA
38,897 MILES • 2.0L • 4 CYL • 2WD • AUTOMATIC
Avatar
JASONPYZO
  • MEMBER
  • 87 POSTS
I have the car listed above SE and the battery completely drained. So replaced the battery and now it says that the antenna is disconnected to the XM radio. Called XM radio and tried to trouble shoot, rebooting the radio which didn't work and sending a refresh with no luck. They said I might have to take it to the dealer which to me is my last resort. I tried to do a little research to find some info and came up with disconnecting both battery cables and holding them together for 30 seconds that didn't work. Then turn the radio on and gently tap the sharks fin antenna also no luck. So don't know what else to try and would greatly appreciate any ideas.
Mar 26, 2022 at 1:41 PM
Advertisement
Avatar
KASEKENNY
  • CERTIFIED EXPERT
  • 18,907 POSTS
If all that happened was the battery drained and it was replaced, now you have no sat radio then we may have a radio issue as it is clearly trying to connect to the XM sat but it can't due to not seeing the antenna. So, it doesn't sound like it is a configuration issue and it doesn't know that it has XM service. Can you get a picture of what the screen looks like? That will help confirm that it does have a service.

Also, when you were talking with XM, they should have tried to ping the radio. Were they successful in doing that? Did their system return a good signal or was it not able to find it?

Clearly just replacing the battery will not cause the antenna to fail but I am thinking that we could have had a radio issue, or a coincidence and we truly have an antenna issue at this point.

So, to eliminate an antenna issue let's check and make sure you have power going to it and that we didn't pop a fuse.

https://www.2carpros.com/articles/how-to-check-wiring

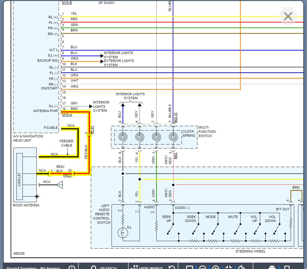
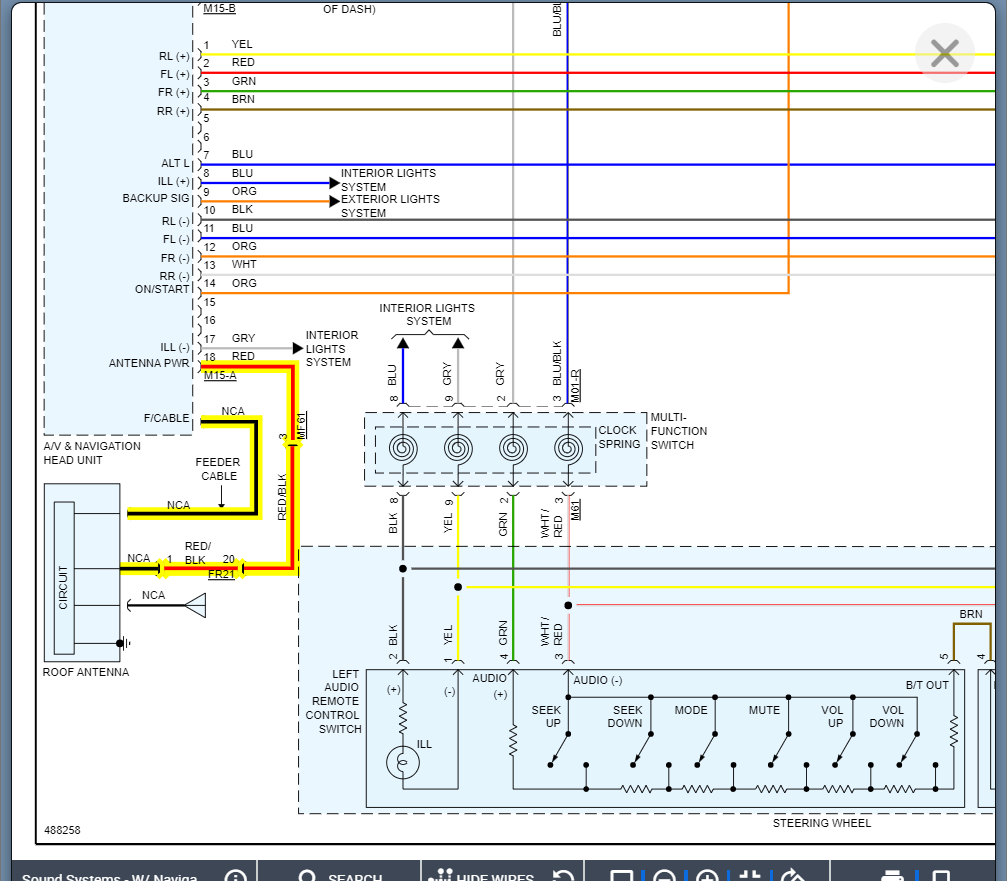
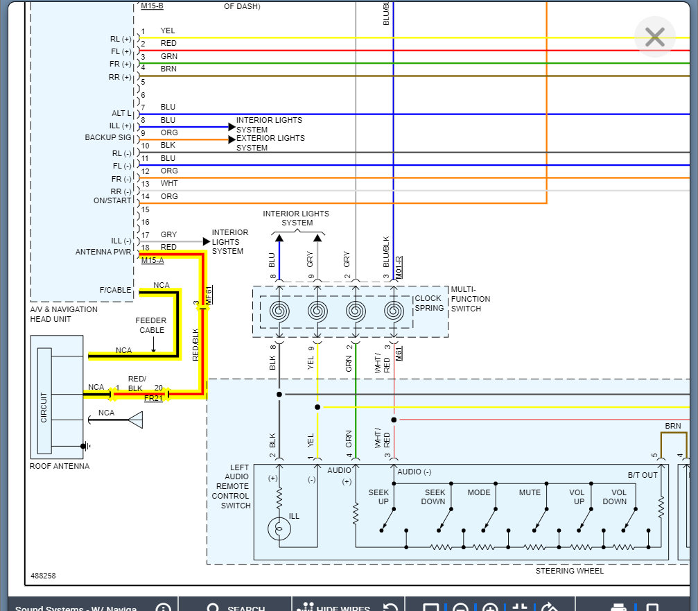
I attached the wiring diagram below, as I assume you have navigation. I don't think it matters for the antenna but let me know if you don't. Also, I don't see a fuse specifically for the antenna so if this is the only thing not working then it should have power coming from the radio on the red wire.

Please run through this and let me know what you find.

Thanks
Mar 27, 2022 at 8:55 AM
Avatar
JASONPYZO
  • MEMBER
  • 87 POSTS
Hello Kenny and thanks for helping. I'm going to send a couple of pics to see if they will
help out. I'll see if I can determine if there's power going to the antenna. I'll let you know what I find.
Mar 29, 2022 at 9:32 AM
Advertisement
Avatar
KASEKENNY
  • CERTIFIED EXPERT
  • 18,907 POSTS
This could be a coincidence, but this message of the antenna is shorted is pretty clear.

The easiest way to test this is to use a "test" antenna. Most OEMs supply these the dealers where they can just plug a known good external antenna into the radio. If the radio works, then you know the antenna or cable are the issue.

You may be able to find one of these on Amazon or Ebay for pretty cheap if you want to go that route.

I am not sure how a battery replacement would have caused this, but it clearly didn't mess with the subscription of the radio because you are displaying the channels.

Let me know if you have questions or what you find. Thanks
Mar 29, 2022 at 12:12 PM
Avatar
JASONPYZO
  • MEMBER
  • 87 POSTS
alright thanks. There's one more question, I would like to ask and might sound like a stupid one but no telling with the new cars now a days, so there are no wires or anything that is related to the antenna or antenna wire coming from the battery? Antenna and cable is just from the back of the radio.
Apr 1, 2022 at 8:56 AM
Avatar
KASEKENNY
  • CERTIFIED EXPERT
  • 18,907 POSTS
No problem.

That is correct. There are no other power wires going to the antenna other than that from the radio.

Basically, the radio supplies the power and gets the signal back from the antenna.

Let me know what other questions you have. Thanks
Apr 2, 2022 at 10:08 AM
Avatar
JASONPYZO
  • MEMBER
  • 87 POSTS
alright, I appreciate everything.
Apr 2, 2022 at 1:21 PM