Radio Interface issues

2008 MERCEDES BENZ S550
55,000 MILES • 5.3L • V8 • RWD • AUTOMATIC
Avatar
ECLASS VEGAS
  • MEMBER
  • 3 POSTS
my sound system has a constant clicking noise or popping when using the Radio, When using the phone I can hear the caller, they can not hear me. my Sirius/XM will not pick up or go to preview channels. My embrace can not locate the car and when I press the (i) button nothing happens. when I try to go to the audio menu it won't stay on what I select it jumps in and out of that screen.
Mar 24, 2017 at 11:09 PM
Advertisement
Avatar
STRAILER
  • CERTIFIED EXPERT
  • 53,854 POSTS
Hello,

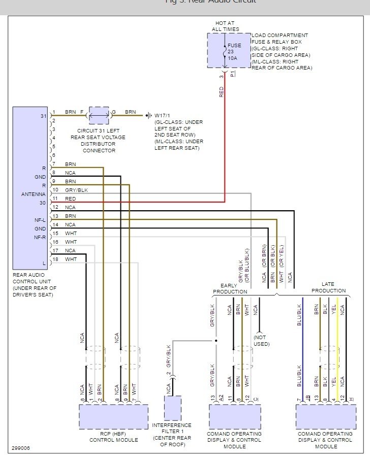
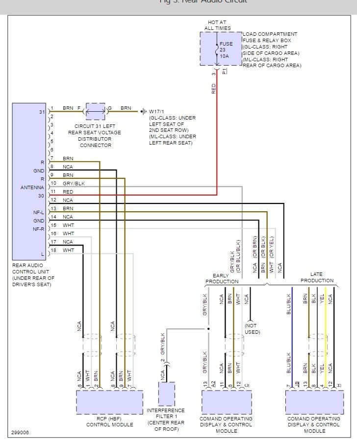
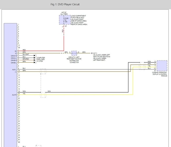
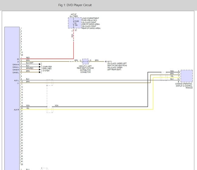
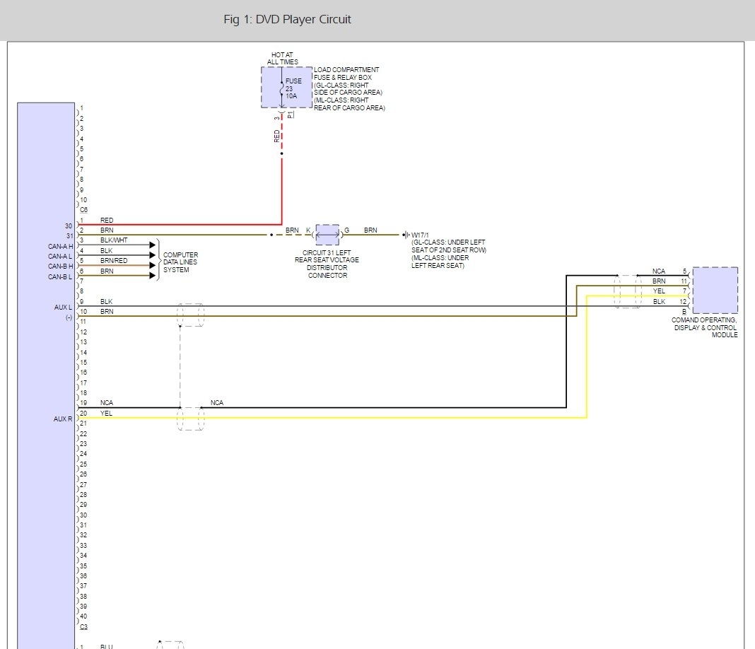
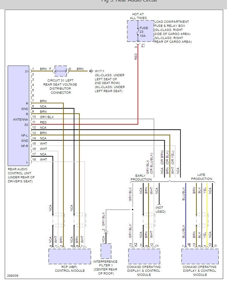
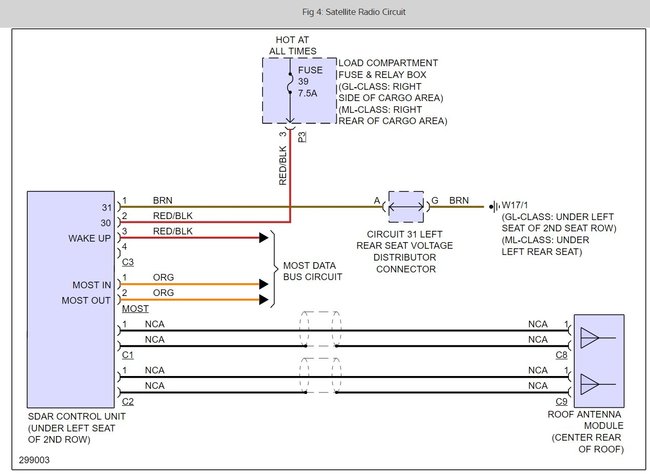
It sounds like you have an amplifier going out. The microphone goes through it as well. Here is the radio wiring diagrams so you can see for yourself.


Please let us know what happens.

Best, Ken

Mar 28, 2017 at 12:05 PM